如果用限幅放大器输出的这个电压u'\(_{1}\)代替u1,则因u'\(_{1}\)不可能与u2严格地保持180°的相位差,则经过低通滤波器的双差分视频同步检波器的输出,肯定要小于两路信号严格保持180°相位差时的输出。为了弥补这一缺欠,通常是将限幅放大器和双差分视频同步检波器的u\(_{1}\)输入端间加一个由R并L、C组成的调谐于图象中频的并联谐振电路,即图象中频选择性网络。如果一个放大器负载是一个由R并联L、C组成的并联谐振电路,当这个谐振电路调谐于放大器的输入信号频率时,这个放大器的负载就是纯电阻负载,输出信号和输入信号严格地保持反相关系。只要使这个图象中频选择性网络和限幅放大器的输入电容以及分布电容调谐于图象中频时,那么双差分视频同步检波器的u1端输入信号,就是一个幅度不变的其频率是图象中频的其相位严格保持与u\(_{2}\)相位差180°的信号。
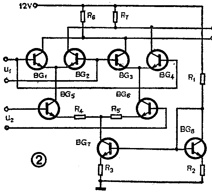
下面我们来分析一下把双差分放大器作为双差分视频同步检波器时,它是如何工作的。图2是一个双差分放大器电路图。图中由BG\(_{1}\)、BG2、BG\(_{5}\)及BG3、BG\(_{4}\)、BG6分别组成差分对。BG\(_{7}\)为总恒流源,它控制以上各管受温度影响时所产生的漂移。BG8及R\(_{2}\)、R3 组成BG\(_{7}\)的温度稳定电路。R4、R\(_{5}\)可扩大电路的线性放大区域。图3画出了图2双差分放大器在两个输入信号u1和u\(_{2}\)严格保持同频率反相位(ψ=180°)时的工作波形图。


①u\(_{1}\)为负半周、u2为正半周的情况:由于晶体管导通与否,决定于其偏置状态或者说其基极、射极相对电位的高低。由图2所示可知,此时BG\(_{1}\)和BG4截止,BG\(_{2}\)和BG3导通,BC\(_{5}\)的负载电阻是R7,BG\(_{6}\)的负载电阻是R6。由于此时u\(_{2}\)是正半周,所以流经BG5的电流即流过R\(_{7}\)的电流一定大于流过BG6和R\(_{6}\)的电流,接于R7的输出电压u\(_{0}\)2一定低于接R6的输出端电压u\(_{0}\)1。
②u\(_{1}\)为无半周、u2为负半周的情况:此时BG\(_{1}\)和BG4导通,BG\(_{2}\)和BG3截止,BG\(_{5}\)的负载电阻变为R6,BG\(_{6}\)的负载电阻变为R7。由于此时u\(_{2}\)是负半周,所以流经R7的电流仍大于流经R\(_{6}\)的电流。u01仍高于u\(_{0}\)2。图3中u01—u\(_{0}\)2波形,是指u01和u\(_{0}\)2的差值再经过低通滤波器后的全电视信号的输出波形图。
掌握了利用双差分放大器作为视频同步检波时的工作过程之后,再回忆一下利用二极管作为视频检波的情况,见图4。图中,u\(_{i}\)=是二极管视频检波器输入的图象中频信号波形图,u0=是经检波后未经滤波器的输出波形图。比较图3和图4可以发现,二极管视频检波器与单相半波电源整流器很类似,而双差分视频同步检波器的输出u\(_{0}\)1、u02与单相全波电源整流器的输出电压波形相类似。这说明二极管视频检波器在没有通过低通滤波器前不仅有图象中频的二次谐波分量,还有图象的中频分量。而双差分视频同步检波器在没有进行低通滤波前只有图象中频的二次谐波。这从上述的(1)式及(3)式中也可以看出双差分视频同步检波器的这一重要特点。正是由于这两种视频检波器有这样的不同点,因此二极管视频检波器比双差分同步检波器的低通滤波器在电路结构上要复杂的多,而且在屏蔽和接地要求上也比同步检波器要严格的多。实际上在集成电路双差分视频同步检波系统(图1)中并不专门设置低通滤波器电路,它是利用双差分同步检波器集电极输出的负载电阻及集电极对地的电容构成的低通滤波特性来滤掉图象中频二次谐波的,这就是双差分视频同步检波器的自滤波作用。

上面我们讨论的是双差分视频同步检波系统中输入信号的频率是图象中频,而且图象中频选择性网络正好调谐在图象中频的情况。那么,该系统的输入信号如果偏离了图象中频,它的检波输出将有什么变化呢?
图5画出了负载是并联R\(_{并}\)、C、L(图象中频选择性网络)的限幅放大器其输出信号和输入信号相位差ψ随频率变化的曲线。从图5可看出两种情况:①如果图象中频选择性网络已准确地调谐在图象中频上,双差分视频同步检波器系统的输入信号的频率偏离图象中频越远,u1和u\(_{2}\)的相位差也越远离180°,从(4)式可以看出该系统输出视频信号的幅度也就越小;②图象中频选择性网络的电阻R并越大,该系统对同样的输入信号的偏离图象中频,u\(_{1}\)和u2也越偏离180°,该系统的输出视频信号幅度也越小。所以双差分视频同步检波器系统的输出视频信号的幅度是与u\(_{1}\)、u2两个输入信号的相位差ψ的余弦成正比。图6示出该系统的输出与ψ的关系曲线,即双差分同步检波器输出和两个输入信号相位差有“余弦特性”的关系。所以当该系统输入信号的频率不同时,其输出也是不同的。


在传统的分立元件电视机图象中频通道的调试中,一般是用BT-3频率特性测试仪检测其频幅特性的。由于BT—3输出的是扫频信号,也就是说每当BT—3的示波管由最左端到最右端水平扫描一次,而BT—3的输出则是以等幅的从20几个兆赫到40几个兆赫逐渐地均匀地变化一次。如果将BT—3输出的具有这种特点的信号送到具有双差分视频同步检波系统的图象中频通道的输入端,那么因双差分同步检波有“余弦特性”,所以双差分同步检波器输出在BT—3示波管屏幕上呈现的图形与分立元件电视机二极管检波器输出图形有很大的不同:如果图象中频通道的几级中频放大器的幅频特性是“草垛”形,见图7(a),那么用二极管检波时,检波器输出在BT—3示波管上仍然呈现图7(a)波形。但在用双差分同步检波器时,检波器输出在BT—3示波管上却呈现图7(b)的图形;如果图象中频通道的几级中频放大器的幅频特性如图7(c)所示,在用二极管检波器时,检波器输出在BT—3上仍然示出图7(c)波形。但在用双差分同步检波器时,检波器输出在BT—3的示波管上却呈现图7(d)图形。图7(a)与图7(b),图7(c)与图7(d)之所以有这样大的区别,主要是由于偏离图象中频的扫频信号经过双差分同步检波器后的直流电压小于标称图象中频信号经过双差分同步检波器后的直流电压所造成。

经过双差分同步检波器的图形,左边部分下跌了很多,但图象的细节清晰度并不会下降。它只是说明了在图象视频调制信号相同而如果该已调信号的高频填充频率在偏离标称图象中频时,检波后的视频信号幅度变小了,但视频信号中的各种频谱分量的相对比值并不变。为了便于熟悉并掌握双差分视频同步检波器,现把近年来已为我国电视机生产厂生产的黑白电视机、彩色电视机中所广泛采用的集成电路D\(_{7611}\)中的双差分视频同步检波器画在图8上。

希望广大无线电爱好者及调测人员掌握其道理。(路长玉)