CX-099型集成电路应用在索尼、三洋等机型的电调谐器中,可使VHF本振、VHF混频、预中放电路共用一块集成电路。使用该集成电路可以改善各种抗干扰性能、降低本振信号漏泄和辐射、提高电路的稳定性和可靠性以及无需调整中频频率曲线等优点。现将CX-099型集成电路作一简单介绍。
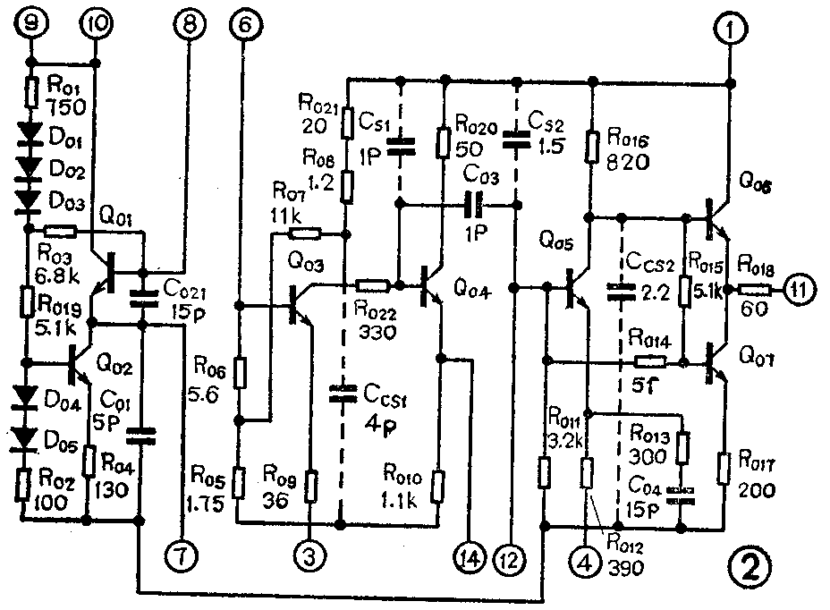
VHF本振电路由Q\(_{0}\)1、Q02以及由图1所示的外围元件C\(_{4}\)、L1、D\(_{1}\)等构成。Q01为振荡管,D\(_{1}\)是变容二极管,C6为隔直电容。因本振频率很高,要求本振回路不受温度变化、电源电压变化的影响。电路中用Q\(_{0}\)2代替Q01的发射极电阻,有效地抑制了环境温度变化及电源电压变化而产生的Q\(_{0}\)1工作点的改变。本振电路的温度稳定由IC内部温度补偿来解决。
VHF混频电路由Q\(_{0}\)3、Q04组成。这部分电路有两个作用:一是在接收VHF频段信号时,将高频载波信号转变为中频载波信号,即完成对VHF电视信号的混频作用;二是在接收UHF频段电视信号时,将UHF混频器输出的中频信号进行放大。这时起中频放大作用。
IC的⑥脚在接收VHF频段的高频电视信号和频率比所接收的电视信号高38MHz的本振信号时,Q\(_{0}\)3作为混频管。混频后的信号送到Q04经电流放大后,由脚输出。
当接收UHF频段电视信号时,此时只有UIF信号进入⑥脚。这时的Q\(_{0}\)3、Q04实现对UHF中频信号UIF预中频放大。
IC的脚为电视中频信号的输入端。中频放大器主要由Q\(_{0}\)5、Q06、Q\(_{0}\)7等组成,中频电视信号首先经Q05进行放大。由于要求放大器有足够的频宽和抑制干扰、噪声的能力、故电路中加有两路负反馈。一路由R\(_{0}\)12、R013、C\(_{0}\)4组成的电流负反馈工作点稳定电路;另一路由R015、R\(_{0}\)14组成电压并联负反馈。为保证电视中频信号较大时不致使Q06工作点延伸到饱和区或截止区,而产生切割失真,电路中采用Q\(_{0}\)7和电阻R017共同作为Q\(_{0}\)6的射极电阻。当IC脚的电视中频信号较大时,Q05的基极电位随着信号的增大而上升,使Q\(_{0}\)5的集电极电位下降,导致Q06管发射给电平电压下降。但此时Q\(_{0}\)7的基极电压同时因IC脚电视中频信号的增大而上升,使Q07管内阻变小,即Q\(_{0}\)6射极电阻变小,增加了Q06管的跟随范围。当Q\(_{0}\)5管基极电位随着电视中频信号下降时,则Q06管发射结电平电压上升,此时Q\(_{0}\)7的基极电压随电视中频信号而下降,Q07内阻变大。这样,即使输入信号过大,也不会致使Q\(_{0}\)6管饱和而产生失真。上述过程是处于线性放大状态的。放大后的中频信号经R018由脚输出。
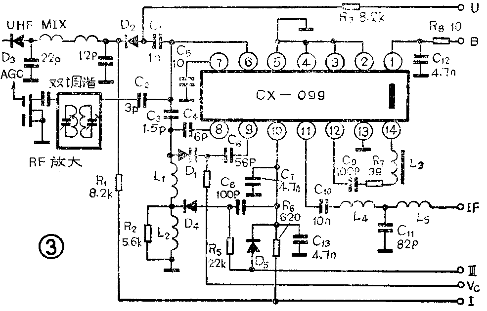
CX-099IC采用14脚双列直插式塑料封装结构,各引出脚功能为:①脚:混频、中放电源电压,②、③、④、⑤脚:地,⑥脚:信号输入,⑦脚:补偿电路,⑧脚:振荡回路,⑨、⑩脚:振荡电路电源脚:IF输出,、脚:38MHz带通滤波器,脚:地。CX-099的典型外围电路如图3所示。(许勇)


