改制收音机使一机多用,其方法已屡见于各种杂志,它具有方便、经济、多用的优点,很受无线电爱好者欢喜。但不少文章提供的方法,都存在着两个缺点:一是线路改动较多,二是元器件不易购买或不便自制。本文不但克服了这些缺点,而且改制后能使收音机的功能更加齐全,使用更为灵活方便,且无须调试。
笔者是“学生实验用的晶体管收音机”为例改制的,其它型号的收音机亦可采用此法。
一、低频电路的改制
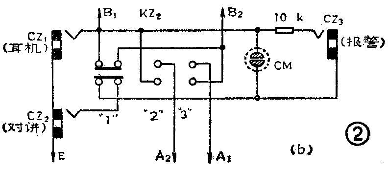
原机电路简图见图1,其中“×为改制时需要切断的地方;AN是按钮,与电源开关K并联,在“对讲”功能中用于随时呼叫;按钮的按头上装一个触摸金属片CM。见图2a。



附加电路见图2b,KZ\(_{2}\)是双刀三掷转换开关;CM是AN触头上的金属触片;CZ1和CZ\(_{2}\)与CZ3都是耳机插孔,CZ\(_{1}\)为“助听”功能的耳机孔;CZ2是“对讲”功能的扬声器插孔;CZ\(_{3}\)为“实验报警”功能的传感器插孔。这三个插孔是考虑了该机改制后的实用性和使用的灵活方便性而设的。为叙述方便,将改制后的低放电路绘于图3。改制后电路使用方法如下:

1.收音:将KZ\(_{2}\)置于“3”位电路开口(A1-A\(_{2}\)1\(_{2}\))被补上,成为原收音机线路。
2.助听:KZ\(_{2}\)拨至“2”位,将机内扬声器Y1接于低放输入端,由Y\(_{1}\)拾音进行声电转换,经低放级放大,在CZ1孔输出,由耳机放音,因为扬声器声电转换效率较低,故低放级差增大些为好。
3.对讲电子门铃:从CZ\(_{2}\)插孔外接另一只扬声器Y2,将Y\(_{2}\)置于门上,按钮AN装于门上方便的位置。当KZ2于“1”位时,Y\(_{2}\)拾音,Y1放音,客人Y\(_{2}\)对讲话,主人从Y1收听。
主人要对客人讲话,可将KZ\(_{2}\)扳到“2”位,主人对Y1讲话。门上的Y\(_{2}\)便放音,让客人收听。
平时KZ\(_{2}\)应拨在“1”或“3”位,不要置“2”位。当来客按AN时,收音机电源接通,AN上的摸片CM通过人体电阻将低放电路引入正反馈,产生音频振荡,Y1发声讯响声,通知主人有客来访。主人此时打开收音机,接通电源开关K,将KZ\(_{2}\)拨于“2”,便可进行对话。
4.近距电话:原理和方法与3相同,只是将门上的装置装于对讲的另一方。如Y\(_{2}\)一方要求通话,可按AN发出通话信号告知对方;如Y1想讲话,可打开电源开关K,拨KZ\(_{2}\)至“2”位,直接讲话就行了。如果Y1一方外出,可将KZ\(_{2}\)置于“2”;当Y2按AN请求通话时,则Y\(_{2}\)方的扬声器Y2会发出“滴——”声,示意对方不在。
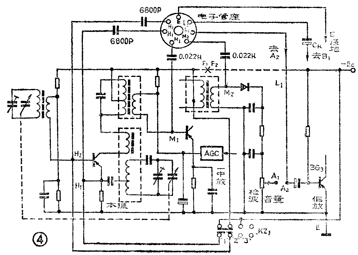
二、中频电路的改制
原机电路简图见图4,相应引出七根线:H\(_{1}\),H2、M\(_{1}\)、M2、L\(_{1}\)、L2和E(地线),不必切开电路。七条线接在小型电子管座上作为输出端(如果空间允许,用香蕉插孔也很好),便成为维修人员的得力工具。图中“×”为开口处。

1.故障寻迹器:KZ\(_{1}\)拨于“1”位,KZ2置于“3”(收音)位,收音机便成为寻迹器。
原理:KZ\(_{1}\)将本振管基极和发射极短路,电路停振,收不到电台广播;将自制的输出探头(依自己喜爱的方式自制)插入M1孔,可对故障机的中频电路进行寻迹;插入L\(_{1}\)孔,可对故障机的低频电路进行寻迹。
2.信号发生器:KZ\(_{1}\)拨于“2”,KZ2拨于“3”,收音机处于正常收音状态。利用接收到的电台信号作为信号发生器输出的信号,避免了单频信号对人产生的烦躁感。以下是几种用途:
(1)低频信号发生器:从L\(_{2}\)孔(即图3B1端)取出低频(广插声音)信号;用于检查故障机的低频电路。
(2)中频(465kHz) 调幅信号;从M\(_{2}\)孔输出465kHz中频调幅信号,可用于检查故障机中放电路或进行中频变压器的调整。
(3)高频调幅信号:从H\(_{2}\)孔取出。它是经过收音机输入回路选频后的电台信号。可用于检查故障机的天线回路是否正常。该信号频率可由调谐改变。
(4)可调高频等幅信号:从H1孔取出。它是本振输出信号,使用时要将该机用金属物屏蔽,以阻隔电台广播的干扰。此信号可用于检查故障机的本振级是否工作。该信号频率大致等于收音机面板刻度的频率加上一个中频465kHz,变化范围约为(535+465)~(1605+465)kHz。
3.试验报警功能:将KZ\(_{1}\)置“3”,中频电路的F1和F\(_{2}\)处断开。KZ2拨于“1”或“3”位,在CZ\(_{3}\)插孔接入传感器即可。由于报警音调与反馈阻抗有关,因此在CZ3中串接了一个10kΩ的电阻。该电路可完成以下报警功能:短路告警:可用于检查短路故障。刮风告警:利用摆动装置,当风刮起时电路接通,发出报警。(谭诚臣)