数字电路中使用着各种开关,这些由电子元件组成的开关必须在满足某些规定的条件后才能接通,如果不满足规定条件就不能接通。它好象是用号码锁锁着的门,必须按规定的号码对准之后才能把门打开。所以在数字电路中把这种特殊的开关称为“门”或“门电路”。从逻辑推理上讲,这些门必须是在具备了开门的条件之后才能打开,开门这件事和开门所必须具备的条件之间存在的因果关系是一种逻辑关系。所以门电路有时也称为逻辑电路。
数字电路中最基本的逻辑关系有三种:“与”逻辑、“或”逻辑和“非”逻辑,和它相对应的有三种门电路:与门、或门和非门。
三种基本逻辑关系
1.“与”逻辑
“与”逻辑关系在生活中普遍存在。例如,贵重金属或剧毒品库,为了安全起见,常常是同时加几把锁,把这些锁都挂在锁钮上,然后由几个人分别保管钥匙。当要开门取物时,所有掌管钥匙的人必须一起到场,把所有的锁都打开才能把门打开。只要有一个人不到场,就有一把锁开不了,大门就不能打开。在这个例子中,如果是用两把锁锁门,那么开门的条件就是:甲“与”乙二人必须同时到场。我们把这种因果关系叫做“与”的逻辑关系。
图1中电源通过开关K\(_{1}\)、K2和电灯L相连。因为K\(_{1}\)、K2是串联的,要想接通电路把电灯点亮,必须把两个开关全都闭合起来。不论哪一只开关断开,电路就不通,电灯不会点亮。因此,开关K\(_{1}\)与K2必须都闭合就是点亮电灯的条件。可见这个电路所完成的也是“与”逻辑的功能。

“与”逻辑可以用一句话来概括:当条件A与B与C与……都具备时,这件事物才能实现(例如门打开、灯点亮);只要缺少其中的一个条件,这件事物就不能实现(门打不开、灯不亮)。
2.“或”逻辑
“或”逻辑关系在生活中也是常见的。例如,同一宿舍的几个人各自用自己的锁锁门,只要把锁和锁钮象链条那样一环一环地连接起来,然后各人自己保管自己的钥匙。当任何一个人回宿舍时,都可以用自己的钥匙把锁打开,锁和锁钮组成的链条就断开,门就可以打开。这个例子中,如果宿舍里只有两个人,那么,甲或乙或者甲、乙同时到场都可以把门打开。我们把这种因果关系叫做“或”的逻辑关系。
图2中的电路开关K\(_{1}\)和K2是并联的。只要有一只开关闭合就可把电路接通点亮电灯。例如K\(_{1}\)闭合、K2断开,或者K\(_{2}\)闭合、K1断开,再或者K\(_{1}\)、K2都闭合,这几种情况都能达到点亮电灯的目的。所以这个电路也能完成“或”逻辑的功能。

“或”逻辑也可用一句话来概括:当条件A或B或C或……或者有一个以上条件具备时,这件事物就能实现。
3.“非”逻辑
我们知道,照相底片上的成象是和所拍摄的景物相反的:站着的人成为倒立;黑色的成为白色。这种相反的因果关系就叫做“非”逻辑。
图3中,当开关K闭合时,电灯L被短路,电灯不亮;当开关K断开时,电灯中有电流流通,电灯被点亮。在正常情况下,开关的闭合应该是接通电路点亮电灯,而在这里开关的闭合和点亮电灯正好是一种相反的关系。所以这个电路所完成的是“非”逻辑的功能。

“非”逻辑也可以用一句话来概括:当条件A出现时,事物不能实现;当条件A不出现时,事物却能实现。换句话说,事物的结果是条件的否定。
二极管与门和或门电路
1.二极管与门电路
能实现“与”逻辑功能的电路则与门电路。图4是一个二极管与门电路,现在我们来看看它是怎样实现“与”逻辑功能的。

在说明这个问题之前,要先说明一下有关信号的电平的问题。在电路中,我们说某点信号的强或弱,是指这一点到“地”之间的电压而说的,所谓“地”就是电路中的零电位点。因此,某点信号电压高,我们就说这点的信号强;某点信号电压低,就说这点信号弱。有时我们不用电压而用“电平”来说明信号的强弱,信号强就说“电平高”;信号弱就说“电平低”。数字电路中传送的是脉冲信号,脉冲信号只有两种状态:“有”脉冲或“无”脉冲;脉冲信号处于“高”状态或“低”状态。所以只要用“高电平”和“低电平”就可以区别和表示这两种状态。
还要说明一点,“高电平”和“低电平”是对同一个信号的两个不同状态而说的。因此在不同场合,它们可能会有各自的规定。例如,一个输入脉冲信号,低时是-3伏,高时是+3伏,那么,这个信号的低电平就是-3伏,高电平是+3伏。又如另一个输出信号,低时是0伏,高时是+9伏,那么它的低电平就是0伏,高电平就是+9伏。可见两个信号的高电平值并不相等,低电平值也不相等。下面我们在分析二极管与门和或门时,就是把+3伏作为信号的高电平,把0伏作为信号的低电平。
现在我们按四种情况分析二极管与门电路:
(1)当图4的输入端A、B全部是高电平时。因为电源电压E\(_{0}\)是+12伏,二极管Da、D\(_{b}\)都处于正向偏置,所以都导通,输出端Z的电压是+3.7伏。如果忽略二极管压降,也可认为是+3伏,因此是高电平。这时相当于门被打开。
(2)当A为高电平,B为低电平时。这时虽然电源电压是+12伏,D\(_{a}\)、Db都是正向偏置,但因为B端电平低,D\(_{b}\)抢先导通。Db导通后使Z点电位成为+0.7伏,也可以认为是0伏。这样一来就使D\(_{a}\)处于反向偏置而被截止。因此,Z点的电位只能是0伏,是低电平。这时相当于门被关闭。
(3)当B为高电平,A为低电平时。结果和第二种情况相同,门被关闭。
(4)当A、B都加上低电平时。因为D\(_{a}\)、Db都处于正向偏置而导通,所以Z点也是低电平,门仍是关闭的。
数字电路中,信号的状态只有高和低两种。对于一个有两个输入端的门电路来说,输入信号按高、低的组合共有四种情况。通过以上分析可见:这个电路只有当输入端A与B都是高电平时,输出才是高电平;其余三种情况都说明:只要有一个或一个以上输入端是低电平时,输出就是低电平。这种因果关系正是“与”的逻辑关系。
2.二极管或门电路
能实现“或”逻辑功能的电路叫或门电路。如果把图4中二极管和电源的极性都反过来,就得到图5的二极管或门电路。

我们也按前面的分析方法对它分析:
(1)当A为高电平,B为低电平时。这时D\(_{a}\)和Db虽然因电源电压是-12伏而处于正向偏置,但因为A点电位比B点高,所以D\(_{a}\)抢先导通。一旦Da导通后,输出端Z点电位便是+3伏,成为高电平。这时的D\(_{b}\)因处于反向偏置而截止。结果是相当于门被打开。
(2)当A为低电平,B为高电平时。结果和(1)相同,门是打开的。
(3)当A、B都是高电平时。D\(_{a}\)、Db都处于正向偏置而导通。输出端是高电平,门是打开的。
(4)当A、B都是低电平时。因为电源电压是-12伏,比0伏更低,所以两个二极管都导通,输出端是0伏的低电平。结果是门被关闭。
通过以上分析可见,这个电路只要输入端A或B或者有一个以上输入端是高电平时,输出端便是高电平。这种因果关系正是“或”逻辑关系。
三极管非门电路
能实现“非”逻辑功能的电路叫非门电路。图6是一个用晶体三极管组成的非门电路。

当输入端A加上+3伏高电平信号时,晶体管的发射结是正向偏置,使晶体管饱和导通。这时晶体管的饱和压降很低,只有零点几伏,可以忽略不计,因此输出端Z应该是近似于0伏的低电平。
当输入端A加的是-3伏低电平信号时,发射结是反向偏置,晶体管截止,集电极电位接近于E\(_{C}\)值(+12伏),因此输出端Z得到的是高电平。
通过以上分析可以看到:这个电路的输出端Z的状态总是和输入信号的状态相反:输入是低电平时输出是高电平;输入是高电平时输出是低电平。这种因果关系正是“非”逻辑关系。因为这个原因,“非”门有时也叫反相器。
复习思考题
1.二极管与门和或门是怎样实现“与”和“或”的逻辑功能的。
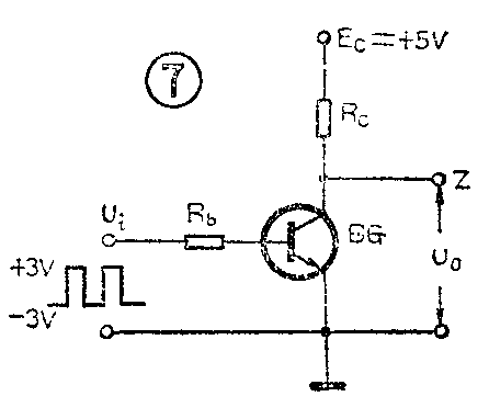
2.图7是一个非门,它的电源电压+5伏,假定输入信号高电平是+3伏,低电平是-3伏。这个非门输出信号U\(_{0}\)的高电平和低电平大约是几伏?

上期思考题答案
2.指示灯一秒闪亮一次。指示灯上的电压最高约为+12伏,最低约为0伏。(俞鹤飞)