5.存储器与系统的连接。在讨论了以上各有关信号的基础上,我们将进一步阐述RAM4164与系统的连接。图9给出了动态存储器RAM4164与系统的连接逻辑图。当CPU访问RAM时(φ\(_{0}\)正半周),若进行的是读操作,在GA2有关信号控制下,数据由DO端送入GA\(_{2}\),通往数据总线的通道D0~D\(_{7}\)被打开,数据进入数据总线读入CPU。写操作时,由于存储器写数据通道DI0~DI\(_{7}\)直接接数据总线,而不经过GA2,故数据在写控制信号作用下,由数据总线直接进入RAM。当CRT访问RAM时(φ\(_{0}\)负半周)先读出RAM中的字符或图形信息,同时关闭通往总线线通道,字符或图形信息沿BD0~BD\(_{7}\)送往视频电路。读键盘数据时,由键盘插座送来的键盘数据B0\(_{6}\)进入GA2\(_{7}\)被STB-2内部自动置为“1”,通往数据总线的通道D\(_{0}\)~D7被打开,键盘数据B\(_{0}\)7被送往数据总线,转存在RAM4164的键盘输入缓冲区。

只读存储器ROM
XMF-Ⅰ和CEC-Ⅰ中都用到了下面三种EPROM2716、27256和2764。
1.EPROM2716。①引线定义:2716是一个2k×8位(16384位)EPROM,主要用来存放英文字符点阵,其引线定义见图10。由于2716EPROM容量是2k×8位,故只需11条地址线就够了。PD/PGM是为降低功耗而设计的一个控制端,加一个TTL高电平信号即可进行控制。CS-是片选信号,通常与PD/PGM连接,当片子未选中时,可使之工作在低功耗状态。V\(_{PP}\)为写入电压,一般为25V或12.5V。

②字符形成:2716EPROM中存放着英文字特点阵,每个字符由5×8点阵组成,亮点为1,黑点为0,但实际上字符点阵有一行空行,所以字符显示的点阵为5×7,这个空行也需要显示数据,所以共需要40位显示数据。“XMF-Ⅰ”机使用的2716中存放着英文大小写字符共52个,10个阿拉伯数字和23个符号,共占用680个字节,尚有剩余空间可以增加字符。因字符点阵为5×8,所以输出代码只需5位O\(_{0}\)~O4。现在以字符A形成为例,来说明字符图形与地址的关系。完成字符A的显示需要8个字节,每个字节含8位二进制数据,实际只用5位O\(_{0}\)~O4。地址线A\(_{1}\)03分别与视频数据线BD\(_{7}\)~BD0相接,A\(_{2}\)0分别与V\(_{C}\)、VB、V\(_{A}\)相接。A10\(_{3}\)取字符的ASCII码,如A字符ASCII码“C1”,存入缓冲区的码也是“C1”。送入显示之前要将显示字符A的属性(正常是白底黑字,反相是黑底白字及闪烁等)标志码加到D7、D\(_{6}\)两位送到指定的字将图形页存储区。所以一个8位ASCII码实际上只有6位表示实际的ASCII码,如“C1”:D7D\(_{6}\)D5D\(_{4}\)D3D\(_{2}\)D1D\(_{0}\)是11000001,D7D\(_{6}\)(11)表示A字符是正常显示属性,D5~D\(_{0}\)反映实际的ASCII码。当CRT访问存储器时,从字符图形页存储区取出带属性的A字符显示码“C1”送入BD0~BD\(_{7}\),作为2716地址A3\(_{1}\)0地址信息,而VAV\(_{B}\)VC则作为2716的A\(_{0}\)2地址信息,形成的地址码为11000001000($0604)单元,下个单元为$0605,依次取足八个单元内容作为显示数据,这八个单元内的显示数据显示出“A”字符,见图11。

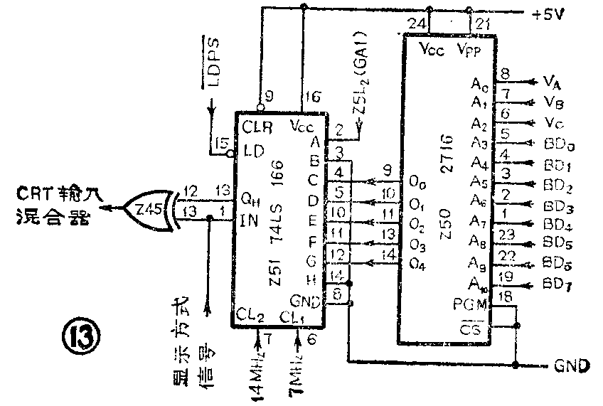
③串行信号产生:由字符存储器2716送出来的字符点阵是并行信号,而显示器(或电视机)要求输入串行信号,因此需要进行并行变串行转换。74LS166是一个完成并行变串行转换的8位移位寄存器,其引线定义见图12。它有一个串行输入端IN、八个并行输入端(A~H)、一个串行输出端Q\(_{H}\)、LD控制端和二个时钟信号输入端,可用其中一个作时钟信号。当LD=1时,由串行输入端输入数据;当LD=0时,由并行输入端A~H输入并行数据,串行输出。

④字符点阵产生逻辑电路:74LS166串并行控制端LD接系统计数控制时钟LDPS,见图13,当LDPS-=0时,LD=0,LS166并行输入串行输出,即将2716输入的O\(_{0}\)~O4送入LS166并行输入端C~G,由Q\(_{H}\)串行输出;当LDPS-=1时,LS166串行输入串行输出。串行输出是在14MHz时钟控制下进行的,由H~A依次右移位输出字符图形信息。但并行输入字节中只有五位是有效的,其余三位不用,办法是将H、B接地,A接视频显示方式控制端(GA1Z51-2端送来),Z51-2端信号还接去接另一个转换器,转换器输出信号送入异或门Z45-13脚,正常显示的Z45-13=0,反相显示的Z45-13=1,闪烁显示时的Z45-13接入8Hz的交变信号。

2.EPROM27256。它的容量是32k×8位(262144 位),可多次擦除改写。引线定义如图14所示。

“XMF-Ⅰ”利用了一片27256EPROM存放系统软件,其中最高2k存储区($FFFF~$F800)存放监控程序,32k×8ROM27256余下的30k分为三个存储体,各占10k,用来存放APPLE·SOFT(10k)和XMF· BASIC(14k)。而ROM区只能有10k($F800~$D000)可用,因此采用选体控制的办法,在每个选择时间内都能占据这10k空间,选体信号是:①C04D:退出1体,选0体;②C04C:退出0体,选1体;③C04B:退出2体,选0体;④C04A:退出0体,选2体。系统软件空间分配如图15所示。

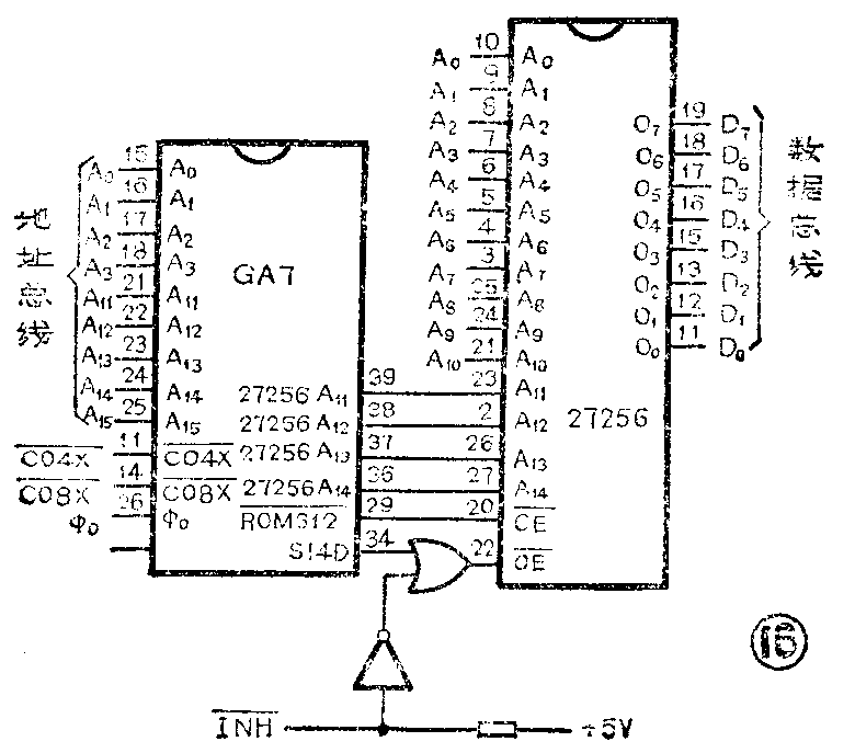
ROM27256的地址线共15条,这是因为每一个地 址选中ROM中的一个字节,即8(2\(^{3}\))位,故32k×8位的ROM27256只需15条地址线就够了。同等容量的ROM和RAM相比,ROM要少三条地址线。27256的地址线A\(_{0}\)10直接连系统地址总线,A\(_{11}\)14由门阵列器件GA\(_{7}\)的27256A11~27256A\(_{14}\)提供(见图16),该地址是经体选命令与高位地址逻辑转换后产生的影像地址。片选信号直接由GA7输出的控制信号ROMS12-进行控制,当对27256访问时,ROMS12-=0,否则为1。输出允许端OE-7的S140信号和外设接口来的ROM禁止线INH-的控制,只有当S140=0、INH-=1时,OE-才是低电平。27256数据D\(_{0}\)~D7直接与系统数据总线相接,V\(_{PP}\)为编程端,通常接高电平。

3.EPROM2764。它的容量为8k×8位,引线定义见图14所示。
2764在系统中作为汉字引导程序,汉字处理程序、打印机处理程序、磁盘引导程序等固化ROM。一字程序占用$CFFI~$C800,可扩充程序地址为2k,放在2764最高4k区域,接下来2k放打印机处理程序,软磁盘驱动器引导程序则占用$C6××共256个字节,汉字引导程序占用$C5××共256个字节,打印机引导程序占用$C1××共256个字节。ROM2764固化程序空间分配如图17所示。

2764所需信号是由GA\(_{7}\)8组合信号提供的,它与系统连接如图18所示。(乌振声)
