音响频谱显示器是一种新型的音响信号幅频显示装置,在国内外电子音响产品中逐渐被采用。本刊曾在1987年第7期上向读者介绍过一种扫描式实时频谱显示器,本文在这里再向读者介绍一种瞬态音响频谱显示器,这两种显示器的工作原理有着本质的区别,前一种显示器的工作原理为实时扫描法,后一种显示器的工作方法为频压法,即将频率信号转换成电压信号驱动显示器的方法。这种方法精度虽不高,但成本较低,完全可满足监视和观赏的需要。
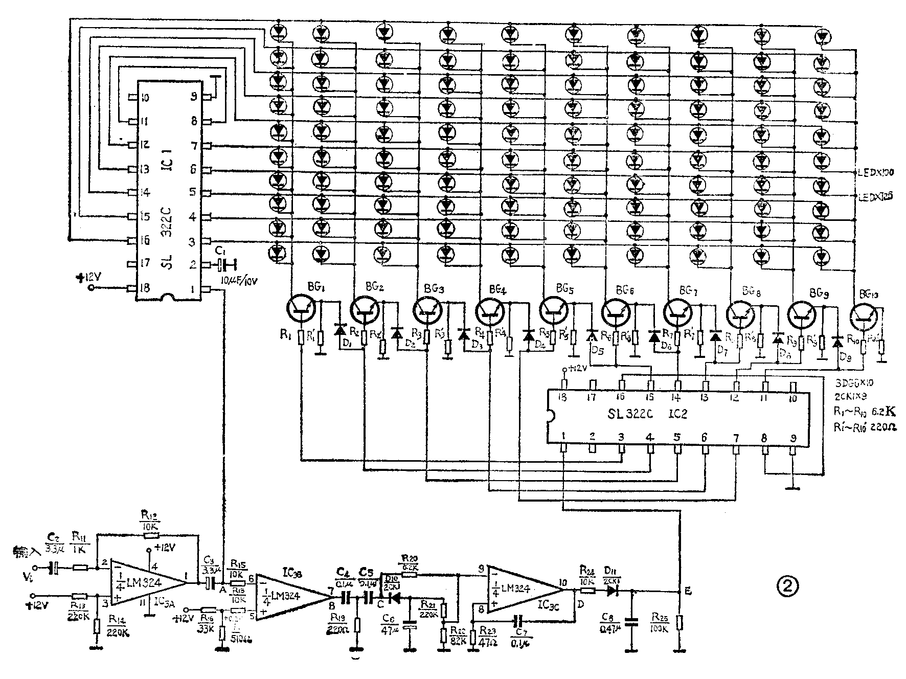
图1为这种瞬态音响频谱显示器的原理框图。图2为显示器电路图。两块发光显示驱动集成电路SL322C承担X、Y轴驱动,BG\(_{1}\)~BG10、D\(_{1}\)~D9完成行选择,四运放集成电路LM324完成隔离放大、瞬时频率提取、频压转换。


在图2中,由运算放大器IC\(_{3}\)A组成的交流反相放大器,一方面将输入的信号放大,以使在信号较弱的情况下显示屏也能正常工作;另一方面利用反相运算放大器输入阻抗高的特点,使音响设备(即本显示器的信号源)与显示器电路有效隔离。放大后的信号经C3耦合,一路施加于IC\(_{3B}\)反相输入端,另一路馈送给IC1(SL322C)的信号输入端第1脚,信号波形如图3中的V\(_{A}\)所示。IC1的每一个驱动端都并接着一行发光二极管,至于这一行中哪一只发光二极管被点亮,取决于三极管BG\(_{1}\)~BG10哪一只管子导通,而三极管的导通(瞬时只有一只三极管导通)与否完全受控于输入信号的瞬时频率。

下面分析一下输入信号的瞬时频率是如何实现对三极管BG\(_{1}\)~BG10的控制的。IC\(_{3B}\)是一个单限比较器。放大后的输入信号送至IC3B的反相输入端,而同相输入端约有+0.2伏的比较电压,当信号电压高于0.2伏时,输出端便出现低电平,而低于0.2伏时输出端便出现高电平。这样便将变化的输入信号转变成宽度不等的脉冲波,如图3中V\(_{B}\)所示。输入信号的瞬时频率愈低,脉冲宽度则愈宽。由R19、C\(_{4}\)组成的微分电路将单限比较器输出的不规则脉冲波微分变成尖脉冲。如图3中VC,通过C\(_{5}\)的耦合,一路送给运算放大器IC3C的反相输入端,另一路送给由D\(_{1}\)0、C6组成的半波整流电路,产生约2.5伏的负直流电压。该直流负压经R\(_{21}\)、R22分压后,也加在IC\(_{3C}\)的反相输入端,使运算放大器IC3C通常处于正饱和状态。当微分后的正向脉冲通过R\(_{2}\)0加于运算放大器反向输入后,IC3C的输出端便跃变为负饱和。经C\(_{7}\)、R23值决定的时间间隔后,输出端又自动恢复为正饱和。由此可见,IC\(_{3C}\)组成单稳电路,它可将间隔不等的尖脉冲转变成脉冲宽度相等的脉冲,见图3中VD,脉冲再经R\(_{24}\)、C8组成的积分电路积分,在E点输出缓变的直流电压,如图3中的V\(_{E}\)所示。
由上述分析可知,如果输入信号的瞬时频率高,经过一系列转换电路,在E点产生的直流电位也就高,如瞬时频率低,则E点电位也低。R\(_{25}\)及IC2的输入电阻(约25kΩ)并接于C\(_{8}\)两端形成放电回路,使得E点电位总是随信号的瞬时频率的变化而变化。D11起反向隔离作用。E点缓变的直流信号送到IC\(_{2}\)的输入端1脚,这样各驱动端电位也就受控于输入信号,实现了用输入信号的瞬时频率变化来控制一列发光二极管的点燃。从图2可见,由于二极管D1~D\(_{9}\)的加入,三极管BG1~BG\(_{1}\)0在瞬间只有一只导通。例如IC2的14脚驱动电平高,致使BG\(_{7}\)导通,BG7集电极上的一列发光二极管也被点亮。同时由于D\(_{6}\)导通,便使BG6的发射极电位箝至仅比14脚的驱动电平低0.4伏( 2CK1导通时的压降约0.4伏),这样加在BG\(_{6}\)基、射极的电压位差只有0.4伏,小于该管发射结导通电压Vbe,所以BG6处于截止状态。同理,BG\(_{1}\)~BG5截止。而BG\(_{8}\)~BG10则由于相应的驱动端电平太低也处于截止状态。所以,只有BG\(_{7}\)一只三极管导通。从上面的分析可看出,这个由二极管矩阵组成的显示器,其图形的变化由输入信号的瞬时幅度和瞬时颁率共同决定。信号的瞬时幅度决定了纵向发光二极管点燃的个数,而瞬时频率的高低则决定了哪一纵列二极管导通。随着瞬时频率的变化,纵向二极管被点亮而形成的“光柱”会左右移动。由于发光二极管的余辉及人眼视觉的“滞留效应”,显示器上的图案给人们的感觉是连续变化的。
印刷线路板可自行设计,调试时,将音频信号发生器接在输入端,用示波器分别观察A、B、C、D点的波形便可判断电路工作是否正常。在输入端改变音频信号发生器的输出频率,使其在125Hz~8kHz范围内变化,(录音机B级机频响指标),则E点的电位应随着输入信号频率的改变线性地从OV变到10V。如果电压变化范围不够,可改变C\(_{4}\)R19及C\(_{7}\)R23的数值,以满足要求。
由于本电路结构简单,因此对制作工艺无特殊要求。只要元器件良好,焊接正确,不用调整,即可装成。(陈永强 张家洪)