(陈克军)佳丽彩EC—227T型22英寸彩色电视机为香港生产,国内部分厂家引进组装。该机采用日本东芝公司的集成电路,具有频道数码显示等特点,与其电路相同的电视机有天虹、南宝EC-142/182型、海虹22英寸等。下面介绍一下该机常见故障的检修。
电源部分
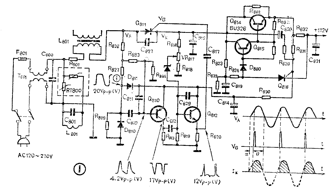
电源采用可控硅半波整流、稳压和电子有源滤波的开关稳压电源,具有过压过流短路保护电路,稳压范围在120~270V。电源电路如图1所示,其常见故障有四种情况:

1.开机后烧保险F\(_{8}\)01。出现这种情况应先检查交流部分,用万用表测量电源插头的阻值,正常时,正反向电阻值均在50Ω左右(R×1档),若电阻值很小,说明交流供电有短路,大多是自动消磁热敏电阻RT800失效短路(注意,这种情况,一般开机后F\(_{8}\)01立即熔断)。若电阻值正常,则说明故障不在交流部分,而在整流部分,主要检查可控硅Q811及晶体管Q\(_{814}\)、Q815是否损坏。
2.+112V电压为零。首先检查可控硅Q\(_{811}\)的阳极是否有交流电压VA,若没有,则应检查电源保险F\(_{8}\)01和限流保护电阻R801是否完好。若有交流电压,则可能有两种情况,一是Q\(_{811}\)有开路性损坏;二是在可控硅Q811的控制极上没有保证使其导通的触发脉冲V\(_{G}\),VA及V\(_{G}\)的波形见图1。若没有VG,应检查一下射随器Q\(_{812}\)的发射极与集电极是否短路,R832是否开路。
3.+112V电压偏低。电压偏低有两种情况:(1)只有30V左右,并有摆动。这种情况是电源没有启动,应先检查一下二极管D\(_{81}\)0的负极有无20V左右交流电压,若无,则可能是D810击穿,因为当D\(_{81}\)0击穿时,输出电压降低并发生摆动。如果D810负端有20V左右的交流电压,则应检查晶体管Q\(_{81}\)0是否损坏,因为Q810不良时,控制脉冲V\(_{G}\)的频率即发生变化,从图1VA和V\(_{G}\)的波形可以看出,当VG频率变化时,则Q\(_{811}\)的导通角θ发生变化,θ变化后,则整流出来的直流电压VK也发生变化,因而使输出电压发生变化。(2)只有70V左右,R\(_{882}\)很热,并且光栅缩小、扭曲和伴音失真。这种情况应先断开负载看其输出电压是否上升到正常值,若上升到正常值,则说明故障在负载电路,反之故障在电源。在电源电路中,常见的原因是Q815各极间开路、Q\(_{814}\)基极开路,这就使由Q815、Q\(_{814}\)组成的联级射随器停止工作,电流经启动电阻R812流向负载,并在其两端产生很大的压降,使输出电压降低。
另外,有时开机后+112V电压正常,但过几分钟后下跌到70V左右,并伴有较严重的哼声,这多是负载问题,当负载电路有问题时,电流则下降,正常时电流在0.65A左右。
4.+112V电压偏高,约130V左右,并有摆动现象。这种现象一是负载开路,二是电源本身,在电源电路中,常见的故障是Q\(_{81}\)0的起动电阻R883的阻值变大,它的作用是开机瞬间给Q\(_{81}\)0一个偏压,当R883变大后,Q\(_{81}\)0基极电压降低,工作点偏移,控制角α变小,使Q811导通角θ变大,则输出电压升高。检修时,可通过测试Q\(_{81}\)0、Q812的工作点来判断。
行扫描部分
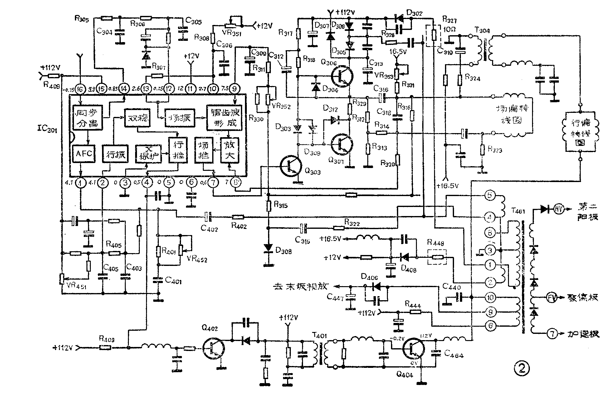
行扫描部分(见图2)由集成电路IC\(_{3}\)01、行激励管Q402、行激励变压器T\(_{4}\)01、行输出管Q404、行输出变压器T\(_{461}\)和行偏转线圈等元件组成。常见故障如下:

1.无光栅、无伴音。
(1)+112V电压正常,IC\(_{3}\)01④脚无电压。碰到无光栅故障,首先要确定行是否振荡,IC301的④脚无电压,说明行停振或振荡信号被短路,这时应测脚电压,正常时为9.9V,若电压为零或很低,可能是供电降压电阻R\(_{4}\)09变质或开路,若脚电压正常,再测①、②脚电压,正常时为4.1V,若电压很低,应检查定时电容C405,若电容正常且触②脚或调整VR\(_{451}\)有行频叫声,则说明行已振荡,有可能是Q402发射极与基极击穿,使振荡信号在此短路。如果外围元件都正常,则可能是IC\(_{3}\)01损坏,根据图2上所标的IC301各管脚电压,可判断IC\(_{3}\)01是否损坏。
(2)Q\(_{4}\)02集电极电压升高。Q402的作用是放大行振荡信号,正常时,基极电压为0.4V,集电极电压为42V,若基极电压正常,而集电极电压偏高,说明行振荡信号已加到基极,有可能是Q\(_{4}\)02各极间开路或发射极接触不良。另外,当T401和Q\(_{4}\)04基极开路时,Q402处于空载,也会出现上述现象。
(3)开机不久,烧电阻R\(_{444}\)。R444是行输出级限流保护电阻,它被烧,说明行输出级有短路故障。先测行输出管Q\(_{4}\)04集电极电阻,正常时正向电阻为4kΩ,反向电阻为6kΩ,并有充放电现象,若测量的正反向电阻很小或均为零,一种可能是逆程电容C464击穿,另一种可能是行管Q\(_{4}\)04击穿。Q404内含阻尼二极管,在be极间有一个30Ω左右的电阻。行管损坏后,再检查一下T\(_{461}\)是否损坏,为了保护行管,在Q404集电极上串一个1A保险丝,将R\(_{444}\)断开,串入电流表,正常时行电流为0.45A左右,如果通电后,在很短时间内,保险丝烧断,行电流升高很多,并且Q404、T\(_{461}\)很热,+112V下跌,甚至出现哼声,则说明T461绕组匝间短路。也可用万用表测T\(_{461}\)各脚电压来判断T461是否短路,表1列出T\(_{461}\)各脚在路对地电阻值。R444损坏后,可用1A保险丝应急代用。

(4)行振荡正常,+112V约为120V。供电电压偏高,说明负载较轻。行输出级是电源的主要负载。检修时,先测行管基极有无负压(-0.2V),若无负压,说明行振荡信号没有加上、应检查行激励变压器T\(_{4}\)01,通常是T401开路或虚焊。若有负压,并且集电极电压也正常,应检查D\(_{4}\)08的负端有无+16.5V电压或用示波器看Q404集电极上是否有890V\(_{P}\)-P的行反峰波形,若上述都正常说明行输出级工作正常,故障出在亮度通道和末级视放,若上述检查都异常,有可能是Q404发射极与集电极极间开路。
2.光栅抖动,忽明忽暗,有干扰噪点。
先测量Q\(_{4}\)04集电极电压,看电压是否随光栅的变化而变,如果电压变化,一般说来是电源故障,若不变化或变化很小,再将R444断开串入万用表测电流,看表针是否随光栅变化而摆动,若摆动,多是行输出变压器内部打火,有瞬间短路现象,因而造成高压不稳、光栅变化。可用另一种方法进一步判断,将收音机打开靠近T\(_{461}\),若T461打火,收音机中除有“咝拉”的行频干扰声外,还有“卡卡”的声响。
3.行不同步或工作一阵又不同步。
首先检查行频的调整电位器VR\(_{451}\)和VR452有无接触不良现象,如果这两个电位器正常,再用示波器观察一下IC\(_{3}\)01的①脚波形是否正常,①脚的正常波形是峰峰值为3V的锯齿波波形。若①脚无波形或波形变差,则有可能是耦合电容C402损坏。因为当耦合电容C\(_{4}\)02的性能变差或温度稳定性变差时,使行脉冲无法反馈到①脚,则IC301内的AFC电路得不到比较信号,造成行不能同步。
4.有回扫线。
有回扫线又分为:无图象有回扫线和有图象有回扫线,无图象有回扫线主要是由于末级视放管没有正常工作,因此应检查末级视放管的集电极供电电压是否正常,正常时为160V,若此电压为零或很低,则是D\(_{4}\)06损坏。有图象有回扫线多是加速极电压过高或加速极电压的滤波电容C902开路造成的。
场扫描部分
场扫描部分(参看图2)由集成电路IC\(_{3}\)01、场推动管Q303、场输出管Q\(_{3}\)06、Q307、枕形校正变压器T\(_{3}\)04和场偏转线圈组成。常见故障如下:
1.水平一条亮线。
造成此故障的原因有两个:一是场振荡器停振;二是场输出电路有故障。区别的方法很简单:用改锥触及Q\(_{3}\)03的基极,若亮线有展宽,说明故障在场振荡部分,若亮线无变化,说明故障在场输出级(有时也会在场振荡级)。
(1)IC\(_{3}\)01的⑦脚电压偏高(约6V)。⑦脚是场锯齿波输出端,它的电压高低直接反映了IC301内的场电路的工作情况,这时应测量脚供电电压是否正常,正常时为12V,再测Q\(_{3}\)03是否损坏,若这两项检查均正常,则是IC301损坏。
(2)IC\(_{3}\)01的⑦脚电压为零。先测量⑩脚的场振荡电压是否正常,正常应为2.7V左右,若此电压正常,说明场振荡信号没有从⑦脚输出,这肯定是IC301损坏了,还有一种可能是信号从⑦脚输出后又被短路了,这时应检查一下Q\(_{3}\)03的发射极与基极是否有短路现象。若⑩脚电压异常,应检查VR351和C\(_{3}\)06是否损坏。
(3)场振荡正常,但开机不久R\(_{327}\)冒烟。这说明场输出级有短路现象,应测量Q306的集电极电压,正常时为60V,如果电压偏低,应再测发射极电压,正常时为24.5V,发射极电压偏低,有可能是管子本身的问题,可更换新管,如果集电极电压为100V,应检查D\(_{3}\)03、D309是否开路,因为当它们开路后,场锯齿波无法加到Q\(_{3}\)06的基极,因而出现水平一条亮线故障。
2.场线性不良。
首先检查电位器VR\(_{352}\)是否接触不良或开路,然后再检查R311、C\(_{3}\)09,如果R311变质或场锯齿波形成电容C\(_{3}\)09漏电,将使线性补偿网络发生变化,使场线性变差。另外,当D308短路后会使场幅度变小。
以上是该电视机常见故障的检修方法,为了方便读者,表2列出该机晶体管的主要参数及代换管型号,供读者参考。
