按本电路可作一个不停地演奏不重复的电子音乐的音响装置,它象是一个不懂音律的人在胡乱按动琴键,故称之为“乱弹琴”电路。当然,适当选择元件的数值可以使发音有某种规律。
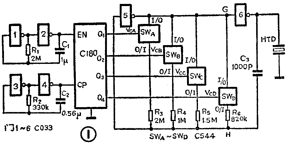
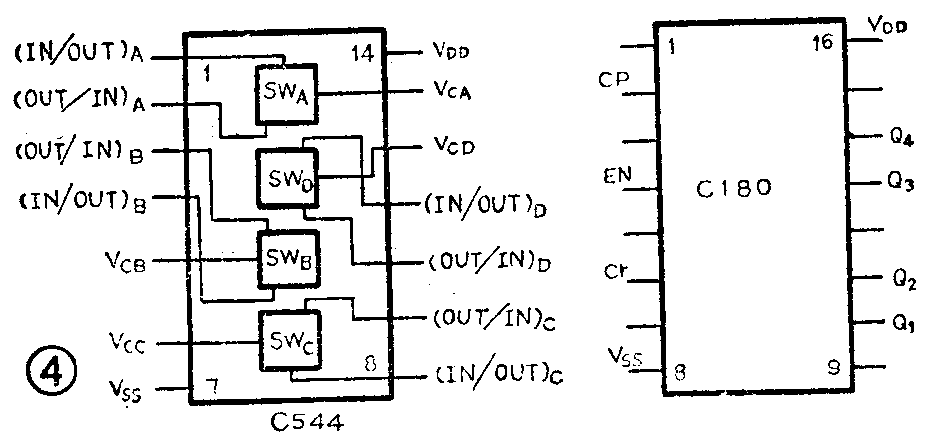
电路如图1所示,核心部分是二、十进制同步加法计数器C180。当C180的时钟端CP输入方波脉冲信号,同时在允许端EN接高电平,则由该脉冲上升沿触发计数;若EN接低电平,则电路封锁不计数。如CP接低电平,EN端输入方波,则由EN的下降沿触发计数;CP按高电平,则电路封锁不计数,输出端电位保持原状不变。由C033六反相器中的门3和门4组成的多谐振荡器,将振荡输出接至C180的CP端,EN接高电平,则C180的各输出端Q\(_{1}\)~Q4的电位变化如附表所示。各输出端的电位变化再去控制四双向模拟数字传输开关C544,当C544四个控制端V\(_{CA}\)~VCD中的某个控制端为高电位时,则这路开关导通;而当该控制端处于低电位时则这路开关断开,其作用相当于单刀单掷开关。这些开关分别串接在R\(_{3}\)~R6四个电阻上,同时并联在GH两端,与门5和门6及C\(_{3}\)组成多谐振荡器,由于R3~R\(_{6}\)是否接入电路是受模拟开关控制的,因而振荡器的振荡频率将按Q1~Q\(_{4}\)的电位变化而变化,带动压电陶瓷片发出不同声音。各模拟开关的导通断开、引起并联在GH两端电阻变化情况和压电陶瓷发声的音调变化都在附表中列出。现举例说明:当C180的CP端输入第三个脉冲,经上升沿触发后,C180的各个输出端中Q4、Q\(_{3}\)为低电平,Q2、Q\(_{1}\)为高电平(参看图2);C544各路开关中SWD、SW\(_{C}\)两开关断开,SWB、SW\(_{A}\)两开关导通,R3和R\(_{4}\)并联接入GH两端,并联总电阻为667kΩ,由门5和门6组成的多谐振荡器的振荡频率约为1071Hz,带动压电陶瓷片发出该频率的声音。参看图2虚线所指部分。



当C180的EN端接高电平时,压电陶瓷片HTD发声是连续的有规律的一组音响,图2为这组音响的音调变化与C180各端波形图之间的关系。由于C180是二、十进制计数。所以,当第11个脉冲上升沿到来时,又开始重复演奏这组有相等时间间隔的不同音符,各音符的音调由R\(_{3}\)~R6和C\(_{3}\)的数值决定。当C180的CP端接入脉冲不变,而EN端不固定在高电平上,也接入一方波脉冲信号,其重复频率较CP端低,这样压电陶瓷片发出的音调变化更复杂,当EN仍为高电平时,CP端按上升沿触发计数;而当EN为低电平时,CP端触发脉冲无效,电路封锁,输出端Q1~Q\(_{4}\)的电位保持原状,所发出的声音频率也保持不变,但演奏的时间延长了,如图3最下面波形中第二个音符就比第一个音符时间长。但这时电路的触发还出现另一种情况:当CP端为低电平时,EN端输入脉冲下降沿也将触发电路计数,从而影响输出端电位变化,见图3中EN波形图中加“/”号的触发沿。当CP端输入的脉冲频率不是EN端的脉冲频率的整数倍时,所演奏的音乐将以难以捉摸的规律出现,各音符演奏时间长短不一,仔细听来甚有趣味。不论改变R2、C\(_{2}\),还是R1、C\(_{1}\)的数值都能使旋律发生奇妙的变化。(姜立中)


