本文介绍的棋盘、方格电视信号发生器采用两块普通CMOS集成电路形成视频信号,再对高频信号调幅,通过拉杆天线辐射输出,电视机置三频道接收,在5米范围内可收到清晰稳定的棋盘或方格图象。该机电路简单,耗电省,适合业余爱好者自制。其主要技术指标如下:发射频率:65.75MHz(三频道)行频;15625Hz行同步宽度:5μS场频:50Hz场周步宽度:150μS图象黑电平与同步电平比例:75%整机电流:<7mA。
电路简介
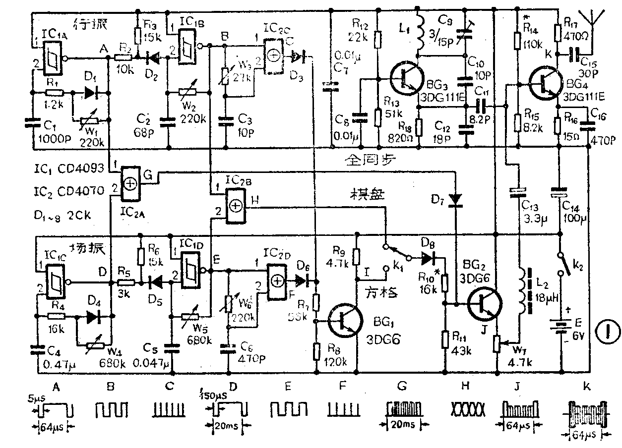
整机电路见图1,图中IC\(_{1}\)为带施密特触发端的四与非门集成电路4093,IC2为四异或门集成电路4070。IC\(_{1A}\)为行频振荡器,由于加入了D1、W\(_{1}\),使C1的充、放电时间不同,输出为周期64μs的窄负脉冲,脉冲宽度为5μs,可直接做为行同步脉冲,改变R\(_{1}\)的值可改变同步脉冲宽度,而调节W1的阻值,则只能改变脉冲周期,不影响同步脉冲宽度,以实现行频调整。IC1C为场频振荡器,输出为负的场同步脉冲,脉冲宽度150μs,决定于R\(_{4}\)的值,脉冲周期为20ms,可由W4调整。行场同步脉冲分别送至异或门IC2A“1”“2”输入端,经IC\(_{2A}\)混合形成全同步信号输出。由于异或门电路两输入端电位相同,输出为“0”,电位相反输出为“1”,因此,实际上输出端的场同步脉冲已被行同步脉冲开槽,如此,电视接收时在场同步期间行同步脉冲仍未丢失,可提高接收图象的稳定性。

IC\(_{1B}\)组成行棋盘脉冲振荡器,调节W2可改变其振荡频率,使在一行周期内输出六个脉冲,在电视屏幕上产生12个黑白格。行同步脉冲通过R\(_{2}\)、R3、D\(_{2}\)实现对该振荡器的同步,之所以采用这种同步方式,是由这种施密特门电路振荡器的特点决定的,该电路振荡时,其“2”输入端电平不是在OV和电源电压之间变化,而是在上下触发翻转电压之间变化,在IC1B“1”输入端加入同步脉冲,不能保证每次起振相位相同,通过二极管D\(_{2}\)接入同步脉冲,能保证同步同相,但由于每次同步脉冲到来时,C2将放电至“0”,起振后第一个脉冲太宽,影响棋盘图象的形成,为此加入了R\(_{2}\)、R3,使同步脉冲到来时C\(_{2}\)电平被箝位在R2、R\(_{3}\)的分压值上,即减小了第一个脉冲的宽度,又保证了同步。IC1D为场棋盘脉冲振荡器,一场周期内输出四个脉冲,即在纵向产生八个黑白格,脉冲频率可由W\(_{5}\)调节。行场棋盘脉冲分别送至异或门IC2B的“1”、“2”输入端,场棋盘脉冲为“0”,行棋盘脉冲同相输出,反之行棋盘脉冲反相输出,形成棋盘图象信号送至K\(_{1}\)以备选择。IC2C组成行方格脉冲产生电路,IC\(_{1B}\)输出的行棋盘脉冲加至W3、C\(_{3}\)组成的微分电路,在W3两端形成微分脉冲送至IC\(_{2C}\)两个输入端,当棋盘脉冲的上升沿或下降沿到来时,W3两端瞬间电位反相,异或门IC\(_{2C}\)便输出一个正向窄脉冲,形成方格脉冲信号。由于每行六个棋盘脉冲,因此每行十二个方格脉冲,调节W3可改变脉冲宽度,即改变电视屏幕上形成的白竖线的粗细。一般脉宽为0.5μs。IC\(_{2D}\)组成场方格脉冲产生电路,每场形成八个窄脉冲输出,在电视屏幕上形成横条图象,调节W6可改变横条的粗细,一般脉宽为128μs。行、场方格信号通过隔离二极管D\(_{3}\)、D6、R\(_{7}\)、R8混合后加至BG\(_{1}\)基极,经BG1反相放大后送至K\(_{1}\)以供选择。BG2组成全电视信号形成电路。全同步信号经D\(_{7}\)直接加到BG2基极,棋盘或方格信号由K\(_{1}\)选择后通过D8、R\(_{1}\)0、R11分压加到基极,经BG\(_{2}\)射随放大后输出。改变R10的值可调整图象信号与同步信号的电平比例,通常图象信号黑电平为同步信号电平的75%。输出幅度则由W\(_{7}\)进行调节。BG3组成射频振荡器,频率为65.75MHz,C\(_{9}\)为频率校正微调电容。BG4组成调幅放大器,工作在甲乙类状态,高频振荡信号经C\(_{11}\)耦合至基极,视频信号则经L2C\(_{13}\)构成的低通滤波器加至基极,在BG4集电极形成高频幅调波由C\(_{15}\)耦合至拉杆天线辐射输出。
元器件选择与安装
图1中,IC\(_{1}\)用4093,IC2用4030或4070。D\(_{1~8}\)用2CK型,BG1、BG\(_{2}\)用3DG型硅管,β>60即可。BG3、BG\(_{4}\)则应选用截止频率大于300MHz,β>50的高频硅管,如3DG111E、3DG80、2G211等。L1采用直径0.52mm的漆包线绕成内径5mm的空心线圈,共14圈。K\(_{1}\)K2。用普通拨动开关。电路印制板图见图2。

调试与使用
电路安装无误后可接上电源进行初步检查调试,首先检查一下整机电流,应小于10mA。有条件者可先用示波器检查一下各点波形,并对有关元件进行适当调整,步骤如下:①测A点,为负向行同步脉冲,脉宽应为5μs,如不符调换R\(_{1}\),脉冲周期应为64μs,如不符调W1。②测B点,为行棋盘脉冲,调W\(_{2}\)使每行出现六个脉冲。③测C点,为行方格脉冲,每行十二个,调W3使脉宽为0.5μs。④测D点,为场同步脉冲,脉宽150μs,不符调换R\(_{4}\),脉冲周期20ms,不符调W4。⑤测E点,为场棋盘脉冲,调W\(_{5}\)使每场出现四个脉冲。⑥测F点,为场方格脉冲,每场八个,调W6使脉宽为128μs。⑦测G、H、I各点,应分别有正向全同步脉冲、棋盘图象脉冲,方格图象脉冲输出。⑧测J点,为全电视机频信号,图象信号黑电平与行同步脉冲的幅度比例应为75%,如比例不当可调换R\(_{1}\)0。⑨测BG3发射极,应有高频振荡信号,改测K点,应有高频幅调波输出,调W\(_{7}\)使调幅度约为40%。以上波形可参见图1。调试完毕后,再用一台正常的电视机置三频道接收,将信号发生器拉杆天线拉开放到离电视机2~3米处,调C9使电视机接收信号最强,再将K1置“棋盘”位,调W7使电视机收到的棋盘格图象最佳。此时如发现行场不同步可对W\(_{1}\)、W4再做调整,如发现横格或竖格数目不当可重调一下W\(_{2}\)或W5,如发现横格或竖格宽度不匀(一般是一宽一窄重复),系4093输入上下触发翻转电平不对称所致,改善办法一是更换集成块,二是增加电路元件,将IC\(_{1B}\)或IC1D组成的振荡电路变形为图3电路,通过改变W\(_{B}\)中心头位置调整脉冲占空比即可满足要求。在印制板图中,已经留有增加元件位置,可视实际情况取舍。棋盘信号调好后,再将K1拨至“方格”位,此时电视屏幕出现12×8的方格图象,横线或竖线的粗细可分配调W\(_{3}\)、W6使之符合要求。至此整个调试工作即告完毕。(章熠)
