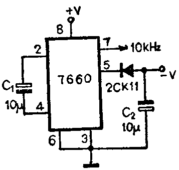
计算机应用中,往往需要±3V~±12V双逻辑电平,当电源只提供一组正电压时,通常用专用的直流/直流变换器集成电路ICL7660来获得一组负电压。图1是这种直流转换电路,当输入正电压为+1.5V~+10V时,可获得-1.5V~-10V的负电压输出,其最大输出电流可达20mA。

另外,由于ICL7660内部还含有振荡 器和CMOS模拟开关,从第7脚可输出10kHz的方波信号。
该转换电路可以用在RS-230接口或其它需要负电压的场合。文中ICL7660也可用国产5G7660代替。(许奇雄)
计算机应用中,往往需要±3V~±12V双逻辑电平,当电源只提供一组正电压时,通常用专用的直流/直流变换器集成电路ICL7660来获得一组负电压。图1是这种直流转换电路,当输入正电压为+1.5V~+10V时,可获得-1.5V~-10V的负电压输出,其最大输出电流可达20mA。

另外,由于ICL7660内部还含有振荡 器和CMOS模拟开关,从第7脚可输出10kHz的方波信号。
该转换电路可以用在RS-230接口或其它需要负电压的场合。文中ICL7660也可用国产5G7660代替。(许奇雄)