D触发器是一种双稳态电路,其应用相当广泛,它通常作为记忆单元构成各种寄存器和计数器。若在D触发器的外围接入一些RC网络,也可构成单稳态电路及无稳态电路。下面对它们的构成原理及简单应用作一介绍。
用D触发器构成单稳态电路
大家知道,单稳态电路的功能是在输入信号的作用下,其输出端可产生一个具有恒定宽度的矩形脉冲。图1所示的用CMOS D触发器构成的单稳态电路是如何实现这一功能的呢?我们可结合图2所示的工作波形图来说明其工作过程。


在图1中,D稳发器的数据输入端D接高电平V\(_{DD}\),直接置位(置“1”)端S接地,输出端Q与直接复位(置“0”)端R之间接有RC网络。由于置位端S直接接地,故电路稳定后Q端为低电平。
当V\(_{i}\)正脉冲作用到CP端时,D端的信号被传送到Q端,使Q端的状态与D端状态一致,故Q0由稳定状态的低电平变为高电平,此高电平的数值与V\(_{DD}\)相同,电路进入暂稳态。同时Q端的高电平通过电阻R向电容C充电,使R端的电位逐渐升高,当R端的电位达到其复位电平时,触发器被复位,Q端又由暂稳态时的高电平翻回初始状态的低电平。暂稳态结束,电路进入稳定状态。触发器Q端由高电平变为低电平所用的时间(即暂稳态时间)TW,为输出脉冲的宽度。由于R端的复位电平VR约为电源电平的一半,Q端的高电平V\(_{DD}\)给C充电到VDD/2所用时间为0.69τ,故单稳电路输出的脉冲宽度T\(_{W}\)≈0.69RC。当Q端由高电平变为低电平时,C通过二极管D迅速放电,为下一次充电做好准备。
改变RC网络的时间常数,可以改变单稳电路输出脉冲的宽度。由于R端(为CMOS电路的输入端)输入电阻很高,对充电时间影响很小,故电阻R的上限取值可以较大,可在几十千欧至几十兆欧之间选择。而电阻R的取值下限因受触发器Q端输出电流的限制,一般应在几千欧以上。
用D触发器构成无稳态电路
无稳态电路没有稳定状态,它在两个状态(“0”态和“1”态)中自动翻转,形成多谐振荡,产生脉冲波形。用D触发器构成的无稳态电路如图3所示,其各点波形见图4。图中,输出端Q与复位端R之间以及Q-端与置位端S之间均接有RC网,数据输入端D与时钟脉冲输入端可接高电平或低电平,对电路工作均无影响。因为只要S端和R端有置位和复位电平,触发器就被优先置“1’或置“0”,而不受其它输入端信号的影响。


设电路在接通电源后,Q端为低电平,Q-端为高电平。则Q-端的高电平通过R\(_{1}\)向C1充电,使S端电位逐渐升高,经过T\(_{1}\)=0.69R1C\(_{1}\)时间,S端电位达到置位电平VDD/2,使触发器发生翻转,Q端变为高电平,Q-端变为低电平。同时,C\(_{1}\)通过D1向Q-端迅速放电,为下一次充电作好准备。另外,Q端的高电平通过电阻R\(_{2}\)向C2充电,使R端电位逐渐升高,经过T\(_{2}\)=0.69R2C\(_{2}\)时间,R端电位达到复位电平VDD/2,使触发器发生翻转,Q-端变为高电平,Q端变为低电平。完成一个振荡周期。然后,周而复始地重复上述过程,形成自激振荡。由上分析可知,若脉冲从Q-端输出时,其脉冲宽度为0.69R\(_{1}\)C1。若脉冲从Q端输出,其脉冲宽度为0.69R\(_{2}\)C2。此电路的振荡重复周期T=T\(_{1}\)+T2=0.69R\(_{1}\)C1+0.69R\(_{2}\)C2,两个时间常数R\(_{1}\)C1、R\(_{2}\)C2可以分别进行调节,互不影响。因此,输出脉冲的占空比是可调的。
应用举例
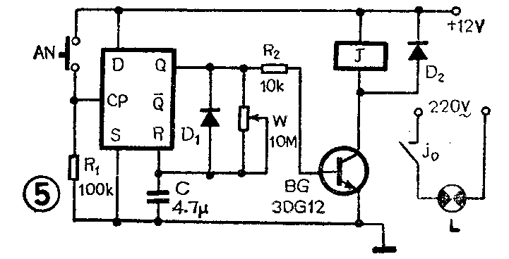
图5是一曝光定时器电路。曝光时间可在1秒至30秒内任意选择。图中,D触发器接成单稳态电路。需要曝光时,按一下按钮AN,即有一正脉冲作用于D触发器的CP端,使电路进入管稳态。这时Q端变为高电平,通过R\(_{2}\)向晶体管BG注入基极电流,使BG饱和导通,继电器J吸合,其常开触点JO闭合,曝光灯L点亮,曝光开始。经过TW=0.69WC秒(W单位为Ω,C单位为μF),电路自动返回初始状态,Q端变为低电平,BG截止,J释放,曝光灯熄灭,曝光结束。同时,C通过二极管D迅速放电,为下一次曝光作好准备。调节电位器W可以改变曝光时间。

图6为一种模拟式电容容量测量电路。此电路是单稳态电路与无稳态电路的综合应用。图中,用了两块D触发器,D\(_{1}\)接成无稳态电路,D2接成单稳态电路。它可以测量几pF至1μF电容器的容量,量程分100pF、1000pF、0.01μF、0.1μF、1μF五档。测量结果由外接万用表100μA电流档读出,且为线性刻度。

当单稳态电路输出脉冲的幅度一定时,其输出脉冲电平的平均值只与脉冲的频率或宽度成正比。如果将单稳电路CP端触发脉冲的频率固定,那么输出脉冲电压的平均值就仅与脉冲宽度成正比了。若将RC时间常数中的R固定,则平均电压仅与C成正比。有不同的C就有不同的脉宽,也就有不同的平均电压。于是,便可由直流电流(μA)表读出电容的数值。由于电流与电容成正比,所以刻度是线性的。应当指出,单稳态电路输出脉冲的宽度T\(_{W}\)应小于加在CP端触发脉冲的周期T,否则单稳电路将恒定输出高电平,这样测量结果就不正确了。
本电容测量仪校准时,需借助一只容量准确的电容器。如有一只1μF的标准电容器,将它接在C\(_{X}\)处,并将量程开关置1μF档,然后调节W使100μA电流表满刻度,1μF档就调好了,即满度1μF量程。其余各档不必一一校准,只要每减小一档,使量程开关所接入的电阻为上一档的10倍即可。这样,每一档输出脉冲的宽度都是相同的,又因为D1构成的无稳态电路向D\(_{2}\)所构成的单稳态电路提供触发脉冲的频率是恒定的,故每一档电流表都应指示满刻度,即满量程1μF、0.1μF……100pF。(晓康)