本文介绍的电子互锁开关电路主要有如下特点:(1)使用轻触式按钮开关控制,开关档数n≤10。(2)设有“本机/遥控”控制开关,可用BCD码进行遥控控制。(3)具有LED档位显示。(4)在关机后能保持关机前的开关工作状态不变。(5)当配接不同的开关电路时,可适用于数字或模拟信号的控制及转换。图1是该电路的电原理图。下面我们来看它的工作过程。

工作原理
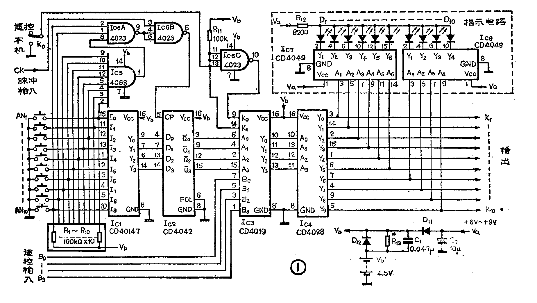
电路中IC\(_{1}\)是一块10线——4线优先编码器(CD40147),当它的I0~I\(_{9}\)任意一个输入端为低电平时,在它的输出端Y0~Y\(_{3}\)便输出一个与输入端相对应的BCD码。由于该电路具有优先编码功能,所以在同时按下多个按钮时,按键序数最大的位有效。当所需档位小于10时,只要把多余的输入端接高电平即可。Ic2是一块四D锁存器(CD4042)。它是用来锁存Ic\(_{1}\)输出的BCD码开关信号。当Ic1的任一输入端为低电平时,IC\(_{6}\)A的9脚便输出高电平。它将IC6B的3脚CK脉冲加到Ic\(_{2}\)的CP端。在CP为低电平时,传送数据,上升沿时则用来锁存D0~D\(_{3}\)数据输入端的BCD码开关信号。只要CK脉冲的周期小于手动按钮开关的时间,且占空比尽可能大,就能防手动引起的误动作。当释放按钮开关时,这时IC6A的9脚立刻为低电平,它把CK脉冲关断,按钮开关输出的BCD码开关信号就被锁存在Ic\(_{2}\)上。等下次再按按钮开关时,CK脉冲又被接通,用它来锁存新的BCD码开关信号,这样就起到了开关之间的互锁功能。整个锁存过程的工作波形图如图2。从Ic2输出的BCD码开关信号送到Ic\(_{3}\)的四、2选1数据选择器(CD4019)。它是用来转换本机控制或遥控控制。当本机/遥控开关K0放在“本机”位置时,选译器输出A\(_{0}\)3的开关信号,即本机开关信号。反之,则输出B\(_{0}\)3的遥控开关信号。经本机/遥控选择电路之后,这时从Ic\(_{3}\)输出的BCD码开关信号就可直接去控制数字或模拟开关电路。在图1中我们是用4线—10线译码器(CD4028)来输出开关控制信号。在该电路中,开关控制信号为高电平时有效。在Ic4的输出端还并接了二只六反相缓冲变换驱动器(CD4049)。当按下某个按钮时,可使相应的LED点亮。

为了使这只开关电路在关机后仍能保持开关的工作状态。在整个电路中使用了二组电源供电。其中V\(_{a}\)是整机的工作电源。当机器切断电源后,它就不工作。另一个是Vb电池。它在机器切断电源后,保持关机前开关电路的最后工作状态。当机器接通电源时V\(_{a}\)>Vb',这时二极管D\(_{11}\)导通,D12反偏。整个开关电路由V\(_{a}\)供电工作。其中Va还通过限流电阻R\(_{13}\)对电池进行充电。当机器切断电源后,供电电路自动地转换成Vb'供电。二极管D\(_{12}\)导通,D11截止。这样就不会有电流流入主电源回路中去。电路中的C\(_{1}\)是用来滤除Va到V\(_{b}\)转换时的干扰。在电路中,只对Ic1、I\(_{c2}\)、Ic5和I\(_{c6}\)使用了备用电源供电。使它们保持关机前的工作状态不变。因整个电路都是由CMOS电路组成。所以它的功耗很小。备用电源可在较长时间内维持关机后的开关状态不变。
制作与应用
整只电子互锁开关电路的双面印制板图见图3。图4是它的装配连接图。在这块电路板中没有装入按钮开关和指示电路,制作者可按自己的需要任意排列按钮开关和指示器的位置。该电路中的按钮开关也可使用导电硅胶按钮开关。一般只要装配正确无需调整即可工作。


当安装完毕在调整中发现工作不正常时,可由后向前逐级检查。如检查遥控输入状态与输出端指示灯能否对应。当K\(_{0}\)放在本机位置上,Ic2在有触发脉冲时,能否锁存它输入端的数据等。
当需要用数码来指示按钮开关档位时,只要将电路中的指示电路(I\(_{c7}\)、Ic8和LED)略去。在I\(_{c3}\)的Y0~Y\(_{3}\)输出端接上CD14511(4线—7段锁存译码器/驱动器)和LED数码管。就能用数码管的0~9来指示出开关现在正在接通的确切的档位。(林坚 韦波)