本文介绍的是一种能模仿小号音色的电子音乐卡,外形如图1。乐曲共76首,已预先固化在集成电路COP421中,通过演奏器上的键盘(0~9),使用者可以选择其中任意一首乐曲并在数码管上示出所选乐曲的编号。如果显示屏上示出数字后12秒内按PLAY键,显示屏上的数字会自动熄灭,同时扬声器演奏出相应编号的乐曲。如果显示数字后12秒内不按PLAY键,数字将自动消失。使用者还可以按M键,把自己选择的乐曲编号记忆在COP421内的RAM中,这时,显示屏上数字也消失,表示已送入RAM。以后任何时候按下PLAY键都可以奏出这首曲子。若想知道其编号,只要再按下RM键即可。如果不断电、不再按下M键,这首曲子就可以一直保存在RAM中。如果RAM中已存有一曲,可再另选一曲显示在显示屏上,而后按下PLAY键不放,扬声器则先演奏屏上显示的乐曲,然后再演奏RAM中记忆的乐曲,从而实现了两首连奏。用0~9这十个按键,在两位显示屏上共可显示99首乐曲编号,但由于COP421的ROM中只固化有76首乐曲,故当显示屏上的数字大于76时,COP421会先把数字减去76,然后再去选差值所代表的乐曲。例如,当屏上显示86时,86-76=10,即86号曲子内容与10号曲子内容一样,其余依此类推。COP421内部ROM固化的都是世界著名的乐曲,如生日歌、圣诞歌、婚礼进行曲、命运交响曲、故乡等,但每首演奏的时间都不长,在5~10秒间不等。

电路原理
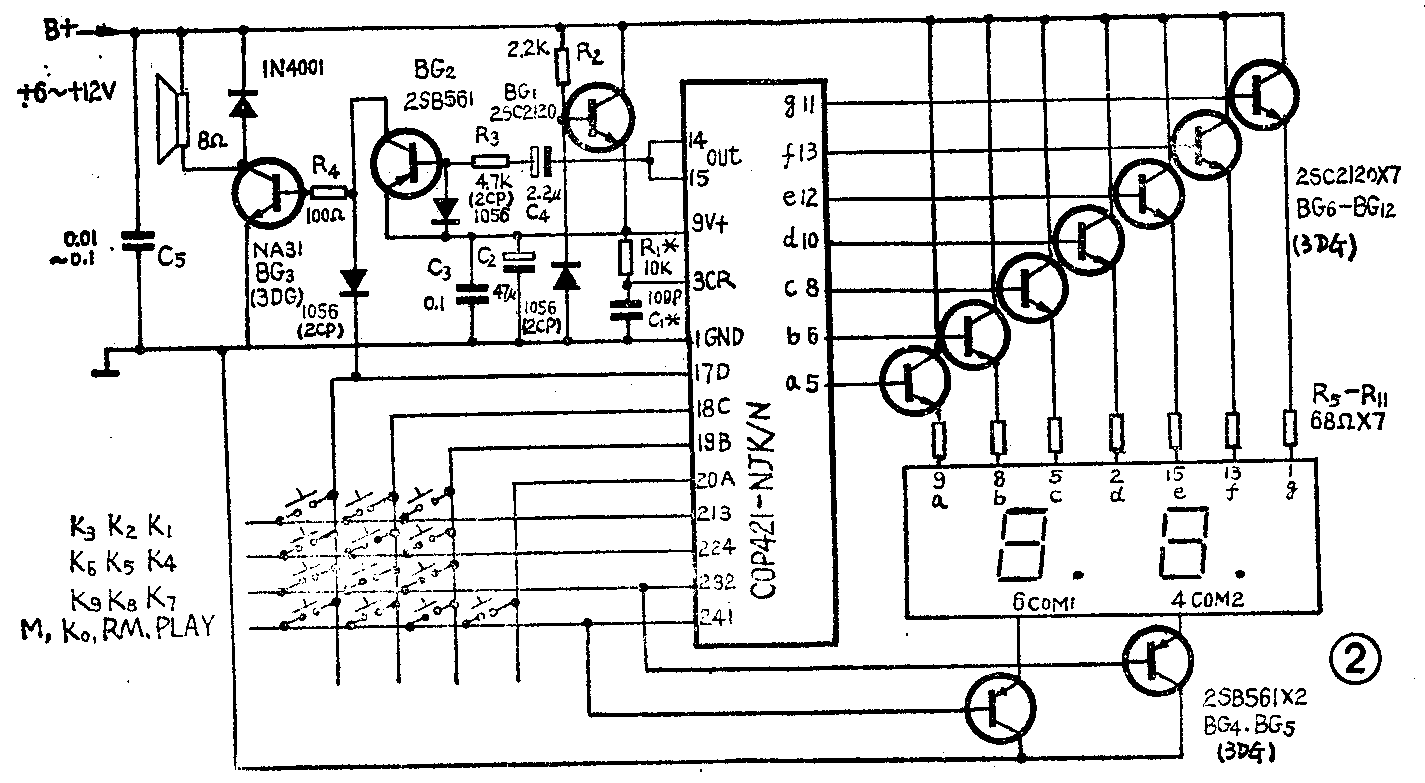
图2为整机电路图,其核心部件为COP421。它内部有ROM,用于固化76首乐曲及贮存对整个演奏器的管理程序;寄存器,用于存取乐曲编号;RAM,用于记忆需反复演奏的乐曲;减法器,用于输入乐曲编号大于76时做减法运算;译码器,用于两位七段数码管显示屏的译码;此外,内部电路还与外部CR元件构成时钟振荡器,振荡脉冲经整形后用于扫描键盘、读出ROM中的音乐程序、对显示屏进行扫描等。两位显示屏采用分阴级共笔段的连接方式工作,这样连接可减少集成块的外接引脚。

COP421的第20、19、18、17脚及21、22、23、24脚构成4×4矩阵键盘。工作时,只要按下某个键,且按下的时间大于键盘的扫描周期,这个数据就会被读进COP421的寄存器中,并通过译码器译出相应的笔段信号由5、6、8、10、12、13、11脚及23、24脚输出到两位数码管显示。寄存器只能存入两位十进制数字,送入第二个数字后,第一个数字会自动移向十位。当送入的数字超过两个时,只保留最后两位。曲数选出后,一旦按下PLAY键,则寄存器中的数据经译码选中ROM中相应的音乐程序并经14、15脚输出音频信号送外部放大器、扬声器放大发声。同时,寄存器中的数据被清除。若在显示屏上有数字显示的情况下按下M键,此时寄存器中的数据转移到RAM中,只要不断电,可长期保留。在RAM中有数据的情况下按下RM键,RAM中的数据将被读回到寄存器中,但RAM中的数据仍保留。若要消除RAM中的数据,可按两次M即可,也就是说M键兼有清除的功能。
演奏器的静态工作电流为15mA(6V)至20mA(12V),但动态电流达250~400mA。因此,供电电源必须有足够的容量。BG\(_{1}\)、R2等构成简单的电源滤波器。由COP421第14、15脚输出的音频信号经C\(_{4}\)、R3耦合到BG\(_{2}\)进行电压放大,再经R4送到BG\(_{3}\)进行功率放大,推动8Ω扬声器放音。COP421的第3脚与R1、C\(_{1}\)构成RC振荡器,可做一定量的调节以改变乐曲的音调及演奏速度。由于COP421的输出能力有限,BG4~BG\(_{12}\)负责两位LED数码管显示器的驱动。

安装与使用
套件中各元件均已焊好,通电后即可正常工作,无需调试。本演奏器除可作为欣赏音乐、训练听力、练习记忆等作用外,还可作为曲音乐门铃使用。由于演奏器发音宏亮,12V供电时输出功率达1W以上,故可方便地用于各种报警发声场合。(李隆)