计算机控制其外部设备是通过接口实现的,通常的接口电路都离不开D/A器件,而本文介绍的这种接口电路可以不用D/A器件。
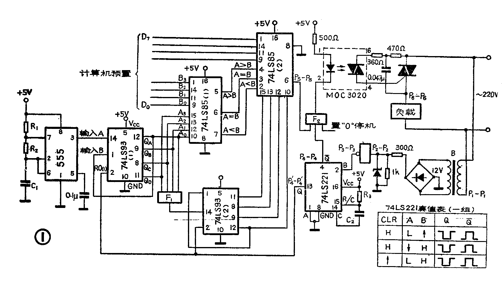
工作原理:图1是接口电路图。两片74LS93四位计数器和F\(_{1}\)构成八位计数器,两片74LS85四位比较器组成八位比较器。555时基块输出频率为F=1.46/(R1+2R\(_{2}\))C1的方波,作为计数器触发脉冲;八位计数器的输出数据和计算机预置数据一起作八位比较器的输入端,两组数据相等时P\(_{5}\)—P5输出一个脉冲。单稳电路74LS221输出信号见图2,在每半个交流波形中,P'\(_{4}\)—P'4为计数器清零一次,P\(_{4}\)—P4(与P'\(_{4}\)—P'4反相)此后变为高电平使与门F\(_{2}\)对P5—P\(_{5}\)呈允许状态;P5—P\(_{5}\)来到后,F2有脉冲输出,通过光电耦合器使双向可控硅导通。


调整:可控硅的导通角θ由计算机预置量决定,实际上θ只能在最小触发角θ\(_{0}\)和最大触发角θ1之间。θ\(_{0}\)与单稳态电路LS221的时间常数有关,TD≈0.7R3C\(_{2}\),调整R3和C\(_{2}\)可控制θ0的大小;θ\(_{1}\)只与LS221的输入信号P3—P\(_{3}\)的电平有关,因此它是个确定值。555的频率要选合适,一般要使计数覆盖0~255范围,R2选在100kΩ较合适。
安装调试完毕后,此接口电路即可接入计算机系统了,计算机在特定应用程序支持下可对外部被控设备实施控制,见图3;也可以摆脱计算机构成独立的闭环系统,实施较简单控制,如图3中虚线部分。(漆小平)
