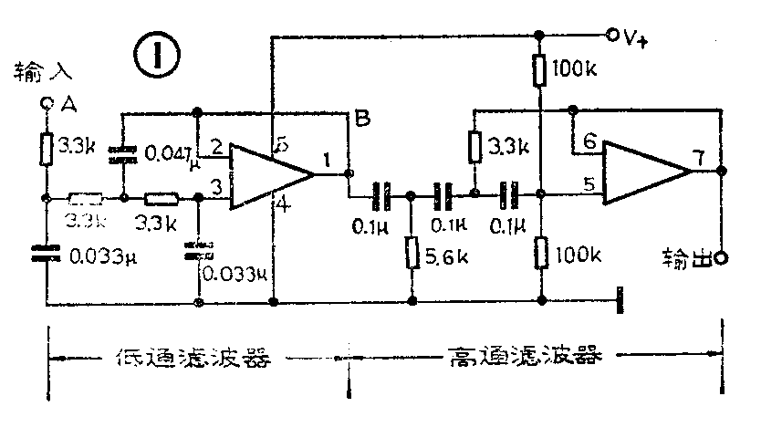
由于UM5101这类语言处理器的寻址能力有限,故其录放时间较短。为延长录放时间,适当地降低采样频率是一种有效的方法。但是,采样率降低后,录、放失真度和量化噪声都要大幅度地提高。为此,必须加用语音滤波器来改善。目前音频范围内的滤波器几乎毫无例外地采用RC有源程式,因为它体积小,成本低。图1所示电路为一实用的带通滤波器,其3dB转折频率为300Hz和3kHz,滚降特性为每倍频程18dB。图2示出了另一种带通滤波器的电路及频率特性,其滚降特性为每信频程35dB。当然,为降低成本,也可只用低通滤波器来滤除量化噪声,对于图1和图2的电路来说,此时均从A点输入信号,从B点输出即可。滤波器电路只要装接无误,无需调整,将信号输入端接到UM5101的第30脚即可正常工作,此时原30脚所接的0.47μF电解电容应去掉。经滤波器输出的信号,最好送外接功率放大器放大,不要再送到UM5101的第25脚,以免引起自激振荡。除信号输出端可以加语音滤波器外,话筒输出信号也可经滤波器处理。这时,只要将UM5101的第20脚偏置在1/2电源电压,并单设一话筒放大器,将话筒放大器放大和滤波器滤波的输入信号用电容耦合至20脚即可。(久泷)

