本文介绍一种带有五段图示式频率均衡器、以STK465作为功放级的立体声扩音机实用电路,供读者在制作时参考。
电路原理
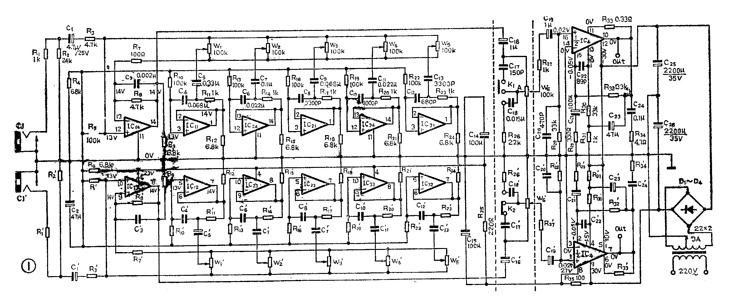
图1为整机的原理图,图中两条虚线将电路分成三个部分。左面部分为五段频率均衡电路。中间部分为音量和等响度补偿控制电路。右面部分为功放和电源电路。

在五段频率均衡电路中,每一段频率均衡电路实际上是以该段中心频率f\(_{0}\)为谐振点的带通滤波器。每个带通滤波器使用的电感是用运算放大器制作的模拟电感。我们把运算放大器接成如图2的电路,虚线方框部分就等效于一个电感L,它与电容C1一起构成串联谐振回路。由于集成运算放大器的开环增益非常高,所以其谐振频率f\(_{0}\)仅由外部电路元件R1、R\(_{2}\)、C1和C\(_{2}\)的值所确定,可方便地推出计算公式:
f\(_{0}\)=\(\frac{1}{2π}\)\(\sqrt{R}\)1R\(_{2}\)C1C\(_{2}\)

我们只要改变上述阻容元件的数值,便可获得所需的模拟电感L,从而得到预先选定的各段中心频率点。图3是一个频段均衡器的原理图。虚框内的模拟电感与C\(_{1}\)串联谐振于f0,对f\(_{0}\)频率呈现最小的阻抗Z0。当电位器滑臂移到IC\(_{1}\)的反相输入端“-”时,Z0与IC\(_{1}\)的反馈电阻R0的并联值最小,因而反馈量最小,电路的增益最高,相当于f\(_{0}\)及f0周围频率的增益得到了提升。电位器滑臂移到IC\(_{1}\)的同相输入端“+”时,Z0与IC\(_{1}\)的输入衰减电阻R'0并联值最小,使f\(_{0}\)及其周围频率的信号输入电压最小,增益被衰减。在实用电路中,我们将R1、R\(_{2}\)固定,通过改变C1、C\(_{2}\)的值来改变各段的中心频率。此处采用的集成电路LM324内部包含四个运算放大器,每个运算放大器的内电路见图4,图5是LM324的内部方框图。本电路共用三只LM324,有12个运算放大器。其中2个运算放大器担任左右两通道前置放大,其余10个运算放大器分两通道作五段频率均衡器。如果没有进口集成电路LM324,可用国产SF324直接代换。当直流电压为±30V时,LM324各脚的直流静态工作电压如图1中所示。



图1的中间部分是音量及等响度补偿控制电路。由于人耳对高低音的灵敏度是随着音量的减少而降低的,在音量较小时就感到高、低音不足。为了补偿这种听觉上造成的偏差,本机电路加上了等响度补偿电路,使音响效果更为理想。用于这种电路的电位器是特殊电位器,它在近地端增加了一个抽头。从图中看到,音量电位器的滑动臂逐渐接近抽头点A(以上边声道为例),中音与中高音通过C\(_{18}\)、R26被衰减,相对应低音被提升。另一方面,5千赫以上的高音通过C\(_{17}\)经控制开关K到抽头点A,由于这时电位器滑臂与A点很接近,其阻值很小,使高音频顺利地耦合到IC4进行放大,相对应高音被提升。这样就完成了等响补偿的作用。开关K倒向另一位置时,此电路不起作用。
图1的虚线右面部分是功放和电源电路。在这个电路中,我们使用了厚薄集成电路STK465。当直流电压为±30V、负载为8Ω、信号源内阻为Rg=600Ω时,可输出2×50W正弦平均功率,频响为20~20kHz。STK465的增益由C\(_{21}\)、R29决定,如增益不够可减少R\(_{29}\)增大C21,但要以不引起自激、能稳定工作为限。改变R\(_{28}\)和R32可以改变STK465的输入灵敏度,增大阻值可以提高其输入灵敏度,但两电阻的阻值必须保持相等。为保证集成电路能稳定工作,必须给集成块加上有良好散热效果的散热片,散热片的尺寸不应小于180mm×120mm×3mm,最好在集成电路与散热片之间加涂一层硅脂。最后应该注意,在有信号输入时,负载绝对不能短路,否则STK465会损坏。在直流电压为±30V时,STK465各管脚的工作电压见图1。
制作经验
本机的电源变压器使用的是进口冷轧硅钢片,铁芯截面积为22mm×35mm。初级用φ0.31mm高强度漆包线绕1080匝,次级用φ0.86mm高强度漆包线绕110+110匝,交流输出电压为2222流管选用3A、50V正向压降较小的进口二极管。经整流滤波后直流输出电压为30V+30V。
本机在设计线路板时,特别注意了元件的排列顺序,即按照电源—功放级—音调控制级—输入级顺序排列,避免造成自激和引起感应交流声。频率均衡器的电位器安装板见图6,主线路板见图7。这两块线路板设计成直角对焊式(互相焊接是90°),两板之间结合牢固,这样提高了整机的可靠性,使调试更为方便。另外,本机的音量及等响度控制部分设计为一块独立的线路板,见图7。使用者可根据自己的要求灵活方便地将其安装到面板合适的位置上进行控制,它与主线路板之间仅需两根双芯屏蔽线便可结为一体。音量及等响度补偿控制板应就近安排在主线路板输入端一侧,避免使用过长的连接屏蔽线。另外,由于STK465的工作电流较大,其正负电源引入线不宜过细。图5中在IC\(_{4}\)第9脚接有一只去耦电容C27(容量为100μF,耐压35V)是为了消除个别情况下STK465产生自激而增加的,在一般正常情况下可省去不用。


在选择元器件时,信号耦合用的电解电容器宜选用耐压高、漏电小的。频率均衡电路中的电容器宜选用介质损耗小、性能稳定的涤纶电容器。为使各段均衡器的谐振频率准确,电容器的容量应尽量与电路图所给的数值相等。(广惠)