匈牙利电视机TA3303、TA5309是采用泵电源供电。采取由T\(_{6}\)02和T603以及其它元件组成并联稳压器进行二次稳压,为高频头、中放、伴音、同步和行振等电路提供各组低压电源,这个电路如图1所示。该电路经实测和计算,它的效率只有38%。流经调整管T\(_{6}\)03的电流为400多毫安,则T603的管耗达4~5瓦,所以这种电视机的这个管子因热击穿而损坏的较多。笔者针对调整管T\(_{6}\)03易损的原因,把该电路改成简单的串联稳压电路,如图2所示。这时通过调整管的电流即为负载电流(约250mA),调整管的功耗仅1瓦左右,改制后该管很少因热击穿而损坏了。下边分两种情况介绍改装方法。


1.调整管T\(_{6}\)03损坏时的改装:笔者采用NPN型管SD3A取代原PNP型管BD136,组成的电路如图2所示。图3为原电路印制板图,改制按下边顺序进行:①从印制板上拆去原电路(图1)中的T602、T\(_{6}\)03、R619和D\(_{6}\)074只元件。②由于国产SD3A塑封NPN型大功率三极管的管脚排列与原管不同,因此不能直接焊上去。首先用塑料导线将管子SD3A各脚分别与印制板上T603的E、C、B各极焊点相连,然后将管子安装在原管的散热板上,在管子与散热板之间加垫云母片绝缘。③把R\(_{612}\)(6.8Ω)从T603的E极接点处焊开,改接在T\(_{6}\)03的C极接点处,图3中用虚线标出。④稳压管换成国产2CW21K或其它型号,稳压值在(20.5~21.5)V之间都可以代用,只要保证调整管发射极电压UA为20.5±0.5V即可。仍焊在板上原D\(_{6}\)07位置上,再用导线把稳压管的负极与T603的B极相连,图中用虚线标出。⑤R\(_{613}\)改为330Ω,R614用导线短接,R\(_{615}\)、R616、R\(_{617}\)和R618可全部拆除,只拆掉R\(_{615}\)和R618也行。

这样改动后因负载电流减小,稳压电源E点输入的+25V电压会上升到+(28~30)V,调整泵电源R\(_{61}\)0(原印制板上有标记此处未画出),使E点电压仍为+25V。改装完后通电测T603的射极(A点)电压是否为20.5V,如果不是,可调电阻R\(_{613}\)使该点电压为20.5V,则B、C、D各输出点电压将保持原来数值。
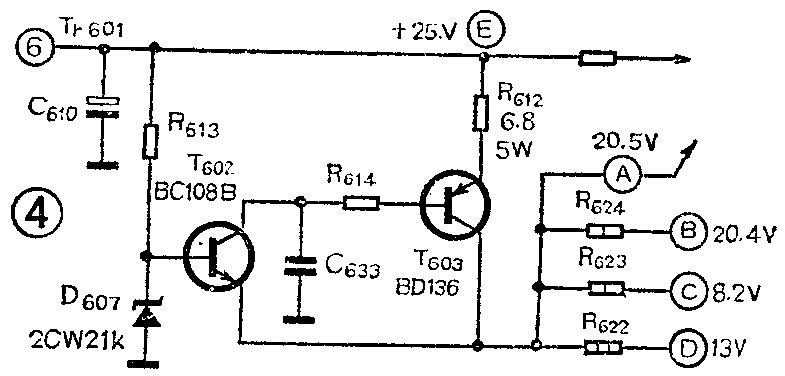
2.调整管T\(_{6}\)03完好时的改装:可用原调整管(BD136)作新电路的调整管,BD136是PNP型管子,因此电路采用复合管使它等效为NPN型管,电路如图4所示。改装时参看图5按下边顺序进行:①拆去原电路的R619、D\(_{6}\)07和R616。②将T\(_{6}\)02管的B极接点与R616活动臂接点之间的引线铜箔刻断,把T\(_{6}\)02的E极改接到R616活动臂接点上,用导线将R\(_{618}\)短接。③把D607换成2CW21K,稳压值选(20.5~21.5)V,仍焊在原位置上再用导线把D\(_{6}\)07负极与T602B极相接,图中用虚线标出。④把+20.5V输出线从T\(_{6}\)03的E极接点焊开改接到T603的C极接点上。最后调整一下R\(_{61}\)0使E点电压为25V,同样检查一下T603集电极(A点)电压应是20.5V,否则就要调R\(_{613}\)使A点电压为20.5V。(王永友)

