本文向读者介绍几种发光二极管的新用途。
查一查发光二极管的特性参数可以看出,它的正向电压降约为1.5~3伏。它的特性曲线和一般齐纳二极管也极相似,只是死区电压比齐纳二极管高零点几伏到一点几伏,其它方面没有什么区别。因此,发光二极管不仅只作为发光指示用,还可用来代替齐纳二极管,使用起来很方便。下面介绍几个应用实例:
图1a为某些音响电路中给晶体管提供稳定偏压的一个电路,图中D\(_{1}\)、D2串联起来利用其正向压降可提+1.5V稳定电压。图1b为用发光二极管稳压的电路,既可稳压又能发光指示。

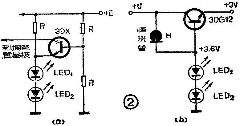
图2a为在一般6V晶体管稳压电源中的应用电路。 图中将LED\(_{1}\)和LED2两只发光二极管串联起来,利用其正向压降为电路提供一个稳定的基准电压。图2b是在一种直流稳压电源中的应用实例。

在一些电压要求不高、电流要求不大的电源电路(如测量或控制电路电源)中,发光二极管可用来作整流兼显示用,如图3所示。发光二极管的反向电压极限值大多能达到100伏;正向电流的极限值大多能达到50毫安左右。图中,I\(_{FM}\)为发光二极管的最大正向电流值,VRM为发光二极管实测反向击穿电压值。(包)
