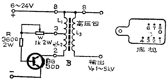
附图所示为一种简单的高压发生器电路,用于负离子发生器等。电路中统组L\(_{2}\)为BG提供正反馈,电阻R和电位器W为BG提供静态偏置,从而构成极简单的自激振荡器。图中B为17英寸黑白电视机的行输出变压器,详细接线如图所示。电路装好后,将两输出端靠近到几毫米的距离,应看到跳火现象。B也可用其它尺寸的行输出变压器,如不起振,可将L2端头对调一试。要注意的是,3DD低频功率管BG的耐压BVceo最好大于4倍的电源电压。(何平)

附图所示为一种简单的高压发生器电路,用于负离子发生器等。电路中统组L\(_{2}\)为BG提供正反馈,电阻R和电位器W为BG提供静态偏置,从而构成极简单的自激振荡器。图中B为17英寸黑白电视机的行输出变压器,详细接线如图所示。电路装好后,将两输出端靠近到几毫米的距离,应看到跳火现象。B也可用其它尺寸的行输出变压器,如不起振,可将L2端头对调一试。要注意的是,3DD低频功率管BG的耐压BVceo最好大于4倍的电源电压。(何平)
