KDD系列电子琴专用集成电路,由三片组成。KDD—49为49键旋律演奏电路。KDD—08为自动节奏电路。KD28为双通道音频功率放大器,其中一个通道用于放大KDD—49电路输出的乐音,另一个通道用于放大KDD—08的节奏乐音。由于这套电路集成度高,仅需外部很少量的支持元件就可组成整机。又因KDD—49片内采用数字音律发生器,可以较好的保证音阶的十二平均律分配。故用这套片子可以很方便地组成具有49键和多种音色及自动节奏的音乐教学电子琴。本文将对各片电路的功能、外部支持电路及由此套电路构成的电子琴整机等作一较详细的叙述。
KDD—49
图1为KDD—49电路片外形图。第2、3、4、5、6、7等6管腿与第26、27、28、29、30、31、32、33、34等9管脚组成8×9开关矩阵。其中第1至49点用于49个演奏键盘的键盘开关。第50和51两脚用于连续音和弹拨音的包络控制。第23脚接正电源(+5V),第8脚接电源地(0V)。第9、11、13、15和19、20、21、22等8管脚外接包络控制电路。第10、12、14、16等4个管脚为乐音输出端。第17、18两管脚接连续音和弹拨音包络选通显示控制端,可以直接驱动发光二极管。第1管脚对地接入1000P电容。第24和25脚,为主时钟振荡器频率控制端。接入电阻值的大小可以改变整个电子琴的绝对音高。

关于这个片子的主时钟振荡器频率控制有下述两点说明:
1、最简单的应用场合时仅在第24和25两管脚之间接入30KΩ左右的电阻,通过对电阻值的适当微调来整定绝对音高。这一方法虽简单但不便实现颤音控制。
2、另一种方法是在第24和25两管脚之间接入1MΩ电阻,把外时钟加于第24脚。外时钟及颤音产生方法后述。
KDD—08
图2为KDD—08的外形图。第8、9、10等3脚和11、12、13、14等4脚组成3×4矩阵开关。其中开关SK\(_{1~8}\)用来改变节奏花样。SK9作为节奏启停控制开关。SK\(_{1}\)0为节奏加速控制开关,SK11为节奏减速控制开关。第15、I6、17等3脚和第18、19、20等3脚组成节奏选通显示矩阵,不需外接放大电路就可直接驱动发光二极管。FD\(_{1~8}\)为节奏花样显示发光二极管,第9灯FD9为节奏启停显示发光二极管。第6脚为鼓音包络控制,第1脚为沙锤包络控制。第2、4脚为节奏乐音声频信号输出。

KDD28
图3为KD28的外形图。其中各引脚功能为:4、正电源(+9V),6、地(0V)。本电路有两个完全相同的通道。左通过:1为信号输入端;2为交流接地端;3为功率输出端。右通道:8为信号输入端;7为交流接地端,5为功率输出端。此片电路应用时请注意勿损坏所附的散热片,以免影响电路正常工作。

KDD电子琴整机
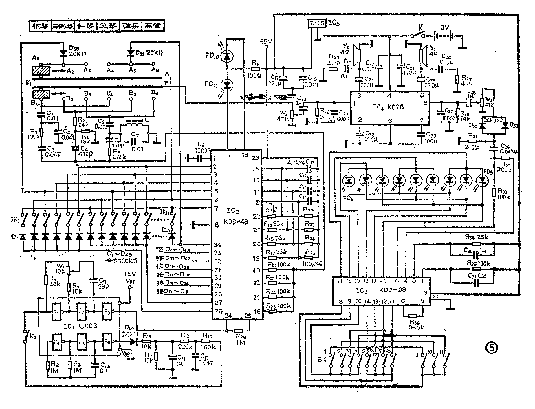
图5为由整套KDD系列电路组成的电子琴整机电原理图。

IC\(_{1}\)为CMOS六反向器,可以用国产CO33,也可以用其性能相同的其它国外产品如4069、4049等代替IC1的F\(_{1}\)、F2、F\(_{3}\)等三个反向器组成主时钟振荡器。F4、F\(_{5}\)、F6等三个反向器及外部元件组成颤音调制用低频振荡器。F\(_{3}\)的输出加于IC2的第24腿。
IC\(_{2}\)即KDD—49,它和外部矩阵开关、音色形成电路等组成旋律演奏部分。
JK\(_{1}\)~JK49为键盘开关触点。在组成电子琴时多采用装于琴键下部的导电橡胶触点来实现。K\(_{1}\)为2×6开关,六个位置可实现六种音色的选通。通过这个开关控制,利用KDD—49产生的两种包络和本图中给出的三种滤波器,可以形成钢琴、古钢琴、钟琴、风琴、弦乐、黑管等六种音色的控制。FD10及FD\(_{11}\)分别显示开关在1、2、3位置还是在4、5、6位置。接于IC2的15、13、11、9及22、21、20,19端的电阻和电容,是为了实现乐音包络的产生。三个滤波器的信号,来自R\(_{22}\)、R23、R\(_{24}\)、R25的结点处,此即在按键后送出的声频信号。KDD—49允许最多同时可按下4个琴键、从音色选择开关B点输出的声频信号,经W\(_{2}\)送至功率放大器。
在设计产品电子琴时,FD\(_{1}\)0、FD11、K\(_{1}\)和K2均放置在控制面板上。滤波器中的电感用图4所示的盒式磁芯绕制,导线用φ0.8漆包线,匝数为400。

电路中IC\(_{3}\)(即KDD—08)、节奏选择开关SK、节奏显示器阵列及外接电阻电容等组成自动节奏部分。
在组成产品电子琴时,SK\(_{1~11}\)及FD1~9均设置在控制面板上。
R\(_{36}\)用来产生节奏的主时钟,适当改变其附值可以使其节奏速度的快与慢的范围进行适当调整。接于IC3的5腿和1腿上的电阻和电容并联电路,用来产生鼓音和沙锤的包络。节奏乐音输出由R\(_{32}\)和R33送出。反接并联的D\(_{52}\)与D53是为了压低IC\(_{3}\)节奏起动后,在非节奏乐音期间的噪声。
IC\(_{4}\)(即KD28)的两个通道中,其一通道从W2输入IC\(_{2}\)输出的旋律乐音。另一通道从W3输入IC\(_{3}\)输出的节奏乐音。两个通道输出均配用4Ω扬声器。
IC\(_{5}\)是集成稳压电路,用来从+9V电源产生稳定的+5V输出,作为IC1、IC\(_{2}\)及IC3的V\(_{DD}\)。
整机电源为+9V,可以用1号电池供电,亦可采用交流整流供电。(刘彦茂)