音量、图象及彩色的数控操作
音量、图象(对比度)及彩色(色饱和度)的数控操作电路简图如图5所示。遥控盒上和机侧调节盒内有这三项操作的按键,每项操作有升(+)和降(-)两个按键。当按下这些键时,遥控盒的键控指令通过红外线遥控电路,送到中央处理机IC\(_{0}\)01的遥控输入端(12脚),而机侧调节盒的键控指令通过机内接口电路,送到IC001的键控输入端(13~16脚)。中央处理机接到这些指令后,通过程序控制将这些指令变成二进制的数字信息,从它的30脚送出到记忆存储器IC\(_{0}\)02的12脚输入而存储起来。与此同时,由中央处理机程序控制以1毫秒为周期读出一次数字信息从K端(37~40脚)输出加到IC003的D端(2~5脚),按固有程序向数模转换器IC\(_{0}\)03输送与这三项操作有关的数字信息。在这里将数字信息转换成脉冲信号,再通过滤波器转换成模拟直流电压,去控制相应的被控电路来完成这三项操作。

IC\(_{0}\)03的13脚输出控制音量的脉冲信号,经C028滤波、Q\(_{0}\)16射随器及由R213和C\(_{2}\)05组成的滤波器变成直流电压,从IC201的10脚输入加到IC内音量控制放大器,去控制音量的大小。IC\(_{0}\)03的14脚输出控制图象对比度的脉冲信号,经C029滤波、Q\(_{0}\)14射随器和由B081、R\(_{322}\)和C317组成的滤波器变成直流电压,从IC\(_{3}\)01的16脚输入加到IC301内图象控制放大器,去控制图象对比度的大小。IC\(_{0}\)03的15脚输出控制彩色饱和度的脉冲信号,经C040滤波、Q\(_{0}\)12射随器和由R317、R\(_{316}\)和C318组成的滤波器变成直流电压,从IC\(_{31}\)0的14脚输入加到彩色控制放大器,去控制色饱和度的大小。
从以上数控操作的介绍看到,中央处理机发出的各项操作数字信息,都要经数模转换器转换成模拟电压,去控制相应的电路来完成自动控制功能。因此下边将数模转换器IC\(_{0}\)03作一简要的介绍。
本机采用的数模转换器为一个有14个出脚的集成块,它有10个数据为4比特的寄存器,如图6所示。0~3号地址寄存调谐电压的13比特信息,4号和5号地址寄存音量控制电压的6比特信息,6号和7号地址寄存图象对比度控制电压6比特信息,8号和9号地址寄存彩色饱和度控制电压6比特信息。数模转换器IC\(_{0}\)03输入端D10~D13总线四路将中央处理机IC001的K00~K03输出端送来的信息送到IC\(_{0}\)03内地址寄存器。由地址译码器译成有关数据信息,再转入相应地址的数据寄存器。然后由时钟脉冲输入到各数据寄存器相对应的计数器,数据寄存器与相对应的计数器均同比较器连接,当计数器的数字与寄存器的数据相等时,比较电路即输出一个宽度相对于寄存器数据的脉冲信号,即数模转换器的输出信号。

彩条显示
彩条显示的位置在离荧光屏顶端226H处,H为两行扫描线之间的间隔,我国电视行扫描为625行,隔行扫描为312.5行,再减去回扫线后约有300行左右,因此彩条显示位于离荧光屏顶部约2/3处。当预选电台使调谐电压变化时,或控制音量、图象和彩色的量变化时,都会在荧光屏下部自左至右自动显示一条宽度为9H的绿条,长度随控制量的大小而变化,显示直观使用方便。
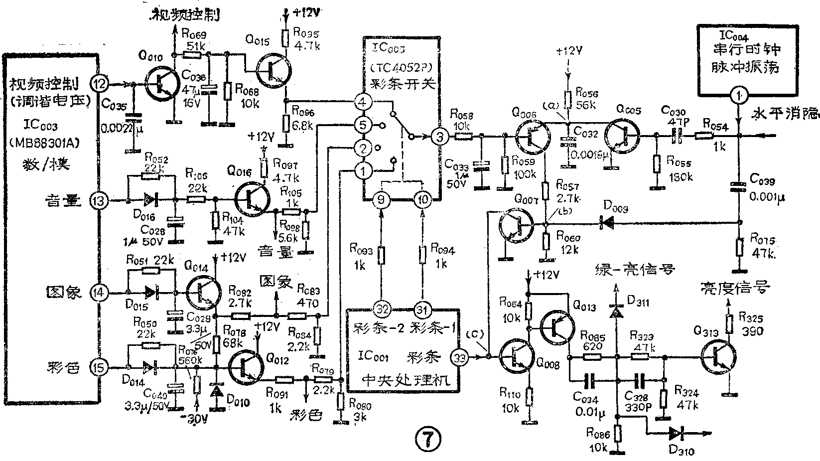
彩条显示的控制电路如图7所示。数/模转换器IC\(_{0}\)03的12~15脚分别输出调谐电压、音量、图象及彩色四种数字信号,分别经Q015、Q\(_{0}\)16、Q014和Q\(_{0}\)12射随器输出除直接送往各自的被控制电路外,同时又送至彩条开关IC005的4、5、2和1脚。彩条开关为一单路四位的电子控制开关,由3脚一路输出。开关四个工作位置的切换是由中央处理机IC\(_{0}\)01的31脚和32脚输出的二进制信息,加到彩条开关IC005的9脚和10脚来控制。

由中央处理机IC\(_{0}\)01的33脚输出彩条显示脉冲决定彩条在荧光屏上的位置,即在离屏顶端226H处输出宽为9H的脉冲,该脉冲使彩条自荧光屏的左端至右端全部出现。但这个脉冲受到彩条开关IC005的3脚输出的直流模拟电压大小的限制(通过控制电路的作用),即控制彩条脉冲的输出而改变彩条的长度。下边具体说明。
Q\(_{0}\)06的基极加上彩条开关IC005的3脚输出的直流模拟电压,如图8(a)中水平实线所示。射极接在由R\(_{0}\)56和C302组成的积分器上,C\(_{3}\)02又接在受水平消隐脉冲控制的Q005的集电极上。当水平消隐脉冲到来时Q\(_{0}\)05导通,C032通过Q\(_{0}\)05放电,其余时间Q005因失去消隐正脉冲的激励而截止,电源+12伏通过R\(_{0}\)56对C032充电,因而在Q\(_{0}\)06发射极加上如图8(a)所示的锯齿波。在这两个电压的作用下,从图8看出在t1~t\(_{2}\)时间内。Q006基极电位高于发射极电位而截止,而在t\(_{2}\)~t4时间内,Q\(_{0}\)06的基极电位低于发射极电位而导通,在它的集电极输出如图8(b)所示的脉冲电压,经R057和R\(_{0}\)60分压后加到Q007的基极。从图看出在t\(_{1}\)~t2时间内Q\(_{0}\)07基极电位为零而截止,因此它的集电极在这段时间内为高位而使彩条显示脉冲通过由Q008、Q\(_{0}\)13和Q313组成的彩条输出电路,加到G—Y重迭电路中绿—亮信号和亮度信号中,在荧光屏显出如图8下边屏上所示长度(实线)的彩条。而在t\(_{2}\)~t4段时间内,Q\(_{0}\)07的基极加的是正电压而饱和导通,使彩条显示脉冲对地短路了,因而彩条输出电路无彩条显示脉冲输出,荧光屏这段时间无彩条显示了。

当IC\(_{0}\)05的3脚输出的直流模拟电压按某一项指令要求升高时,如升到图8(a)中水平虚线位置,则锯齿波与直流电压的交点t2向右移到t\(_{3}\),从图上显见Q007集电极输出的正向脉冲变宽,即宽度由t\(_{1}\)t2增加为t\(_{1}\)t3,则彩条输出电路使彩条显示脉冲通过的时间加长,荧光屏上彩条也向右伸长了。为了防止9H彩条脉冲中的水平消隐脉冲的消隐作用不完善,造成彩条右侧产生淡色的拖尾。电路中将水平消隐脉冲通过D\(_{0}\)09加到Q007的基极加以消除这种拖尾。
字符显示
字符显示就是在荧光屏上显示电台节目号码及接收波段,其电路如图9所示。由串行时钟脉冲振荡电路IC\(_{0}\)04(TC40H002P)决定显示位置(在荧光屏的右上角),其振荡频率约为2.2MHz。这个振荡信号从IC004的11脚输出加到IC\(_{0}\)01的11脚,作中央处理机的串行时钟脉冲。IC001的19脚输入水平消隐信号,经中央处理机的控制使串行脉冲振荡器只在字符显示的位置(即显示区)起振,与此同时中央处理机以固有程序安排,在它的10脚输出相应的字符显示信号。这个信号经Q\(_{0}\)08加到Q305(视频缓冲级)的发射极而迭加在亮度信号(Y信号)上,一起送至亮度与彩色处理电路IC\(_{3}\)01的24脚,最后在荧光屏的右上角显示区出现规定的字符。

串行脉冲振荡电路IC\(_{0}\)04内含4个或非门,如图10所示。振荡电路由或非门Ⅲ、Ⅵ和R028、R\(_{0}\)29及C007组成,当或非门Ⅲ的8脚和或非门Ⅵ的12脚为低电位时振荡器起振,而8脚或12脚中任一个为高电位时。此振荡器即停振,由此起到门电路的作用。

或非门Ⅵ的12脚输入由水平消隐脉冲触发的控制脉冲来决定字符显示区的横向位置。横向位置控制脉冲由或非门Ⅱ、Q\(_{0}\)04、C010和R\(_{0}\)31组成。当水平消隐正脉冲进入或非门Ⅱ的3脚时,它的输出端的1脚输出负脉冲,则Q004的基极加上负脉冲(图11所示Q\(_{0}\)04基极波形ab段)而截止,集电极给出高电位而加到或非门Ⅵ的12脚使振荡器停振。当水平消隐正脉冲过后,+5伏电源经R031向C\(_{0}\)10充电,沿一斜线逐步变正(基极波形的bc段),其斜率取决于R031和C\(_{0}\)10之值的大小。当此电压达到Q004的导通电压V\(_{B}\)-E值时,Q004导通且基极电位保持一恒定值,当下一个水平消隐正脉冲到来时基极又变负,这样基极波形上边形成一个平台(图11中Q\(_{0}\)04基极波形的cd段)。在cd段时间内Q004导通而使集电极给出负脉冲(低电位)加到或非门Ⅵ的12脚,使振荡器能在这段时间内产生振荡。从图11看出这段时间正好是水平扫描1H的末端,即屏幕的右边,因此这段时间就是显示区横向位置的大小。由上分析知这段时间由R\(_{0}\)31和C010的充电时间决定,因此横向位置的大小可通过调节R\(_{0}\)31和C010来达到。

显示区的纵向位置由或非门Ⅲ输入端8脚的门控负脉冲的宽度来决定,这个负脉冲如图11右下角所示的波形,根据不同显示情况有(a)(b)(c)三种波形(图上有说明)。这些脉冲是由中央处理机IC\(_{0}\)01的35脚输出送到IC004的或非门Ⅰ的输入端5脚,经或非门Ⅰ变成负脉冲的,并从或非门Ⅰ输出端4脚输出送到或非门Ⅲ输入端的8脚。使振荡器能在这些负脉冲的出现的时间内产生振荡。这三种脉冲在中央处理机内是以垂直同步脉冲下降时并以水平同步计数器而决定产生的,垂直同步脉冲的下降时间正是场扫描的开始,正是屏幕的上端,因此决定了纵向位置,而这些脉冲的宽度决定了纵向幅面的高低。
其它数控操作
除上述介绍的几项数控操作外,本机充分利用中央处理机的数控功能,使电视机具备许多方面数控操作,如暂停开关、睡眠定时、节目完自动关机等,下边分别作一简单的介绍。
1.暂停开关:KV—1882CH耗电约65瓦,分两部分供电,其一是交流整流后直接供电,约14瓦,主要供给数控操作系统、伴音输出电路、水平偏转电路和行输出电路等。其二是行输出变压器次级低压绕组耦合的电压(行频)经整流得到的直流电压,约50瓦,主要供给高频头、信号通道、垂直偏转系统和显示系统等。暂停就是断开这个电源使整机功耗降为14瓦左右,处于备用状态。
当按下遥控器上的暂停开关,中央处理机通过遥控电路接到这个指令后,在它2脚输出高电位加到Q\(_{0}\)03基极(参看图12),Q003导通从射极输出正信号加到Q\(_{8}\)03的基极使它导通。而Q803接在行输出激励级Q\(_{8}\)01的基极上,当Q803导通时将行激励管基极对地近似短路而停止工作,行输出管就无输出而使行输出变压器次级就无电压,使电视机处于备用状态。当按下“接通”键后,中央处理机的2脚输出低电位使电路又恢复正常。

2.睡眠定时关机:该机具有60分钟定时关机功能,以备睡眠后自动关机。当按下遥控盒上睡眠开关键后,中央处理机接到这个指令后立即启动60分钟定时装置,到规定时间IC\(_{0}\)01的2脚输出高电位,同上述控制一样使电视机处于备用状态。
3.节目完毕自动关机:该机具有节目完毕无信号连续10分钟后自动关机的功能。当电视节目完毕无信号时,则中央处理机的26脚无帧同步信号输入,中央处理机作出判断在10分钟后,如暂停开关动作时一样使电视机处于备用状态。
4.字符显示:在预选电台或转换电台时,屏幕上均会自动显示字符,但数秒钟后显示自动消失。如果在看节目过程中想知道该节目电台号码,可按下字符显示键,中央处理机根据这个指令使具有节目号码的字符在屏幕上显示出来不会消失,只有再按一下此键字符显示即可消去。
5.伴音静止:收看电视节目过程中若需要喇叭不出声时,可按下遥控盒上伴音静止键,中央处理机的1脚输出高电位,加到IC\(_{21}\)0的15脚使IC内静噪电路起作用而无伴音输出。再按一下此键后中央处理机1脚输出低电位而恢复伴音。
6.恢复正常键:在制造电视机调节整机时,在记忆存储器中写入图象的80%及彩色的50%的信息作为起始数据。在使用过程中调节图象和彩色大小时,此数据会变动。但是当按下此键时,中央处理机发出命令使此数据恢复到起始数据。(冯子敏)