温敏晶闸管又称可控硅温度开关器件,它是一种pnpn结构、由三个pn结串联而成的三端半导体器件。它有三个接触电极即阳极、阴极和栅极。如图1所示。

温敏晶闸管的结构特性与可控硅整流器(SCR)基本相同。SCR由三个pn结(J\(_{1}\)、J2、J\(_{3}\))构成,用离子注入法使J2结对温度极敏感,使得SCR由正向阻断态向导通状态的转变实现温度控制功能,即温度触发的温敏晶闸管。当温度升高时,产生大量的电子、空穴对,被J\(_{2}\)结收集,这就相当在栅极触发情况下的栅注入一样,会改变温敏晶闸管的开关电压,不同温度下开关电压不一样。
温敏晶闸管的应用范围很广,可构成多种报警电路及各种过热保护电路,如电饭锅、电热褥的自动保温、调温、防止超温等电路。下面介绍几个典型的应用线路。
图2中安置了一路温度探测头,当某一路中的环境温度达到温敏晶闸管的开启电压温度时,这一路显示盘上的发光二极管发光显示,同时蜂鸣器也发出蜂鸣信号,起到温度报警作用。

图3是电机的过热保护电路。根据电机所能允许的最高温度,预先调节温敏晶闸管的开启电压。当电机过热时,使得紧挨着的温敏管转为导通态,使继电器断开,电机停止工作。

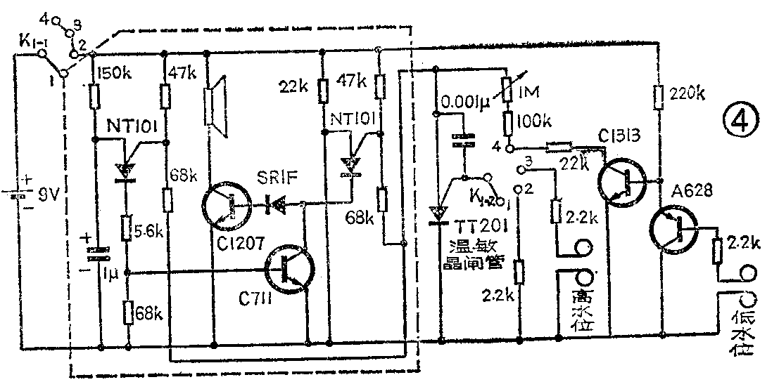
图4左边部分为电子蜂鸣电路,可作为浴池水温和水位控制。当选择开关打到相应档位时,温敏管所测得的温度使得管子导通,蜂鸣电路工作,表明水温已达到要求,否则继续加热。

图4中高、低水位的两个符号表示安装在热水器壁上的高、低两处的四个电极。当水没过一对电极时,两极接通。所以此电路同时又可以检出水位高度。(方培生 王雪燕)