在收录机、电视机等家电设备中使用的集成电路,大多数属于模拟电路,也就是输入信号、输出信号基本上是连续变化的电压或电流。在这些集成电路内部的等效电路中,常常可以看到各种形式、各种用途的差分电路,最基本、最常见的是共发差分电路。可以说:离开差分电路就不会有目前形形色色的模拟集成电路,特别是收录音机、电视机用的大规模集成电路更是如此。
要分析这些集成内部电路以了解其功能,首先应熟悉差分电路的原理、性能及特点,下面就共发差分电路的工作原理及应用作一介绍。
共发差分电路的构成
1、单管电路:在分析差分电路之前,我们先看一下单只晶体管放大器的构成及特点,见图1。图中,在晶体管外部加有基极偏流电阻R\(_{B1}\)(上偏电阻)、RB2(下偏电阻)发射极反馈电阻R\(_{E}\)及其负载电阻RL。用作放大器时,信号从基极输入,从集电极输出,由于集电极电流I\(_{C}\)是基极电流的hFE倍,因此它基本上是一个电流放大器。它的基、射极电压U\(_{B2}\)与IC的关系曲线如图2所示。工作点即工作电流的稳定依赖于R\(_{E}\)的电流反馈作用及RB1与R\(_{B2}\)分压点(基极偏压)的稳定。UBE具有负的温度系数(约-2.3mV/℃),若假设Ic保持不变,温度升高1℃则U\(_{BE}\)将约减小2毫伏多。如温度从75℃降到-25℃,则UBE要改变0.2伏以上。


2、基本共发射极差分电路:共发差分电路(见图3),它基本上是图1所示的相同两只放大器的组合,即两只晶体管的发射极连接在一起,R\(_{B1}\)、RB2及R\(_{E}\)公用。不同的是,为使两只晶体管的基极分开而不至于成为一点,特用两只基极电阻RB分别供给基极偏流,这就形成了具有两个输入端U\(_{I1}\)和UI2及两个输出端U\(_{0}\)1和U02的基本差分电路了。

由于基本差分电路是由两只单管电路组合而成,因此它有两种输入方式:若信号源为单端接地式则可用单端输入,输入电压为U\(_{I1}\)(或UI2),另一输入端可用固定电压源经分压电阻分压进行固定偏置。若信号源为差动式(如不接地的电桥差动输出),则需用双端输入,即在两输入端分别加上相位相反的电压。如果一边的电压升高,则另一端就降低。但无论哪种输入方式,对差分电路来说,其输入电压总是两输入电压的差值。即U\(_{I1}\)—UI2。
差分电路也有两种输出方式:一是单端输出U\(_{0}\)1(或U02),通常是使另一端的负载R\(_{L}\)=0来实现。另一种则是差动输出,即输出电压是两输出电压的差值U01—U\(_{0}\)2。
差分电路的一个重要特性是:当输入信号(U\(_{I1}\)—UI2)≤26mV以内时,它与输出电流Ic呈线性关系,故通常把差分电路看成为电压放大器。
共发差分电路的形式
目前的共发射极差分电路有几种不同的形式,可以满足各种特性及电路的要求。常见的有以下几种:
1.二极管补偿差分电路:图4所示差分电路是对差分电路的偏置作了一些改进,将下偏置电阻改用二极管正向稳压。由于二极管正向压降U\(_{F}\)基本上稳定在约0.6V,且与UBE一样具有负温度系数(U\(_{F}\)与UBE同时随温度升高而减小),从而可阻止I\(_{0}\)随温度升高而增加。此种补偿式差分电路省去一只偏流电阻RB,适用于单端输入的情况。

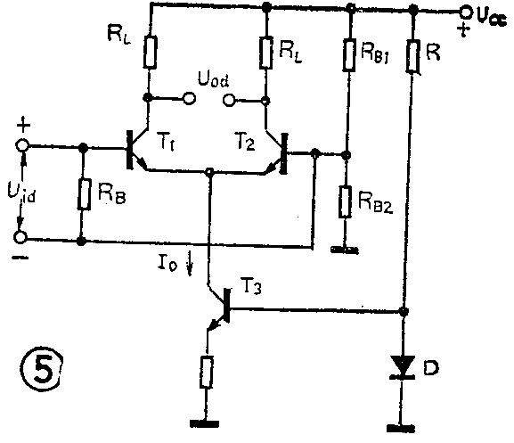
2、晶体管恒流差分电路:图5是用晶体管恒流电路为差分对提供发射极电流I\(_{0}\)的电路,其I0由T\(_{3}\)与二极管D所决定。因二极管D上的压降基本上是恒定的,即可使T3的基极电位恒定,从而可使I\(_{0}\)恒定。

3、恒流二极管式差分电路:图6所示为一用2DH系列恒流二极管来恒定I\(_{0}\)的电路。恒流二极管实质上是一种较长沟道结型场效应管。如果将3DJ6型场效应三极管的栅极G和源极S连在一起,就可以构成这种恒流源。

4、恒流I\(_{0}\)式差分电路;图7是用恒流源I0取代电阻R\(_{E}\),而使差分对总电流保持不变。再用负电源偏置,则可认为输入基极处于直流地电位。这样,差分对的工作点更加稳定,同时还克服了共模输入电压的影响,也就是使共模抑制比得到提高。另外还可以如虚线所示,把一只RB改连在两基极之间,为另一只晶体管提供基极偏流。当然还有其他形式的差分电路,这里就不多作说明了。

差分电路的性能参数
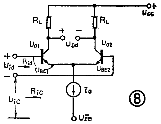
差分电路的性能参数除耐压、功率、电流、工作温度范围等外,主要有电压放大倍数,即电压增益Av、共模抑制比K\(_{CMR}\)、共模电压范围、共模输入阻抗Ric、差动(差模)输入阻抗R\(_{id}\)、失调输入电压、失调输入电流等,总之相似于运算放大器的参数。
图8所示为差分电路的一般形式。其中,U\(_{id}\)=UBE1-U\(_{BE2}\)是差动即差模输入电压,这是有用的信号。U0d=U\(_{0}\)1-U02是差动输出电压。共模输入电压U\(_{ic}\)即两输入端平均相对地线同时所加的电压由于它可使两输入端的电压同时升高或同时降低,因而这是一种不希望存在而实际中又不可避免的一种干扰因素。不难理解,我们希望共模电压增益AVC越小越好。电压放大倍数即差动电压增益 Av=U\(_{od}\)/Uid,通常希望它越大越好。差模输入电阻是两输入端之间的阻抗,一般为数千欧至兆欧。共模输入电阻R\(_{ic}\)是两输入端相对地之间的阻抗,一般在10兆欧以上。I0是射极恒流源。

共模抑制比K\(_{CMR}\)=Av/Avc。它全面地反映了差分电路对共模输入电压Uic给予输出作用的抑制能力,即抑制U\(_{ic}\)引起Uod变化的能力,也希望它越大越好。使用差分电路作放大的目的是稳定地放大差动输入信号,共模干扰应属去除之列,K\(_{CMR}\)就表示了去除共模电压的能力。KCMR大,不仅要Av大,还要求A\(_{VC}\)小。单用AVC还不能反应这种抑制能力的大小,只有Avc相对Av来说足够小,才有实用意义。反之,无论 Av如何大,也只有Avc相对小到一定程度时,Av才有实用意义。如果Av与Avc同时都很大,输出Uod中就不单包含U\(_{id}\)的成分,同时也含有较大的共模干扰Uic,的成分,信号就被淹没在干扰之中而不能分辨。显然Av与Avc同时增大或减小,对抑制同相干扰的能力均无益处。
输入失调电压是指两输入压降U\(_{BE}\)不平衡的情况。输入失调电流是指两输入直流电流不平衡的程度(即差别的大小)。二者都是以Uod为零伏作条件。
如果差分对两管特性完全相同(即失调为零,这在集成电路中是比较容易实现的),则电源、温度对两管的作用也相同。即使I\(_{0}\)不恒流,也仅使Ic1、Ic\(_{2}\)同时增大或减小,Uo1或Uo\(_{2}\)同时升高或降低,而差值Uo1-Uo\(_{2}\)不受影响。
共发差分电路的应用及在IC中的作用
共发差分电路的主要用途是:小信号电压放大、限幅、电平位转、检波等。在分立元件中晶体管完成的任务,在集成电路中几乎大部分由差分电路来完成。
放大与限幅:在音响电视机集成电路中,尤其是高中频放大器中看到的大多数差分电路用于放大。在图9电路中,T\(_{1}\)与T2、T\(_{4}\)与T5、T\(_{7}\)与T8分别构成三级差分放大电路,常用于调频收音机中频限幅放大。其中T\(_{3}\)、T6、T\(_{9}\)作缓冲兼电平位移,使差分对的工作电压UCE为两只PN结正向电压降。也有不用T\(_{3}\)、T6和T\(_{9}\)的,直接使差分对前后耦合。这样差分对在平衡状态下基极电位均相等,使担任输出管子的集电极电位等于下一级差分对的基极电位,故该输出管的UCE≈U\(_{BE}\)。

图10是由PNP差分对T\(_{3}\)与T4及NPN差分对T\(_{1}\)与T2构成的电平位移电路。输入电压Ui=U\(_{B1}\)-UB2,输出电压Uo=U\(_{B3}\)-UB4,它们都是差分对两基极电位之差值。又因T\(_{1}\)与T3、T\(_{2}\)与T4的集电极电流分别相等,只要T\(_{1}\)~T4的特性近似相同,则各管的U\(_{BE}\)与Ic特性相同,集电极电流相同下的UBE也相同。UBE1=U\(_{BE3}\),UBE2=U\(_{BE4}\),UB3-U\(_{B4}\)=UB1-U\(_{B2}\),即输入电压等于输出电压。

由于负载(PNP管)电流等于输入电流,Ii=Ui/R\(_{id}\)的hFE倍,即电流增大hFE倍而电压不放大。这就是说,从阻抗的概念来看,输出阻抗R\(_{L}\)为输入阻抗Rid的h\(_{FE}\)分之一,起到降低阻抗的变换作用,或者说是电流放大。输出电压等于输入电压无变化,只是直流静态电位发生了变化,由地电平移到近似Ucc\(^{+}\)的电平。
由于篇幅的限制,这里仅举了差分电路用于放大及电平位移方面的例子。除此而外,还可用于电流源电路,对数变换电路及乘法器等。总之应用相当广泛。(郝鸿安)