问:我们有一台港产VT—340E型录象机,但对它的维护要领不甚了解。听人说视频磁头脏了,宁可用清洗带清洗也不要用清洗剂擦拭,不然有易弄断磁头上的两个针尖。是否这样?另外据讲清洗带的使用时间很有讲究,那么最佳时间是多长呢?
答:视频磁头一般应使用无水酒精、石油醚、二甲苯等中性清洁剂擦洗,只要掌握好正确方法,是不会损坏磁头尖的。清洁时,可用一手持着蘸有清洁剂的麂皮或光滑软绸、压在磁鼓的磁头位置上,另一手沿顺时针方向缓缓转动上磁鼓。这样旋转一周后,就使磁头、包括“旋转消磁磁头”和上磁鼓都被清洁到了。若效果尚不太好,可照此再重复做1~3次,并用麂皮在视频磁头部位沿水平方向稍用力擦拭几次,直至污垢全被擦去为止。要注意切忌垂直来回擦拭,也不要用改锥、摄子等工具缠着或夹着沾有清洁剂的棉球去擦,更不能通电让磁鼓转动后再清洁,这样做都极可能使磁头尖被碰断或使磁鼓等元件出故障。
清洗带对磁头有磨损作用,通常每走10秒钟可磨损磁头1μm左右,比较可观,因此应严格控制使用清洗带,一般在以上擦拭不见效或无显效时才考虑使用。清洗带每次使用时间掌握在10~20秒为好,最长不得超过30秒,否则将过度磨损磁头,严重影响其使用寿命。(德沅)
问:为什么调节显象管荧光屏电压时,图象的清晰度会变差?
答:显象管中的电子枪是由电子发射系统和电子聚焦系统组成的。电子聚焦系统对电子流的聚焦作用主要由荧光屏电压和聚焦电极电压来决定。电视机在出厂时,已将显象管中的电子流调节到最佳聚焦状态,此时图象最清晰。当由于某原因要调节荧光屏电压时,如果不同时调节聚焦电极的电压,就会破坏电子流的最佳聚焦状态,使图象清晰度变差。因此,在调节显象管的荧光屏电压时,必须同时调节聚焦电极电压,才能恢复电子流处在最佳聚焦状态,以获得清晰的电视图象。(山风)
问:一台福日牌HFC—236型彩电的预视放电路中,晶体管2SA844D损坏,请问它的技术参数及代换管?
答:2SA844D在福日牌彩电的预视放电路中起着第二级预视放的作用。它系PNP型高频小功率硅管(日本产),其技术参数如下表:

在进口晶体管中可选用2SA836D或2SA836E和2SA844E,因为它们的技术参数值与2SA844D相同。
在国产管中可选用上海无线电二十九厂生产的CG844或是北京半导体器件五厂、十厂生产的3CG121C代换。
问:有一台昆仑牌B352—3型14英寸黑白电视机,其中2SC536损坏,不知能用什么型号的管子来代替?
答:2SC536是日本产的NPN型高频小功率硅管。该晶体管在电视机中适应范围比较广泛。它可用于行激励管、行振荡管、电源稳压前置放大管及电源误差信号取样放大管。它的技术参数主要的有:P\(_{CM}\)=0.2W,ICM=0.1A,BV\(_{CBO}\)=40V,BVEBO= 5V,h\(_{fe}\)=120。
能与之代换的进口晶体管有:2SC945,国产管有:广东汕头半导体器件厂生产的3DG945。3DG4A及3DG8A。(以上由屈梅回答)
问:一台青松牌N31F—2型黑白电视机,近来图象清晰度明显下降,特别画面细节部位更为模糊不清。仔细调整频率微调旋钮,效果总不理想,不知是何原因?
答:遇此现象应首先将频道转换开关拨至空频道,若光栅出现清晰的行扫描线,则说明显象管及聚焦电路良好,故障在通道和视放部分。因为图象的细节主要决定于视频信号的高频分量,如果视频信号的高频分量削减过甚,高频窄脉冲的前后沿时间变长,图象将失去清晰的突变分界线,就会使细节模糊不清。这种故障一般是由于视放级高频特性下跌,或中放级通频带变窄造成的。应仔细检查视放级频率补偿电路中2B13、2L\(_{8}\)和3C3是否短路或失效;中频谐振电容2C\(_{12}\)、2C16、2C\(_{2}\)0和2C26是否开路;各磁芯是否松动;各中放管性能是否良好;其发射极电容是否开路或失效(可用元件替换法检查);这些元件一旦有故障,都能引起中放级通频带变窄,而削减视频信号的高频分量,造成图象模糊不清。(王文凯)
问:一台日电牌CT—1820P彩电,工作一段时间后,再开机,出现无光无声,要关机过1~2小时后才恢复正常,这是何故?
答:出现这种故障很可能是电源电路中的电阻R\(_{6}\)02A受热后阻值变大造成的。接通电源后,从桥式整流输出的直流电压经R602A降压,给晶体管TR\(_{6}\)01的集电极提供直流工作电压,若电阻R602A的阻值受热增大,就会使TR\(_{6}\)01的集电极电位下降甚至接近零,造成TR601停止工作。 IC\(_{6}\)01电路是受TR601控制的,TR\(_{6}\)01不工作,IC601也无法工作,因而使稳压电源无输出,整机出现无光无声。因此,如果出现上述故障,应重点检查电阻R\(_{6}\)02A是否有受热而造成阻值增大现象。(郑振和)
问:一台30W×2扩大器,用日产WALK-MAN放音。当快进或快退完磁带以后,扬声器总传来“嗡”的一声。如何排除?
答:录音机快进和快退时,磁带运行速度很高,电动机工作电流也较大,近100mA。磁带运行到头,磁带和机芯内的摩擦轮、靠轮等突然停止转动,阻力急增。此时,电动机的工作电流也增大到200~300mA。电动机产生的干扰噪声增大,同时引起电源电压下降,改变了放音电路的工作状态。所以,产生噪声,也就是听到的“嗡”声。用简单的整流电源为 WALK—MAN供电时,该现象较明显,其中还夹杂着电源的交流声。在电机的正极与电源间串入一只数百毫亨的电感、增大电源退耦的电解电容、把简单的电容滤波电源改为有源滤波等措施,均有助于改善和消除“嗡”声。(朱中伟)
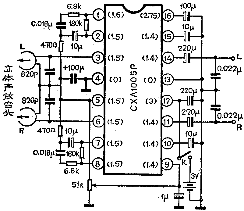
问:一台日产袖珍单声道放音机,供电电压为3伏,想将它改为双声道立使声放音机。请问用哪种集成电路合适?
答:目前适合制作立体声放音机的低电压单片集成电路不少。如日本索尼公司的CXA1005P制作上述放音机较为合适。它可在1.8 V~7.5V的电源电压范围内工作,其音量调节为直流电平控制,一个电位器可同时控制两个声音的输出电平,且能消除电位器的摩擦噪声。在3伏电压工作时输出功率为20mW,适合用32Ω×2的耳机听音。该集成电路的国内型号是D1005。外围元件的连接如附图所示。各管脚旁括号内的数字为该脚对地电压,电位器应选用线性(X)型的。(张国华)

问:一台狮山牌CR—388型双卡收录机因功放集成电路LA4507损坏而不能使用。最近邮购到两块同型号集成电路,但换上后却不行。经与邮购部交涉,他们说没问题,还给换了一块,但换上后仍无效。仔细检查有关电路及元器件都良好,这是什么道理?
答:在日产单列直插式功放集成电路中,有一些器件虽然同功能、同特性、同型号,但它们的引脚排列顺序却不一样。这主要是从便于灵活安装、以适应各种不同形式整机的需要这点上设计的。换句话讲,这类集成电路具有“正、反手”之分。因此在选购及使用时不能搞错,否则会引起整机无声或烧坏集成电路的故障。LA4507就是有“正、反手”之分的一种音响集成电路,这种集成电路的外形,在起始脚上常标注着色点或凹坑,由起始脚起数,依次为1、2、3……14。“正手”器件的管脚顺序与一般单列直播器件相同,即,自左向右排列(管脚向下,型号面向着观察者)。“反手”器件则正好与上相反,管脚自右向左排列。有些单列直插音响器件上不标注起始脚识别标记,其“正手”品种的管脚识别方法与普通单列直插器件一样;“反手”品种则在器件型号后加一个“R”以示区别,遇到这种型号的器件,管脚数法就要与“正手”品种数法相反。CR—388型机中用的是“正手” LA4507,若购来的是“反手”LA4507,就不能照原样装上整机,必须将它反置才行。(兰德)
问:一台多灵DL9000双卡收录机,用放音卡(A卡)放音时左声道出现交流哼声,其它功能均正常。请问如何修理这种故障?
答:这种故障在该机上经常出现。主要是由设计原因引起,该机的电源变压器距离放音卡磁头很近,又未采取屏蔽措施。电源变压器较强的漏磁场严重干扰放音卡磁头。所以出现该卡放音时交流哼声严重的故障。维修时可在电源变压器与放音卡之间加一个金属薄片作为屏蔽板,并将该板接地,即可消除故障。(徐鸿冈)
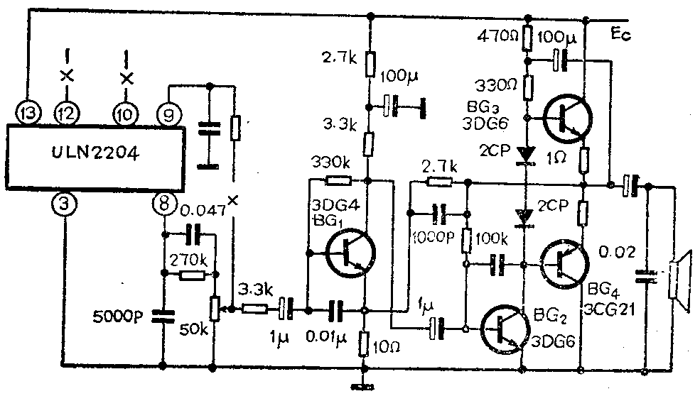
问:一台康艺调频/调幅收音机,该机集成电路中功放部分损坏,请问是否能用分立元件修复相应的电路?
答:这种故障可采用外接分立元器件功放电路修复,具体做法如下:首先断开⑩⑨脚,然后将外接元件按附图所示电路焊好,最后将电源负端与ULN2204的第③脚相连,正端与脚相接,该机即可修复。(高雨春)
