在电缆维修、施工及其它大型线缆的扎制或检验中,都需要对各芯线编号进行查对。目前大都采用蜂鸣器作为对号工具,使用不太方便。我们利用数字集成电路制成的这部数字式对线号器,由发码器和收码器两部分组成。使用时,发码器接在电缆的一端,为各芯线产生指定的编码。收码器接在电缆的另一端,用探针接触任一根芯线即可立即在数字显示屏上指示出该芯线的编号。显示直观,使用方便,观介绍如下。
基本原理
1.发码器的任务是产生不同的编码脉冲,并输送到相应的芯线上去。各芯线编码长度为20位,其格式如图1所示。0位和9位为控制码,分别用1表示数码的起始和终止,其间的八位数码前四位表示电缆编号的十位数字,后四位表示编号的个位数字。每个号数都用四位8421码表示,以32号为例其代码为1001100101,其波形图见图1。10位到19位用10个“0”作为间隔。

各芯线的编码是如何产生的呢?见图2,脉冲产生器的CP脉冲作为编码的时基脉冲,经脉冲分配器产生11路顺序输出的脉冲Q\(_{0}\)~Q9及C\(_{y}\)。其中Q1~Q\(_{4}\)和Q5~Q\(_{8}\)脉冲输出控制门和第一级编码器,分别为十位数10、20、……90和个位数1、2、……9编码,再送到第二级阵列编码器合成为1~99线号的编码。本仪器仅用Q1~Q\(_{4}\)编10~40的码,故合成为1~49线号的编码;Q0和Q\(_{9}\)为控制码,Cy用以产生间隔码,即分配器每循环一次后都关闭输出门一次,使下一个循环没有脉冲输出,即为10个“零”码。

2.收码器的任务是接收芯线上的编码脉冲并译码显示线号,从图3可知收码器的核心是一个十位移位寄存器,它的作用是把接收到的串行码变为并行输出,以便把收到的十位数码和个位数码分别译码显示出来。要求移位脉冲(CP)频率与发码器工作频率基本一致,以便与发码器同步工作。当收到两位控制码时,表示被测芯线编码已全部收到,此时控制码使控制门关闭,并延长一段显示时间。此时显示的号码即被测芯线的线号。此后清除移位寄存器,以备重新接收和显示。

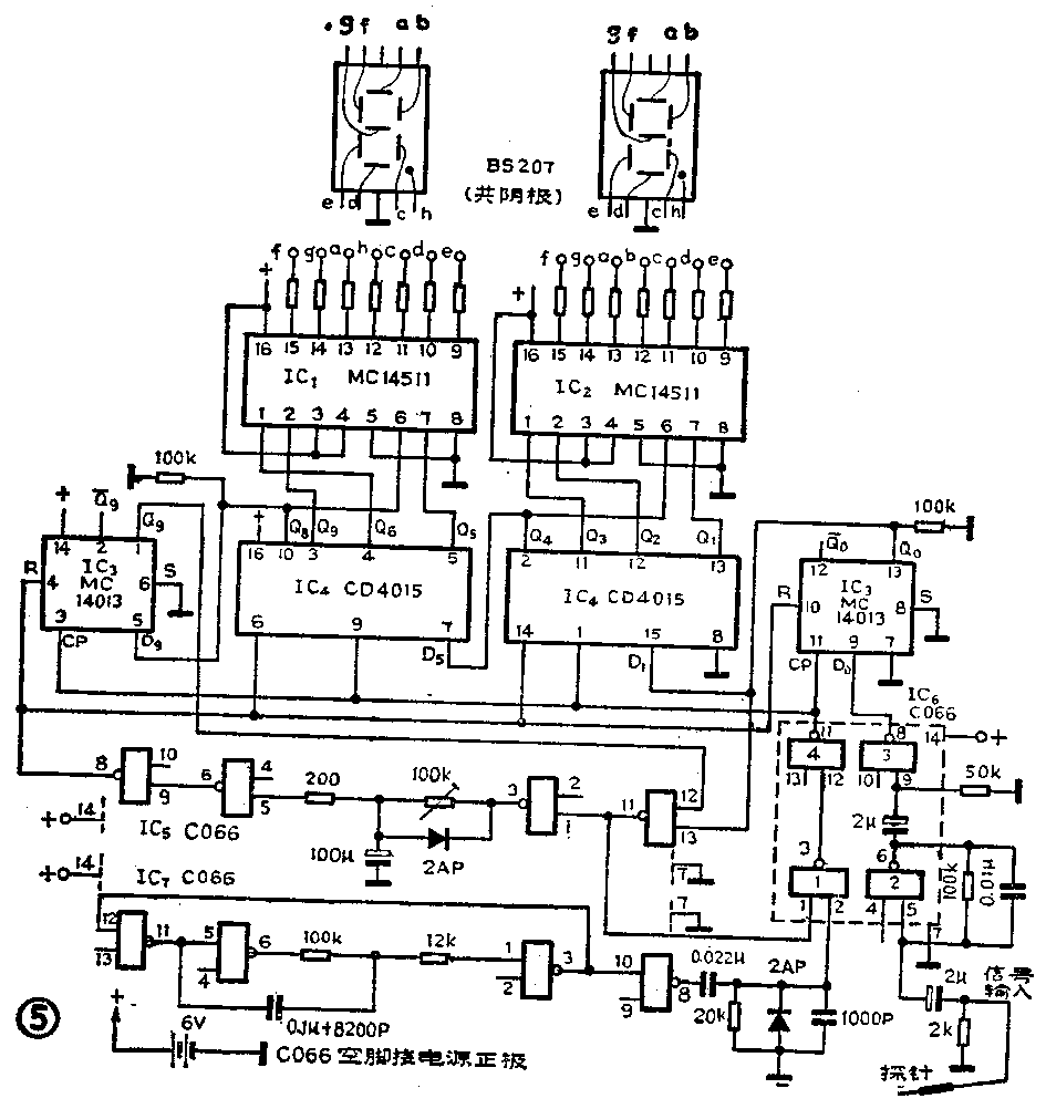
电路的组成
发码器(见图4)由11片集成电路组成。为了增加输出级的驱动能力,末级的集成电路采用TTL与非门,其它均为CMOS集成电路。

IC\(_{1}\)其中两个门(图中两个“1”)接成脉冲振荡器,产生频率为45赫的时钟脉冲并送到IC10的CP端。IC\(_{1}\)0为脉冲分配器,CP端每输入10个脉冲,其Q0~Q\(_{9}\)就依次输出高电平。设开始时IC11Q端为高电平并送至m\(_{0}\)~m9各与非门的一个输入端,则当第1个脉冲来到时,与非门m\(_{0}\)两输入端均为高电平,则其输出端为低电平并送至母线m0,同理第2~第10个脉冲依次到来时,与非门m\(_{1}\)~m9。使母线m\(_{1}\)~m9上依次出现低电平。当第10个脉冲结束后,产生一个进位脉冲C\(_{y}\),使IC11(D触发器)翻转,其Q端变为低电平,故使m\(_{0}\)~m9各与非门封锁,当第11~第20个脉冲到来,母线m\(_{0}\)~m9高电平不变,因此产生10个脉冲的间隔,等到第20个脉冲过后,再产生一个进位脉冲C\(_{y}\),使IC11再次翻转,Q端又恢复高电平,m\(_{0}\)~m9各门才被解锁。图中标出的H\(_{1}\)~H4为十位数的母线,用来输出编码中的高4位,H\(_{1}\)输出10的代码“0001”;H2输出20的代码“0010”……。各母线所接的与非门在电路中担任译码器,如门6的两个输入端接到m\(_{3}\)、m4母线上,当m\(_{3}\)、m4为低电平时,H\(_{3}\)输出为“11”。同理L1~L\(_{9}\)为个位数母线,L1输出1的代码“0001”,L\(_{2}\)输出2的代码“0010”……。其工作情况与上述相同不再赘述。
编码的起始位和终止位的控制码是如何产生的呢?图中IC\(_{4}\)的H0门将m\(_{0}\)、m9的信号合成一个复合控制信号,经IC\(_{9}\)的两个门分别反相后输出:4端输出接母线B;2端输出接母线A,母线A、B各控制几个与非门(A、B线的作用是相同的,为增加驱动能力,故分为两路),这样发码起始或终止时,各门均被封锁,输出端为“1”,就在各条母线上都加了起始和终止脉冲。
为了在各输出接线柱上得到自己的编码脉冲(如32\(^{#}\)接线柱应发1001100101),就需要用两只二极管组成“或”电路,将H\(_{3}\)(30)与L2(02)的编码先后送至接线柱上,又由于“十位数”在高4位,“个位数”在低4位,故合成的代码是00110010;然后再通过A、B线的控制作用,加入起始位、终止位控制脉冲,就得到了规定的编码,由接线柱输出至被测线路上去。
图中的m\(_{1}\)线是悬空的,如果用户需要时可借助于它,把编码范围扩展到99。
收码器见图5,由7片CM-OS集成块组成。IC\(_{7}\)的几个门构成振荡电路,产生45赫方波,经微分后变为窄脉冲送到IC6的2脚作为移位脉冲之用。

探针接收到的编码脉冲,首先经IC\(_{6}\)门2、门3进行放大整形,然后送到IC3(双D触发器)的D\(_{0}\)端,例如收到的编码为1001100101(线号32),首先使D0为“1”,然后移位脉冲t\(_{1}\)来到后使Q0为“1”,因为D触发器Q\(_{0}\)的状态是由CP来到之前D0的状态来决定的,所以Q\(_{0}\)为“1”时D1亦为“1”。在t\(_{2}\)来到时使Q1为“1”,这样就将Q\(_{0}\)的“ 1”移位到Q1位了。t\(_{2}\)来到的同时D0在第二节拍已变为“0”故此时Q\(_{0}\)变为“0”态,t3、t\(_{4}\)……脉冲来到后的情况可见附表。

经10个脉冲以后(见附表最后一行),编码已被寄存于Q\(_{9}\)~Q0端了,IC\(_{1}\)、IC2为译码驱动电路,能将BCD码直接译成相应十进制码并驱动LED数码管显示出来。Q\(_{8}\)、Q7、Q\(_{6}\)、Q5为“十 位”数的BCD码输出端,分别接到IC\(_{1}\)相应输入端,此时输入为“0011”故显示“3”的字形,Q4、Q\(_{3}\)、Q2、Q\(_{1}\)为“个位”的 BCD码输出端,分别接到IC2的相应输入端,因输入“0010’故显示“ 2”的字形。Q9、Q\(_{0}\)为控制码,不参与字形译码,被送到IC5的12、13脚进行鉴别,当Q\(_{0}\)、Q9均为“1”时IC\(_{5}\)的11 端为“0”,故使IC6门1被封闭,移位器IC\(_{3}\)因得不到移位脉冲而停止移位,此时各Q端代码呈稳定状态,显示的字形也是固定的。IC5另外3个门延时约2秒钟后,8脚产生清零脉冲使Q\(_{9}\)~Q0全部回“0”,IC\(_{6}\)门1被解锁,又有脉冲来到移位器CP端。(高启时等)