(一)HY—F512闪光灯脉冲发生器集成电路
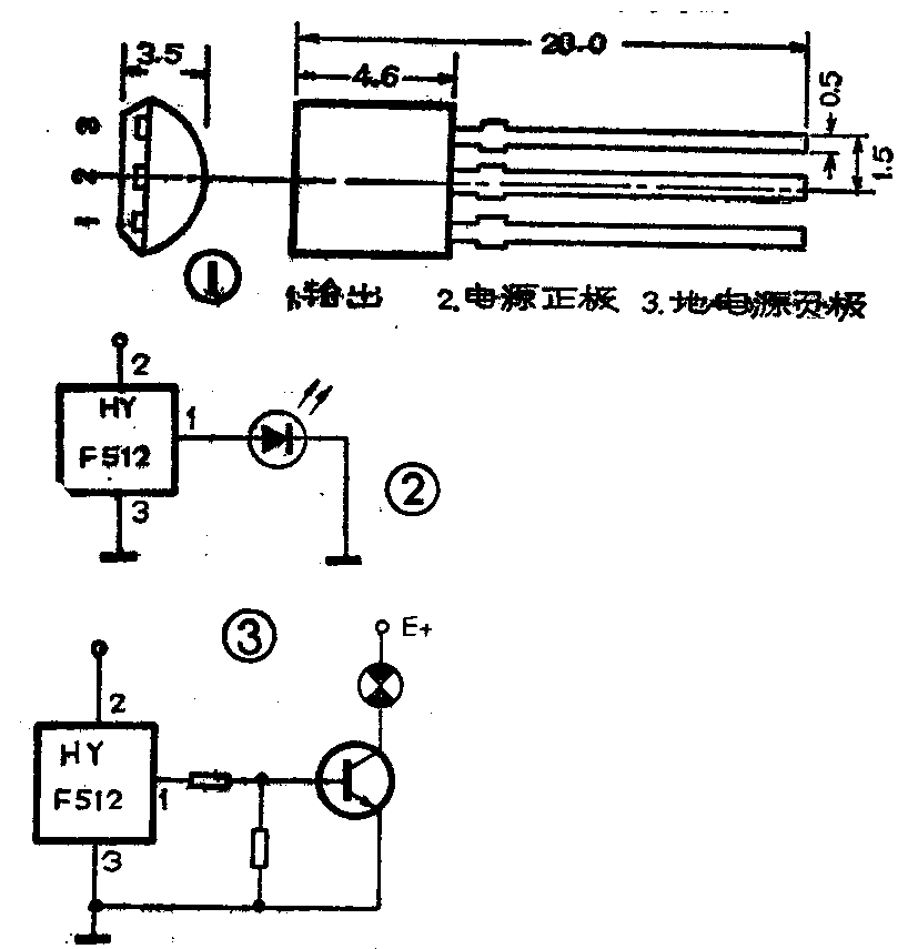
此电路为P—MOS电路,外形见图1。该电路具有工作电压范围宽、输出电流大等特点,适用于灯饰控制、玩具光电装置、安全报警和方向指示等电路。此集成电路的具体参数见下表。


图2、3是HY-F512电路的两种应用实例。
(二)HY-100音乐集成电路
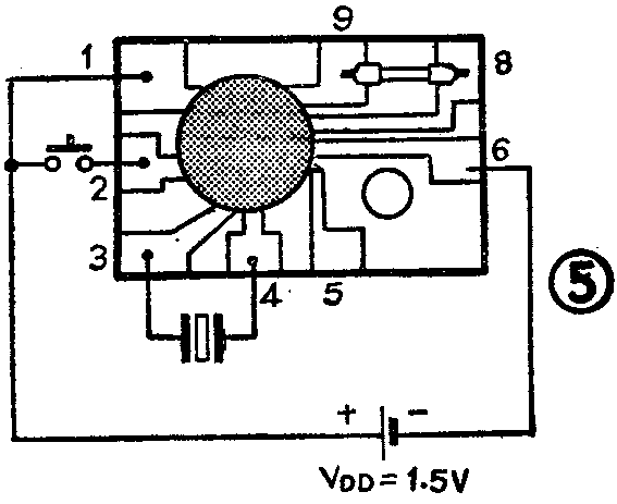
HY—100音乐集成电路是一种大规模CMOS电路。这种电路输出功率较大,可直接驱动喇叭发音,见图4。也可以在低电压供电情况下直接驱动陶瓷喇叭,见图5。如果按图6所示连接电路,不仅能让喇叭发音,又可以使发光二极管随音乐旋律闪闪发光。HY—100电路的外形尺寸为25×15(单位毫米),管脚排列见图6,其中1为电源正极,2为触发输入,3、4为驱动级前输出,5为功率输出,6为电源负极。



上述两种电路有邮售,需要者请见48页邮购消息。(刘泽颖)