交流电磁抱闸卷扬机操作简便,在突然停电时能及时制动,因此它广泛用于工矿企业和建筑等单位。卷扬机升、降的控制一般是采用倒顺开关,由于目前楼房建设都向高层发展,当卷扬机提升物料到一定高度时,因为操作者的视差或操作技术等原因,用倒顺开关不能使卷扬机一次停在准确位置上,往往要反复操作几次,这样不仅浪费时间,且由于制动电磁铁工作频繁容易烧坏其线圈,影响正常施工。
本文介绍的卷扬机自动控制器可使卷扬机在不改变原制动性能的基础上增加限位功能,按照使用者预置的楼层数,准确无误的自动停车,如果一幢楼在施工中需安装两台提升设备,可以用它集中控制这两台设备,由一名工人操作就可以了。该装置用不同的数字编码,可分别实现高到15层或99层楼房的自动控制。本文着重介绍用于15层楼自动控制器的工作原理及制作方法。
工作原理
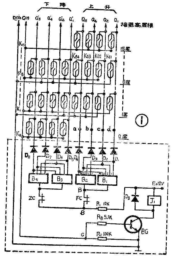
图1是15层楼卷扬机自动控制器工作原理图。K\(_{0}\)~K15是设在0~15层楼上需要停机位置的干簧管开关组,每层楼分上升、下降两组,每组各有4个干簧管。干簧管安装在升降机机架上,升降机上安装磁铁。图1中虚线框内部分安装在操作间,再通过电缆与各层楼干簧管组相连。根据楼房的不同层次,分别对各干簧管开关组进行四位二进制编码。对卷扬机上升一路,用0001、0010……1111共15组码分别作为1~15层楼的代码。对卷扬机下降一路,分别用1111、1110……0001共15组倒序编码作为0~14层楼的代码。各层楼干簧管组的编码见表1。各干簧管组按所给代码连接,例如第6层楼上升组代码为0110,干簧管Q\(_{8}\)、Q1接零位线,Q\(_{4}\)、Q2接1位线,如图所示。


二极管D\(_{1}\)~D8和拨盘开关B\(_{1}\)4(有关拨盘开关知识详见本刊1986年第8期)及电阻R\(_{1}\)组成二极管与门电路。编码馈线Q8、Q\(_{4}\)、Q2、Q\(_{1}\)和Q′8、Q′\(_{4}\)、Q′2、Q′\(_{1}\)分别接在二极管与门的输入端,其输出编码为8421码,各层楼的干簧管开关与它相连。使用时,将拨盘开关预置好欲停的层数,例如要升到6层,可将B1拨到6,B\(_{2}\) 拨到0,此时拨盘开关B1内部使其输出端B′与输入端四根线中的2、3两根连通,而B\(_{2}\)内部均个连通。于是电源E+经R\(_{1}\)、常闭接点FC、拨盘开关B1、二极管D\(_{2}\)、D3通到Q\(_{4}\)、Q2线,使Q\(_{4}\)、Q2线上为高电位。而二极管D\(_{1}\)、D4未经拨盘开关内部与E\(_{+}\)连通,因此Q1、Q\(_{8}\)线上为低电位。当升降机到达第6层楼时,升降机上所带的磁铁使该层楼的干簧管均闭合,K61、K\(_{64}\)使Q1、Q\(_{8}\)线接通D电缆线(零位线),K62、K\(_{63}\)使Q2、Q\(_{4}\)线接通G电缆线(1位线),所以G线输出高电位,使BG导通,继电器J1吸合,进而控制卷扬机停车(控制过程下面讲),于是升降机便停在6层楼的停车位置上;而升降机上升经过其它楼层时,磁铁虽然也使各层楼的干簧管组先后闭合,但其接法不同,使Q\(_{4}\)或Q2线中至少有一根经干簧管接通零电位D线,于是D\(_{2}\)、D3中至少有一个导通,将B点钳位近于0伏,G线输出低电位,BG不导通,所以卷扬机不会停车。
表2为拨盘开关修改前后数字对照表。若控制的楼层低于9层,可省去拨盘开关B\(_{2}\)4,这时拨盘开关B\(_{3}\)应按表2中B′3改写数字。

拨盘开关输出端ZC、FC是图2中可逆交流接触器正、反辅助常闭触头。卷扬机上升时,FC闭合,B\(_{1}\)2起作用。反之FC断开,而ZC闭合,B\(_{3}\)4起作用。三极管BM和电阻R\(_{1}\)、R2、R\(_{B}\)及继电器J1组成开关电路,当干簧管开关输出的编码与拨盘开关预置的楼层数相符合时,拨盘开头输出高也位,BG导通,继电器J\(_{1}\)得电,其常闭触头j1-1断开(见图2),交流接触器ZC失电,其接点ZC断开,从而达到卷扬机自停的目的。还可根据需要在图1中a、b、c、d、四点引出各层楼数字显示信号,再配上电铃或电声设备,使用就更为方便了。

卷扬机升、降采用交流接触器联锁的正、反控制线路,见图2。在正转控制回路中,除正转启动按钮ZQA外,还串联了反转接触器的常闭辅助触点FC;在反转控制回路中,除反转控制按钮FQA外,还串联了正转接触器的常闭辅助触点ZC,以保证正、反接触器不能同时得电,从而不会发生短路故障。正、反启动按钮ZQA、FQA各为一复合按钮,它们各有一个触头作正常启动用,其余两个触头并接在常闭触头J\(_{1}\)-1两边,为J1复位用。这是因为卷扬机停在某层楼时,拨盘开关一直输出高电位,即j\(_{1-1}\)一直处于断开状态。卷扬机再次运行时,必须把j1-1和启动按钮同时接通,使卷扬机运行。运行起来后,干簧管开关失磁,j\(_{1-1}\)复位闭合,电路恢复正常工作。XWK为二次限位开关,置于最高层楼编码开关上侧,如果卷扬机失控越过最高层编码开关,则限位开关XWK控制卷扬机停机。手动按钮TA可以使卷扬机停在任意位置。ZD为电磁制动线圈,停电时可以使卷扬机制动。RJ为热继电器,作为电机的过流保护。
本装置通过适当的改制,可以实现99层楼卷扬机的自动控制,图3为其方框原理图。在15层楼控制器的基础上,每层楼各增加了一组上升、下降的十位数编码开关组。当十位数,个位数的拨盘开关均输出高电位时,控制门打开并输出高电位。十位数拨盘开关置0时,也能输出高电位。此时,个位数拨盘开关工作范围是0~9层。驱动电路能分别输出两个驱动信号,第一个驱动信号使高速运行的卷扬机变为低速运行;第二个驱动信号使低速运行的卷扬机停止。如果卷扬机重载低速运行,则第一个驱动信号不执行,第二个驱动信号使卷扬机停止。

元件选择及制作
编码开关选用JAG—4型常开干簧管。各层楼的干簧管应并列竖直装在密封塑料盒中,并用绝缘支架与提升架隔离,保持一定的距离。永久磁铁固定在提升机上,与干簧管的位置相对应,两者之间的距离靠实验调整。安装编码开关和永久磁铁应尽量远离铁件,以免削弱永久磁铁的磁性。连接干簧管的馈线可使用PVV多芯信号电缆,每层楼的编码开关接头插接,装拆、维修都很方便。接头处要注意防水,焊接干簧管时要防止短路和开路。
二极管选用2CP14,BG选用3DG12,β≥70,要求I\(_{cbo}\)小于1μA。J1选用JQX—4型,工作电压12V,电流小于20mA;触头交流电压220V电流3A,两对触头并联使用。控制器使用市售成品稳压电源,其输出电压12V,输出电流300mA左右。
提升机停在零层,接通控制器电源,将下降拨盘开关B\(_{4}\)置3置7,J\(_{1}\)应吸合,若不吸合,可适当调整RB的阻值,使BG的基极电流在0.5~1mA之间。
使用注意事项
需要指出的是,当施工的楼层低于15层时,必须把最高层楼的干簧管改接。如施工一幢7层高的楼,其编码为0111,必须将它接成1111(即4只干簧管均接G线),这样拨盘开关误拨7层以上数字时,卷扬机上升到第7层时就停下来,不会再上升。因为四只干簧管均接高位G线,不受编码变化影响。卷扬机下降时,0层也应作相应处置,避免发生事故。(席中原)