在基本R-S触发器的基础上,经过改进可以得到性能更完善的各种触发器,最常用的有:可控R-S触发器、D触发器、J-K触发器和T触发器等。
可控R—S触发器
数控设备和计算机电路的动作时间都是以微秒(10\(^{-}\)6秒)、毫微秒(10-9秒)计算的,所以整个机器必须严格按规定好的次序工作。因此,机器内除了及时发出各种控制脉冲外,还必须有统一步调的时钟脉冲,或称CP脉冲。如果所有的部件都在时钟脉冲控制下动作,就能使整个机器步调一致、快而不乱。
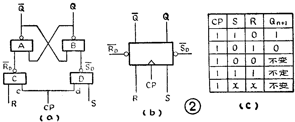
在基本R-S触发器前面加两个传送门(或称导引门),就成为一个钟控R-S触发器,见图2(a)。它有三个输入端:CP、S和R,它是用正脉冲(高电平)触发的,它的逻辑符号见图2(b)。为了和基本R-S触发器的工作过程进行对照,我们在图1中画出了基本R-S触发器的逻辑符号和它的功能表。


现在我们来看看可控R-S触发器是怎样工作的。
(1)当CP=1,S=1,R=0时。因为CP=1,所以D门输出S-\(_{D}\)=0,C门输出R-D=1,这就是基本R-S触发器功能表的第1行,于是触发器成1态。
(2)当CP=1,S=0,R=1时。这时D门输出S-\(_{D}\)=1,C门输出R-D=0,就是基本R-S触发器功能表的第2行,触发器成0态。
(3)当CP=1,S=0,R=0时。因为S-\(_{D}\)=1,R-D=1,所以触发器保持原态不变。
(4)当CP=1,S=1,R=1时。因为S-\(_{D}\)=0,R-D=0,所以触发器输出状态不定。
(5)当CP=0,S和R是任意的输入电平时,因为CP=0,使S-\(_{D}\)和R-D都是1,所以触发器仍保持原态不变。
除了用S端和R端可以置1或置0外,由于可控R-S触发器还有两个预置端S-\(_{D}\)和R-D,它们平时都处于高电平。因此,如在S-\(_{D}\)端加上低电平,就可使触发器置1;在R-D端加低电平,可使触发器置0。这个工作过程称为预置。
从以上情况可知,可控R-S触发器的功能和基本R-S触发器是相同的,不同的只是它是用高电平触发(指S端和R端),而且必须是在CP脉冲来到时才动作。
D触发器
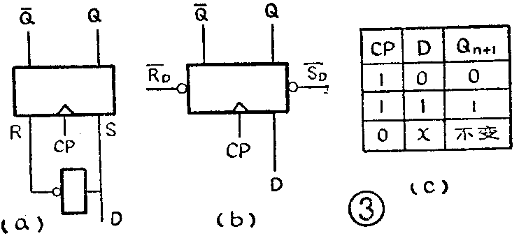
由于可控R-S触发器仍有不定的输出状态,因此实际应用时常常选用工作可靠、电路简单的D触发器。
在可控R-S触发器的输入端加一个反相器就可组成D触发器,见图3(a)。它有一个CP输入端和一个D输入端,逻辑符号见图3(b)。由于输入是经过反相后加到R和S端的,所以不会出现R和S都是0或都是1的状态,也就不会出现不定的输出状态了。

现在我们来看看D触发器的功能。
(1)当CP=1,D=0时。这时相当于可控R-S触发器的S=0,R=1,于是D触发器被置成0态。
(2)当CP=1,D=1时。这时相当于可控R-S触发器的S=1,R=0,于是D触发器被置成1态。
(3)当CP=0时。这时D触发器的输入端被封住,触发器的状态不变。
除此之外,D触发器也有预置端S-\(_{D}\)和R-D,可以按需要把它预置成1态或0态。
从以上分析可见,D触发器的功能比可控R-S触发器的功能更完善、可靠,不会有不定的输出状态。它的功能表见图3(c)。
国产TTL集成触发器T077是一个双D触发器,在一个片子里有两个D触发器;T076是单D触发器,但这个触发器有三个D输入端:D\(_{1}\)、D2和D\(_{3}\),它们之间是“逻辑与”的关系。这两种产品的引脚排列和逻辑符号图见图4。

J—K触发器
集成触发器中功能最全的是J-K触发器。它有两个R-S触发器和一个反相器,共有九个与非门。它有3个输入端:CP和J、K,有两个预置端和两个输出端。它的逻辑符号见图5(a)。它的功能表见图5(b)。

从J-K触发器的功能表可以看到:
(1)CP=1,J=1,K=0时。不管触发器原来是什么状态,都被置成1态。因此J端相当于置1端。
(2)CP=1,J=0,K=1时。不管触发器原来是什么状态,都被置成0态。因此K端相当于置0端。
(3)CP=1,J=0,K=0时。触发器保持原态不变。
(4)CP=1,J=1,K=1时。触发器翻转一次,这种工作状态称为计数状态。可见,在J-K触发器中不会产生输出不定的状态。
除此之外,它同样有预置端S-\(_{D}\)和R-D,可以按需要把触发器预置成1态或0态。
J-K触发器是功能最全的触发器,经过改接就能转换成其它型式的触发器。例如把J端和K端接在一起就成为T触发器。T触发器的逻辑符号见图6。它的功能是:当CP=1,T=1时,触发器翻转一次;T=0时,触发器保持原态不变。这种触发器被称为计数触发器,简称T触发器。又如在J、K之间加入一个反相器,把J作为输入端,就成为一个D触发器等等。

国产TTL集成触发器T079是一个双J-K触发器;T078是一个单J-K触发器,它有三个J输入端和三个K输入端,J\(_{1}\)、J2、J\(_{3}\)之间以及K1、K\(_{2}\)、K3之间都是逻辑与的关系。这两种产品的引脚排列和逻辑符号图见图7。因为J-K触发器是用时钟脉冲的后沿触发的,所以在CP输入端画有一个小圆圈。

实际上,由于触发器有好几种触发方式,不同的触发方式,触发器对输入信号的反应是不同的。即便是同一类的触发器,也可以有多种电路形式。再加上工作速度还有高、中、低的区别。因此,在选用触发器时,应该根据电路的各项要求,进行综合分析和考虑,通过查阅手册去挑选合适的品种和型号。(俞鹤飞)