光电耦合器具有体积小、寿命长、抗干扰强及无触点输入与输出在电气上完全隔离等优点,是近年来发展起来的一种半导体光电器件。在实际使用中,它可以代替继电器、变压器、斩波器等,而用于隔离电路、开关电路、数模转换、逻辑电路、长线传输、过流保护、高压控制、线性放大及电平匹配等方面。
为便于读者使用光电耦合器,下面介绍几种应用电路,供大家参考。
在开关电路上的应用
在开关电路中,往往要求控制电路和开关电路之间要有很好的电隔离,这对于一般的电于开关来说是很难做到的,但用光电耦合器却很容易实现。
图1、图2所示电路是用光电耦合器组成的简单开关电路。

图1中,当无输入脉冲时,晶体管BG处于截止状态,因c、e极间不导通,通过发光二极管的电流近似为零,使a、b两端的电阻非常大,相当于开关“断开”。反之,当加输入脉冲时,BG导通,此时因通过发光二极管的电流很大,使a、b两端的电阻很小,相当于开关“接通”。因图1电路在无信号时开关不通,故通常称之为“常开”状态。
图2所示电路,在无输入信号时虽然晶体管BG处于截止状态,但发光二极管仍可有足够的电流通过,使a、b两端处于导通状态,相当于开关“接通”。当有输入信号时,晶体管BG完全导通。因此时c、e间的压降多在0.3V以下,远小于发光二极管的正向导通电压(1.3V~2V),故发光二极管无电流通过,使a、b两端电阻极大,相当于开关“断开”。通常此开关称为“常闭”形式。
由以上分析可以看出:开关a、b端在电路中不受电位高低的限制,但在使用中满足a端电位为正,b端电位为负,并能使U\(_{ab}\)>3伏为好。同时还应注意,要使Uab小于光电三极管的BV\(_{ceo}\)。
根据图1、图2的原理,还可以组合成图3、图4等多种形式电路。图3、图4电路适合在自动控制和遥测设备中使用。图3是单刀双掷开关电路,其中外接二极管D可起到配合电位的作用,以保证输入正脉冲时使“oa”组接通,使“ob”组关断。图4是双刀双掷开关电路,工作原理可按上述自行分析。
图5是由光电耦合器构成的可控硅开关电路。可控硅的控制电压取自R两端,其大小由通过光电三极管的电流决定,直接由输入电压控制。该电路简单,控制端与输出端有可靠的电隔离。

在逻辑电路上的应用
由于光电耦合器的抗干扰性能比晶体管好,因此用光电耦合器组成的逻辑电路要比晶体管可靠的多。图6至图9是用光电耦合器组成的各种逻辑电路。




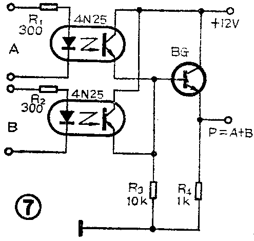
图6是“与门”电路。设在逻辑变换中高电位为1状态,低电位为0状态。通常“与门”的逻辑功能可概括为:有0出0,全1出1。由图可见,两只光电三极管为串联形式。只有当A、B端都输入高电位时,才能使BG的集电极电流最大,输出高电位。否则均输出低电位。它完全符合“与门”逻辑功能。
图7是“或门”电路。或门的逻辑功能可概括为:有1出1,全0出0。图7中两只光电三极管为并联形式。当A、B端输入都为0时,两只光电三极管都不导通,使晶体管BG偏压近似为零,集电极无电流,故输出为0。当A、B的任何一端输入为1或两端都输入为1时,则其中一只或两只光电三极管导通,使晶体管BG的偏压上升,集电极电流增大,此时输出为1。完全满足“或门”电路的逻辑功能。
比较图8和图6可知,晶体管BG的基极和电阻R\(_{3}\)的位置由图6所示电路中低电位一边改接到图8所示电路高电位一边,则使整个输出信号的相位相反,故图8所示电路符合“与非门”的逻辑关系。同样方法,将图7电路改接为图9电路,便实现了“或非门”的逻辑关系。
在脉冲电路上的应用
图10是光电耦合器应用于双稳态输出电路中的例子。由于发光二极管分别串入两管发射极回路,可有效地解决输出与负载隔离的问题。

图11为施密特电路。当输入电压为U\(_{i}\)低电平时,通过发光二极管的电流很小,于是光电三极管c e间呈现高电阻,使BG1的偏压较高,可完全导通。导通后U\(_{c1}\)电位下降,使BG2截止,输出低电平。当输入电压U\(^{i}\)大于鉴幅值时,通过发光二极管的电流较大,于是光电三极管c、e间压降很小,使U\(_{be}\)下降,BG1截止。此时U\(_{c1}\)电位上升使BG2导通,输出为高电平。调节电阻R\(_{1}\)可改变鉴幅电平。

在线性放大电路上的应用
图12是最基本的交流耦合电路。为防止非线性失真,则要求光电耦合器的电流传输比(CTR)为一常数,适当选择发光回路的直流限流电阻R\(_{FO}\),即可保证线性放大。图13是用5G24组成的实用电路。

在高压稳压电路上的应用
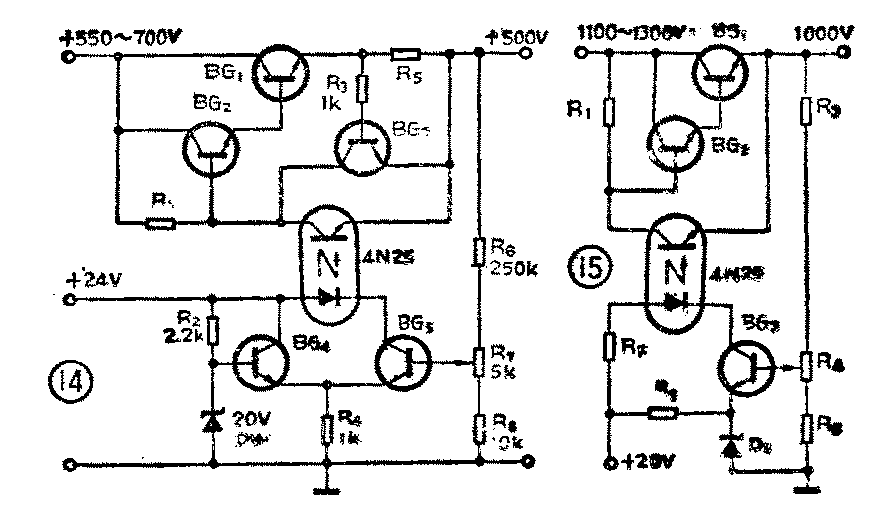
一般的串联型稳压电路,比较放大管需用耐压高的晶体管。利用光电耦合器输入与输出之间电的绝缘性,可以进行高压控制。图14、图15为采用光电耦合器的高压稳压电路。

图14中电路的稳压原理是这样的。当输出电压因某种原因而升高时,则BG\(_{5}\)的偏压增加,发光二极管的正向电流增大,因而光电管的c~e电压减小,即调整管BG1的U\(_{be}\)下降,其Uce升高,从而使原来升高的输出电压减小而保持输出电压的稳定。图中BG\(_{3}\)管组成限流保护电路。光电耦合器工作在放大状态。图15中光电耦合器的控制原理与上相同。
在斩波电路上的应用
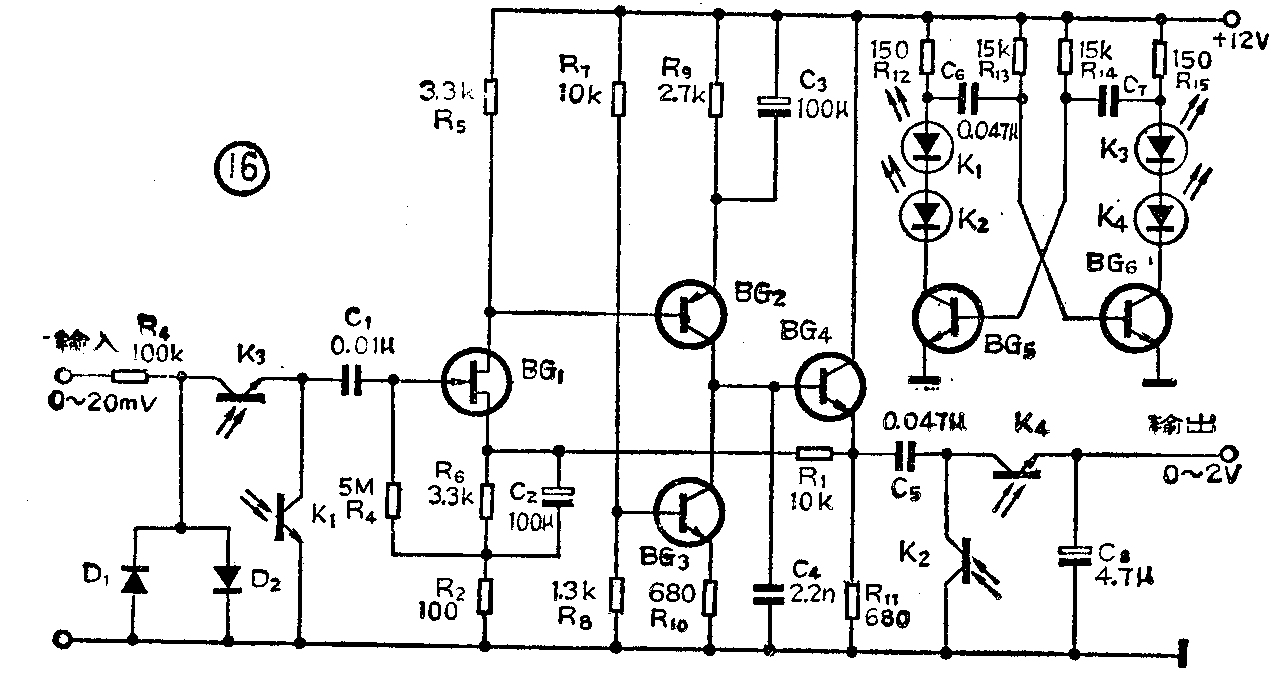
利用光电耦合器的隔离特性,可消除其它斩波器所产生的尖峰噪声。图16是用光电耦合器作为斩波器的直流放大器。其中光电耦合器用作开关,K\(_{1}\)、K3组成斩波器,K\(_{2}\)、K4组成解调器。K\(_{1}\)、K2和K\(_{3}\)K4分别同步,同步脉冲由BG\(_{5}\)和BG6组成的频率为1kHz的多谐振荡器提供。BG\(_{1}\)~BG4组成同相放大器,放大倍数开环为2000倍,闭环为100倍。其中BG\(_{1}\)和BG2为放大管,BG\(_{3}\)用作恒流管,BG4为射极输出管。R\(_{1}\)和R2为反馈电阻,C\(_{8}\)为滤波电容。

在不同电子转换电路上的应用
在不同电平的转换电路中或对输入、输出电路的电位需要分开的地方,使用光电耦合器是很方便的。
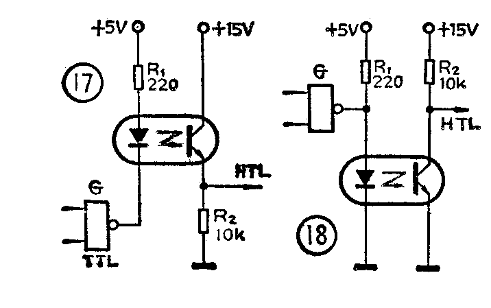
图17和图18是5伏电源的TTL集成电路与15伏电源的HTL集成电路相互连接进行电平转换的基本电路。图17中,当G门电路导通时,即输出低电平时发光二极管导通,光电三极管输出高电平。反之,输出低电平。

与此相反,图18则是利用G门截止,即输出高电平时驱动发光二极管输出信号的。发光二极管的驱动电流为10~20毫安,可通过调整限流电阻R\(_{1}\)来确定。
另外,对于MOS集成电路,因它在低电平时的电流约为1~2毫安,故难以直接驱动,一般加一级晶体管放大来驱动。
图19是以上电路在数字系统中的应用例子。

以上介绍了光电耦合器的基本工作原理及应用电路。实际上,只要合理组合其应用范围会更加广泛。(张军)