本文介绍的开关可广泛用于不需要长时间照明的场所,如楼梯间和公共通道。按动开关按钮电灯点亮,过几分钟电灯自动关闭。本开关由电子电路组成,和普通的单刀单掷开关的接线方法一样,具有元器件少、工作可靠的优点。由干装置了氖灯,在夜间寻找开关的位置很方便。
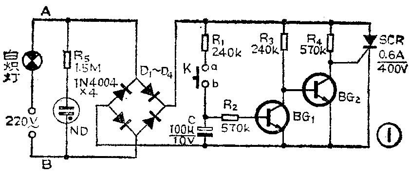
图1是本开关的原理图。交流电通过负载(白炽灯)经桥式整流后为电路提供直流电压,BG\(_{1}\)、BG2接成直耦电路,可控硅SCR的触发极接在BG\(_{2}\)的集电极上。当按动按钮K时,通过R1给C充电,C上的充电电位使BG\(_{1}\)导通,BG2截止,其集电极电位,即SCR控制极电位升高,R\(_{4}\)给可控硅SCR提供触发电流,使SCR迅速导通,白炽灯发光。按钮开关K接通后立即复位,此时电容C上的电压通过R2和BG\(_{1}\)的b、e结放电,放电时间就是开关的延时时间。一般把延时时间设定为1~3分钟就可以了。电容C放电完毕使BG1截止,BG\(_{1}\)集电极电位升高,BG2导通,R\(_{3}\)给BG2提供基极电流使其饱和,BG\(_{2}\)集电极,即SCR控制极电位下降,可控硅SCR失去控制电流立即关断,白炽灯熄灭。由于氖灯与可控硅是并联的,所以交流电经白炽灯给氛灯提供电流使氖灯发光,R5是氛灯的限流电阻。

BG\(_{1}\)、BG2选用603、9013或9014一类的三极管,反压应大于60V。印制电路板图见图2。装置好的开关外形符合国家标准,可以直接安装在建筑物墙壁上。

使用时注意所接的白炽灯功率不应过大,按上述元器件参数,要求白炽灯功率不大于60瓦,这在一般民用建筑的公共照明已足够用的了。使用时还要注意负载(白炽灯)不要短路。(北京贵金属化冶厂 刘同林)