(李洪明)本文介绍一种智力竞赛用定时器,其特点是声光同时显示,定时时间长短可以设定。在定时期间,每过一段时间,将依次有一只灯泡点亮,同时扬声器响一下。该走时器共分十段时间,用十只灯泡显示。实际使用时,主持人读完一道题目,说“开始”,操作人员拨动开关,定时器即开始计时。定时完毕的最后一响,扬声器声音变调,以表示定时完毕。本装置亦可用于其它类似场合。
电路组成及工作原理
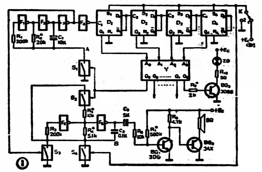
见图1,非门F\(_{1}\)、F2组成定时拍点脉冲振荡器,振荡周期由R\(_{2}\)、C1决定。它是一个受控振荡器,由译码器Y的输出端Q\(_{9}\)的电位高低控制。 S1为模拟开关,当Q\(_{9}\)端为高电平时,S1导通,A点接地,振荡器停振;当Q\(_{9}\)为低电平时,S1阻断,振荡器正常工作,经F\(_{3}\)、F4放大、整形后输出拍点脉冲。

D\(_{1}\)、D2、D\(_{3}\)、D4是四级D触发器,组成四位二进制计数器,对非门F\(_{4}\)输出的拍点脉冲进行计数,因为有四级触发器,故最多可计2\(^{4}\)=16个脉冲。触发器的状态由Q4、Q\(_{3}\)、Q2、Q\(_{1}\)的电位表示,分别为0000、0001、……、1111。
译码器Y的作用是检出计数器十六种状态中的前十种状态(因为定时时间只需要十段)。即当译码器Y的输入端A\(_{3}\)2\(_{1}\)0(各对应于计数器的Q\(_{4}\)、Q3、Q\(_{2}\)、Q1)分别为0000、0001、……、1001前十种状态时,译码器Y输出端Q\(_{0}\)、Q1、……Q\(_{9}\)依次出现高电平“1”,而对其它形式的输入,Q0~Q\(_{9}\)全部为低电平“0”。译码器Y的十个输出端分别推动十个指示灯电路,其中Q9还去控制拍点脉冲振荡器和音频振荡器。
音频振荡器由非门F\(_{5}\)、F6组成。它与拍点脉冲振荡器电路形式一样,只是振荡频率不同。音频振荡器的输出经BG\(_{1}\)、BG2组成的低放电路放大,推动扬声器发出声音。它也是一个受控振荡器,由定时拍点脉冲和开关K双重控制它是否起振,还由译码器Y的输出端Q\(_{9}\)控制它改变振荡频率(控制原理后面讲述)。
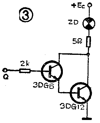
十个指示灯电路都是同一形式。图1中只画出一个。各个输入端分别接至译码器Y的输出Q\(_{0}\)~Q9端。当输入端为高电平时,所接晶体管(例如图中BG\(_{3}\))导通,小灯泡ZD发光,从而指示出所代表的是那一段时间。
整个电路工作过程如下:使用时,开关K首先打在位置“1”。此时,四级D触发器的置“1”端S\(_{1}\)、S2、S\(_{3}\)、S4均为高电平,从而使计数器状态强制为“1111”,即D\(_{1}\)、D2、D\(_{3}\)、D4的Q端均输出高电平。由于译码器此时输入端A\(_{3}\)2\(_{1}\)0为“1111”,故其所有的输出端Q\(_{0}\)~Q9均为“0”,十个指示灯均不亮。受Q\(_{9}\)控制的拍点脉冲振荡器起振,但它对计数器不起作用。计数器的状态“1111”为准备定时状态。开关K还将十EC高电子加到音频振荡器中模拟开关S\(_{4}\)的控制端,使S4导通,B点接地,音频振荡器停振,故扬声器此时无声。将开关K迅速扳至位置“2”,定时开始。此时,四级D触发器的S端接地,开始正常计数。同时,音频振荡器中模拟开关S\(_{4}\)亦由于其控制端接地而阻断。所以,音频振荡器受非门F3输出的定时拍点脉冲控制,模拟开关S\(_{3}\)导通、阻断、……从而使其间歇振荡,扬声器会发出“嘟、嘟、……”声音。
因为开关K扳至位置“2”之前,计数器状态Q\(_{4}\)、Q3、Q\(_{2}\)、Q1为“1111”。所以,第一个拍点脉冲使其状态变为“0000”。此时,译码器Y的输出Q\(_{0}\)=1,其余为0,使第一个指示灯亮。对D触发器来说,是脉冲上升沿触发。即F3输出由高变低而使F\(_{4}\)输出由低变高时,使D1触发器翻转改变状态。F\(_{3}\)输出为低时,音频振荡器中模拟开关S3阻断,振荡器起振,扬声器发声,因此指示灯亮和扬声器发声是同时的。第二个拍点脉冲使计数器状态变为“0001”。此时,译码器Y的输出Q\(_{1}\)=1,其余为0,第二个指示灯亮,同时扬声器响第二下,依此类推,直至第十个拍点脉冲到来使计数器状态变为“1001”。此时,译码器Y的输出Q9=1,其余为0。Q\(_{9}\)输出的高电平一方面加至拍点脉冲振荡器中模拟开关S1的控制端,使拍点脉冲振荡器停报,从而使计数器维持在“1001”状态不再变化。另一方面,Q\(_{9}\)的高电平还加至音频振荡器中模拟开关S2的控制端,使S\(_{2}\)导通,决定音频振荡器振荡频率的电阻由R4变为R\(_{4}\)‖R5,阻值变小,振荡频率变高,所以声音变调,扬声器发出“嘀——”的长声。Q\(_{9}\)的高电平还加至第十个指示灯电路,使ZD10点亮。此时即表示定时时间已到。如再次使用,将开关K扳至位置“l”。
元件选择及调试要点
本装置中均采用CMOS集成块,几种片子的引脚功能如图2所示。六个非门选用一决C003(C033、C063均可)。四个D触发器选用两块C043(C013,C073亦可)。译码器Y用C271或C301、C331。模拟开关采用一块C544,用C514或C574亦可。指示灯电路如图3所示,如要求醒目,可将图3中负载换成继电器,控制功率较大的灯泡。比较好的方法是采用双向可控硅来控制大功率灯泡,电路如图4所示。



调试时,先将各模拟开关的控制端断开,此时应听到扬声器发出连续的音频振荡声音。调整R\(_{4}\)使音频振荡器振荡频率为1kHz左右,此时声音比较悦耳。然后在R4两端跨接电阻R\(_{5}\)、一般选R5=(2~4)R\(_{4}\),使声音变调,R5的最后确定应使跨接前后扬声器声音有明显区别为准。然后调整拍点脉冲发生器的振荡频率,例如要求定时10秒,可调R\(_{2}\)使拍点脉冲周期为1秒,就达到了定时10秒的目的。 R2不同,定时时间亦不同,最好预先调整好几档,比如5秒、10秒、20秒等。用几个开关控制不同的R\(_{2}\)接入电路,以得到几种不同的定时时间,使用起来比较方便。不管定时时间是多长,扬声器始终是响十下,只不过声音长短、间隔不同。指示灯也是十只顺次交替闪亮。实际应用中,可将第十只指示灯做成与其它九只不同的颜色,以示区别。调好拍点脉冲振荡器后,再将各模拟开关的控制端按图接好,就可试用了。如发现扬声器连续作响,或第十响不变调、或在准备状态时扬声器也响,应检查对应的模拟开关工作是否正常。印刷线路板见图5。
