无线电爱好者在业余制作组合音箱时,常常对制作分频器感到困难。例如:不知道选用什么样的分频网络,不知道分频网络怎样设计,不知道所选择的分频网络怎样和扬声器配接等等。下面就讲讲读者关心的几个问题。
常用分频网络的几种形式
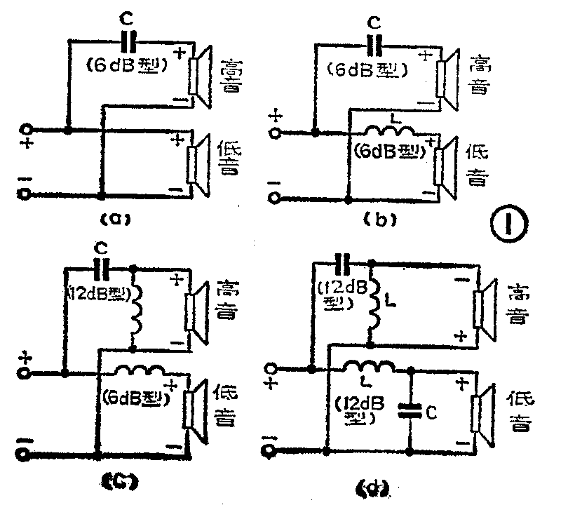
图1为一组采用高、低音两只扬声器放音的双频道分频网络。其中图1(a)为一种最简单的分频网络,它的特点是低音扬声器没有采取分频元件,高音扬声器通过串联一只电容只让高音通过,将低音频衰减掉,因为分频元件仅有一个,所以衰减速率为每倍频程6dB,简称6dB型分频器;图1(b)的特点是在图1(a)的基础上在低音扬声器回路里又串联了一个电感线圈L,L对高音频阻抗大,对低音频阻抗小使得全音频信号经过L将高音部分衰减后再加到低音扬声器上,性能比图1(a)又好了一些;图l(c)比图1(b)优越之处是在高音扬声器两端并联上一个电感线圈L,L将低音信号进一步旁路衰减,这时高音分频网络就有两个衰减元件,属于12dB型衰减网络;图1(d)的高、低音两个频道均是双元件型的,衰减速率都是每倍频程12dB。

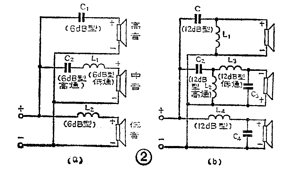
图2给出了两种采用高音、中音、低音三只扬声器放音的三分频网络。它的特点是将全音频信号通过分频,分成高、中、低三个频段,分别馈送给高、中、低三只扬声器放音。性能比图1会更好一些。值得注意的是,当采用不同分频网络时,扬声器的极性应按图中所标注的形式连接。

分频点f\(_{C}\)值的选择
f\(_{C}\)值的选取和你所选用的扬声器有密切的关系,因此,在选择扬声器时,应注意以下几点:(l)要选用重放频率宽,并有一定重叠频率范围内的高、低音扬声器单元,如图3中f1~f\(_{2}\)一段就它们的频率特性重叠范围。如果没有重叠频率范围,则这两只扬声器不能配合使用;(2)经过分频以后,扬声器单元要运用在频响特性比较好的一段,以便充分发挥这只扬声器的性能;(3)应首先考虑选用扬声器生产厂家推荐的分频点频率值;(4)选择三分频网络时,要选择频率范围尽量宽的中音扬声器单元。分频网络也应按相应宽的中频段设定fC植。如果在分频网络上低频段的f\(_{CL}\)值和高频段的fCH值太接近.就不能充分发挥中音扬声器的性能,使整个频率特性变坏,这一点应特别引起注意。

下面以两分频网络为例,讲讲f\(_{C}\)值选择方法:如果所选用的低音扬声器的重放频率为f0~6千赫,高音单元的重放频率为l~20千赫,则分频点f\(_{C}\)可选择在低音单元的上限频率(6千赫)和高音单元的下限频率(1千赫)之间相互重叠的那一段频率上,即图3中f1~f\(_{2}\)那段频率。单从低音扬声器看,希望fC值尽量取低些;从高音扬声器着眼又希望f\(_{C}\)值取高些。为了兼顾上面提到的fC值取值要求,可把f\(_{C}\)值选在高音扬声器下限频率的一倍频程处(2千赫)至低音单元上限频率的一半处(6千赫的一半为3千赫),即在2~3千赫范围选择fC。对于图1(a)电路,因为低音扬声器还要兼顾放一些高音,所以fC值可适当取高些。
分频网络的设计计算
分频点f\(_{C}\)确定以后,接着就要确定分频网络中的电容C和电感线圈L的具体数值。有如下几种情况:

1.对于如图1(a)、(b)及图2(a)所示单元件型分频网络,它的衰减特性是每倍频程衰减6dB,分频点一般取在特性曲线的3dB降落点,见图4(a)和图4(b)。这时L、C值可通过下述经验公式算出:

式中L代表电感值;C代表电容值;R代表所用扬声器的阻抗值,单位为欧姆;f\(_{C}\)为分频点频率值。例如,当所用扬声器阻抗为8欧,分频点fC为2千赫时,对于只采用一个单元件(见图4a)的分频网络,

如果读者手中的高、低音两只扬声器的阻抗不一样,例如高音扬声器阻抗为4欧,低音扬声器阻抗为8欧,也可以使用上述计算法。计算C的容量时扬声器阻抗用4欧计算;计算L的电感量时扬声器的阻抗则用8欧计算即可。按这种设计方法制作的扬声器箱,高音可能太强,解决办法是在高音扬声器回路加衰减器,以适当衰减高音。

2.对于如图5(a)所示的双元件型分频网络,它们的频率特性的衰减速率为每倍频程12dB,这时分频点f\(^{C}\)有下面两种取法:
(1)3dB降落点交叉法。图5(b)是按3dB降落点交叉法得到的频率特性曲线,在这种情况下,L、C值可通过下式计算出来:

设f\(_{C}\)取1千赫,高、低音扬声器的阻抗R均为8欧,则L1=L\(_{2}\)=\(\frac{225×8}{1000}\)≈1.8mH,C1=C\(_{2}\)=113000;1000×8≈14.1μF。可以看出,在给定fC值时,如果高音和低音扬声器的阻抗相同,按这种方法设计的分频器在高通和低通回路上可采用同值的L和同值的C元件。
(2)6dB降落点交叉法:这种方法的特点是高、低频特性曲线的交叉处不是在3dB降落点处,而是在6dB降落点处,见图5(c)。以图5(a)为例,这时L、C值的计算方法如下:

式中R\(_{1}\)为低音扬声器阻抗,R2为高音扬声器阻抗。设分频点f\(_{C}\)=1千赫,扬声器阻抗R1=R\(_{2}\)=8欧,则L1=\(\frac{296×8}{1000}\)≈2.4(mH), C\(_{1}\)=148000;1000×8≈18.5(μF),L2=\(\frac{170×8}{1000}\)≈1.4(mH), C\(_{2}\)=85300;1000×8≈10.7(μF)。可以看出,这时在低通和高通回路上不能再采用同值的L和同值的C元件了。

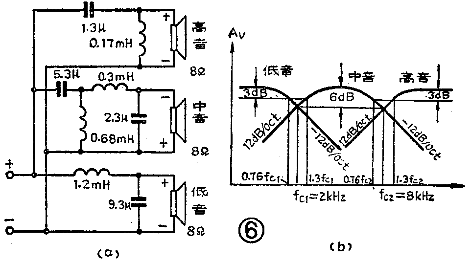
图6(a)是一个实用三分频网络,图6(b)则是它按6dB降落点法得到的特性曲线图,可供参考。(张银华)