这个玩具的外形像魔方,也是六面体,见图1,它的四个侧面各有一个动物图形,如青蛙、母鸡、蝈蝈、小鸟,当翻动这个魔方时,哪个小动物在上面,就发出这个小动物的叫声,由此得名为:谁在上,谁就唱。

电路原理
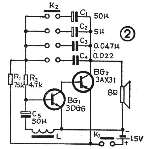
图2是玩具电路的原理图,其中BG\(_{1}\)、BG2、R\(_{1}\)、R2、C\(_{1}\)(或C2、C\(_{3}\)、C4)等元件构成一个音频振荡器。C\(_{5}\)与L串联谐振使发出声音变成断断续续。通过转换开关K2,选择不同的电容:C\(_{1}\)、C2、C\(_{3}\)或C4,振荡器分别模拟小鸟、蝈蝈、母鸡、青蛙的叫声。

元器件选择
晶体管BG\(_{1}\)采用3DG6,BG2采用3AX31。电感L是利用收音机的小型输入变压器的初级线圈,扬声器用8欧喇叭,C\(_{1}\)、C2、C\(_{3}\)、C4要在调试时最后确定。K\(_{1}\)、K2是特殊结构的开关,称为姿控开关,需自制。
姿控开关
姿控开关是本玩具的关键部分,它是由电源开关和转换开关组合而成。电源的通断和各种鸣叫声的转换都是由玩具放置的姿态来控制的。姿控开关的形状为四棱柱体,内有四对接点,供叫声转换用,底面是电源开关部分,是常闭型簧片开关。开关的腔体中有一枚钢球,当玩具直立(小柄在上面)时,靠钢球重量将开关K\(_{1}\)接点断开;当玩具放倒,使某一画有动物图象的侧面在上时,钢球不压在开关K1之上,而是跨接在侧壁的一对导线上。此时利用钢球导电性,接通四对转换开关接点当中的某一对接点,使鸣叫电路产生相对应的动物的鸣叫声。
安装调试


此玩具的线路板见图3,将喇叭、姿控开关和线路板如图4所示安装好。装上电池进行调试,适当选择C\(_{1}\)、C2、C\(_{3}\)、C4的容量,使模拟的鸣叫声逼真。在外罩上安一个小柄,这样拿着方便,又可以防止倒放时浪费电。最后在四个侧面上贴上与鸣叫声相对应的动物图案,这个玩具就做好了。改变C\(_{1}\)、C2、C\(_{3}\)、C4等元件数值,可改变模拟动物鸣叫声,而整体结构不必改变,这样就可扩大“谁在上,谁就唱”的花色品种,实现该玩具的系列化。(本文作者已将姿控开关申报了专利)。(北京一六六中 郑小功)