一个没有设置稳速装置的电机,其转速会因电机负载的变化而受到影响。实验表明,录音机在放音时,若磁带走速慢于其录音的走速,则还原出的声音就比原录音信号的频率低;反之,放音时若磁带走速快于其录音的走速,则还原出的声音频率就比原录音信号的频率高。要使音频信号的频率在录音机的录放过程(即录放音磁头的电磁转换)中不产生频率失真,则要求磁带必须以准确并稳定的走速通过录放音磁头的工作缝隙。因为磁带的走速是在电机的带动下进行的,故要求电机的转速要准确和稳定且瞬时转速均匀。由于电机的转速会受电机的负载、供电电压及温度等因素的影响而发生变化,为此录音机中的直流电机都设置了稳速装置。
直流电机调速原理
我们知道,通电的电机转子绕组在磁场中会受到电磁转矩M的作用。M的大小与气隙(转子与定子之间的间隙)中磁通φ的大小及转子绕组中电流I\(_{M}\)的大小成正比,即M=CM·φ·I\(_{M}\),式中CM是与电机结构有关的常数。当电机转子作匀速旋转时,转子所承受的阻力矩M\(_{f}\)(由电机负载产生)应等于电磁转矩M,即Mf=M。当电机转子绕组在磁场中作旋转运动时,转子绕组因切割磁通φ,而在其内部产生一个感应电动势ε。ε的大小与转子绕组的转速n及φ成正比关系,即ε=C\(_{ε}\)·φ·n,式中Cε是与电机结构有关的常数。由于ε阻碍转子绕组中电流的流动,因此ε也称反电动势。这个转子绕组可以被简化成等效电路,见图1。根据基尔霍夫第二定律,电机转子绕组两端电压降U\(_{M}\)应等于转子绕组中反电动势ε与转子绕组中电流IM压绕组上的压降之和,即U\(_{M}\)=ε+IM·r。将上述式子进行整理,可得到n=(U\(_{M}\)-Im·r)/C\(_{ε}\)φ。也可以进一步简化成n=UM/C\(_{ε}\)φ-rMf/CMC\(_{ε}\)φ\(^{2}\)。由上式不难看出,在电机结构一定(即CM、C\(_{ε}\)为定值),且电机负载Mf也一定的条件下,电机的转速n与供电电压U\(_{M}\)、绕组电阻r及磁通φ有关。换句话说,在电机负载Mf一定的条件下,可以通过改变U\(_{M}\)、r及φ的大小来达到控制电机转速n的快慢。录音机中使用的直流电机广泛采用改变电机供电电压UM大小来控制其转速的方法。

要实现电机转速的自动控制即稳速,还需要利用稳速装置。本文介绍的是电子稳速电路的工作原理。
电子稳速电路

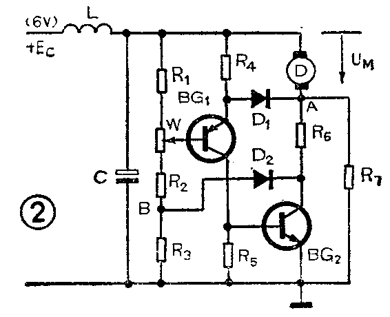
图2是一种直接安装在电机内部的电子稳速电路。电路中,BG\(_{1}\)是误差放大管,它的基极电位主要是R1、R\(_{2}\)、R3及W分压来确定,改变W可在一定范围内调整BG\(_{1}\)基极电位的高低(即手动调速)。另外,BG1基极电位还受B点电位的影响。BG\(_{2}\)是调整管,起改变电机供电电压UM高低的作用。R\(_{7}\)可并联分流。二极管D1、D\(_{2}\)起钳位作用,D1可将A点电位U\(_{A}\)的变化反馈到BG1的发射极上,D\(_{2}\)可将BG2集电极电位U\(_{C2}\)的变化反馈到B点。D为直流电机。
在电机负载M\(_{f}\)正常时,通过手动调整W改变电机的供电电压UM使电机的转速达到要求。
当电机负载M\(_{f}\)增加(如卷带盘上所卷磁带增多)且稳速电路还没有开始发挥作用时,即电机供电电压UM还没有改变时,电机转速n会因M\(_{f}\)的增加而变慢。由于ε=Cε·φ·n,所以转速变慢将引起转子绕组中反电动势减小,也使电机两端的电压降U\(_{M}\)减小。根据UA=E\(_{C}\)-UM,U\(_{A}\)将升高。经过D1的钳位作用,BG\(_{1}\)发射极的电位Ue1也随之升高。这时,由于BG\(_{1}\)基极电位Ub1还没有发生变化,所以BG\(_{1}\)的发射结正向偏压Ueb1就比前一时刻增大了一点。从而引起BG\(_{1}\)基极电流Ib1及集电极电流I\(_{c1}\)的增加。结果使BG1的集电极电位U\(_{c1}\)上升。由于Uc1=U\(_{b2}\),此时BG2的基极电位U\(_{b2}\)将随Uc1上升而上升,经BG\(_{2}\)倒相放大,使BG2集电极电位U\(_{c2}\)下降。Uc2的下降变化经隔离电阻R\(_{6}\),使UA从前一时刻上升的变化转变为下降的变化。U\(_{A}\)的下降又使得UM增加,这时电机转速n就从前一时刻变慢状态开始转变为加快,并趋向于所要求的数值。也就是说,这时在稳速电路的作用下,电机的转速开始回升了。
但是此刻U\(_{A}\)的下降变化又会通过二极管D1而作用到BG\(_{1}\)的发射极上,使其电位Ue1从前一时刻上升变化转变为下降变化。如果这时U\(_{b1}\)仍然保持不变的话,那么BG1的发射结正向偏压U\(_{eb1}\)就会从刚才的增加转为减小。很显然,Ueb1的这一减小变化经过BG\(_{1}\)、BG2倒相放大作用后,反馈到电机供电电路上时,它将产生与前一时刻相反的结果,即电机转速从加快状态又回到变慢状态。为了解决这个问题,在电路中加了D\(_{2}\),通过D2钳位,使B点电位U\(_{B}\)随调整管BG2的U\(_{C2}\)变化。这样在UC2下降而引起U\(_{A}\)下降的同时,也引起UB的下降,经R\(_{6}\)的作用,使UB的下降变化要比U\(_{A}\)的下降变化大一点。UB的下降经R\(_{2}\)和W后,将导致Ub1的下降。由于BG\(_{1}\)的Ub1比U\(_{e1}\)下降得多一点,所以使Ueb1仍然保持增加的趋势。U\(_{eb1}\)继续增加的信号经BG1、BG\(_{2}\)后,就使BG2集电极电位继续下降,经电阻R\(_{6}\)使UA继续下降,从而U\(_{M}\)继续增加,电机转速继续回升,最后使电机转速趋向所要求的数值,即转速被稳定了。反之,若电机负载Mf减轻,通过稳速电路的作用,电机的转速也会得到稳定。
假设电路工作电压E\(_{C}\)因某种原因而上升,根据EC=U\(_{M}\)+UA,U\(_{M}\)和UA都将要随着增加和上升。在电机负载不变的情况下,电机转速n将会变快而使电机两端的压降U\(_{M}\)进一步增加,这就限制了UA随E\(_{C}\)上升而上升的趋势。也就是说EC的上升将主要引起电机供电电压U\(_{M}\)的增加,而UA的上升却很小。E\(_{C}\)的上升变化经过R1、W、R\(_{2}\)及R3分压后,使BG\(_{1}\)的基极电位Ub1上升。尽管此时U\(_{A}\)的微弱上升也会经过D1钳位而作用到BG\(_{1}\)的发射极上而使Ue1有所上升,但是U\(_{b1}\)的上升要比Ue1的上升多,因此这时BG\(_{1}\)发射结正向偏压Ueb1减小了。U\(_{eb1}\)减小的变化经过BG1后,其集电极电位U\(_{C1}\)将下降。由于Ub2=U\(_{c1}\),所以Ub2将随U\(_{C1}\)下降,进而使Uc2上升。U\(_{c2}\)的上升,一方面经过R6使U\(_{A}\)上升,促使电机供电电压UM减小,从而导致电机转速减慢。另一方面经过D\(_{2}\)使UB上升,促使U\(_{eb1}\)继续保持减小的趋势,经过BG1和BG\(_{2}\)倒相放大作用,使UM继续减小,最后使电机转速n继续减慢,并趋向所要求的数值。即完成了电机转速的稳定工作。反之,若电源电压E\(_{C}\)发生下降的变化,通过稳速电路的作用,电机的转速也会得到稳定。

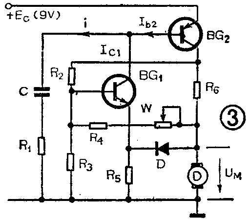
图3是一日产直流电机使用的一种稳速电路。图中,C、R\(_{1}\)为稳速电路触发启动网络。R2、R\(_{3}\)分压为误差放大管BG1提供基极电压。另外,R\(_{4}\)、W可将A点电压反馈到BG1的基极上,W为手动调速。同时A点电压也可通过R\(_{5}\)及二极管D反馈到BG1的发射极上。BG\(_{2}\)可控制电机供电电压的大小。
由图3电路可知,BG\(_{1}\)发射结偏压取自BG2集电极,因此要使BG\(_{1}\)导通,就必须使BG2先导通。在通电瞬间,电源电压E\(_{c}\)则通过C、R1网络给BG\(_{2}\)发射结加上一个正向偏压,使BG2进入导通。这时BG\(_{2}\)集电极输出电压经R2、R\(_{3}\)分压后,使BG1发射结也得到正向偏压,因此BG\(_{1}\)也开始从截止进入导通。由于此刻Ib2=I\(_{c1}\)+I,所以BG1的导通将进一步促进并稳定BG\(_{2}\)的导通状态。当BG1和BG\(_{2}\)都稳定工作时,电容C的充电电流I也已逐渐减小到零。此时,Ib2就全部流入BG\(_{1}\)的集电极,即Ib2=I\(_{C1}\)+I≈IC1。至此C、R\(_{1}\)网络对电路的触发启动工作结束。
由于图3电路的稳速工作过程与图2电路基本类似,不再赘述。(益友)