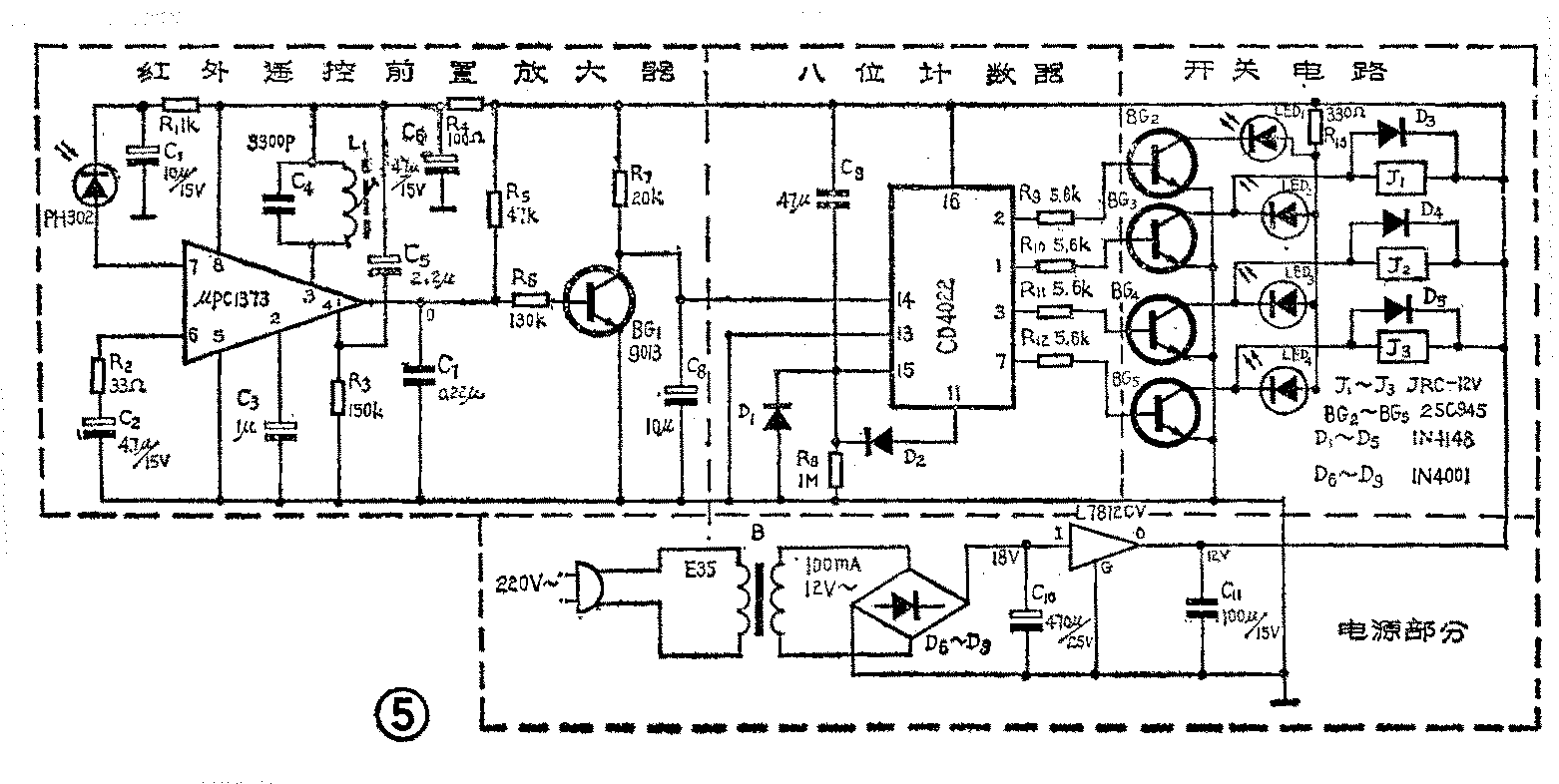
图5为四状态红外线接收机原理图,它也可以跟图1的发射机配套使用,适合作电风扇的遥控开关兼三档调速之用。其中μPC1373的作用同前所述。BG\(_{1}\)等组成反相器,CD4022是一块八位计数器,外部第15脚为置零(R)端,第14脚为输入(CL)端,第2、1、3、7、11、4、5、10脚为输出端。置零后,第2脚输出高电位,通过R9加到BG\(_{2}\)的基极,使BG2饱和导通,LED\(_{1}\)亮。此时由于其余七个输出端均为低电位,BG3~BG\(_{5}\)截止,LED2~LED\(_{4}\)不亮,继电器J1~J\(_{3}\)均释放。

当红外接收二极管PH\(_{3}\)02收到发射机发送的第一个信号后,在μPC1373的第1脚输出一个负脉冲,经BG1反相后送到CD4022的第14脚,使其第1脚输出高电位,而其余的输出端均为低电位,所以只有BG\(_{3}\)饱和导通,LED2亮,J\(_{1}\)吸合,其余的发光二极管和继电器均不工作。当发射机发送第二个信号时,接收机中的BG1集电极也随着送出第二个正脉冲,使CD4022的第3脚输出高电位,LED\(_{3}\)亮,J2吸合,J\(_{1}\)、J3释放。当发射机发送第三个信号时,接收机的CD4022的第7脚输出高电位,LED\(_{4}\)亮,J3吸合,J\(_{1}\)、J2释放。当发射机发送第四个信号时,CD4022的第11脚输出高电位。以此类推,CD4022可以输出八种状态,但由于本机只使用四种状态,所以将第11脚的高电位通过二极管D\(_{2}\)反馈到第15脚(R端),相当于给计数器一个置零脉冲,使计数器恢复到第一个状态(即第2脚输出高电位,LED1亮)。此后若继续依次发送短脉冲信号时,各个继电器就按上述程序依次轮流吸合。我们利用这四种状态就可以去遥控电风扇,使之完成停止、慢速、中速、快速四种功能。把各继电器的常开触点分别接至风扇的转换开关即可。
电路中R\(_{8}\)和C9的作用是在接通电源的瞬间使计数器置零。此时只有第2脚输出高电位,以便在开机时保证使所有继电器必定处于释放状态。本机还可以直接由市电供电。
四状态接收机印制板图见图6。先装电源部分,用万用表测L7812CV的输入端I与输出端O的对地电位应分别为18V与12V。电源部分正常后,切断220V交流电,继续装开关电路和八位计数器部分,最后再装上红外遥控前置放大器。然后接上市电,测电路各点对地电位,应大致符合上期文中所列的各项数据。待一切正常后就可以进行收发对谐和拉距离试验了。方法如下:用万用表直流10V电压档跨接在μPC1373的第1脚与地之间,把初步装好的发射机靠近并对准接收机中的红外接收二极管,断续发送短脉冲信号,万用表的读数应在0.5V~6V之间变化。若没有变化,应细心调节接收机中L\(_{1}\)的磁芯,也可调节发射机中的W1。然后撤去万用表,再断续发送信号,继电器J即能随着信号的有无而吸合、释放。最后由近及远地在室内逐渐拉开距离,并同时微调L\(_{1}\)或W1,一般能拉到10米左右。如有频率计,可先把发射机的振荡频率调节在38kHz上,这样就只需调节接收机的L1磁芯。使用中发射和接收二极管必须露在机壳外,有较大物体阻挡会失控。由于室内墙壁反射作用,实际中并不一定对准接收机发射。如果受日光灯或强光干扰而失控,可在接收二极管表面加一块红色玻璃或胶片作滤色片;如果被控负载用220V交流电源,应在继电器常开触点间跨接0.5μ/400V电容器,以防火花干扰。(完)(汤诞元)
