本文介绍的这种简易十进制电阻箱仅用36只电阻,通过开关转换后能得到0.1欧姆~10兆欧之间的阻值,并能达到0.1欧姆的精度。
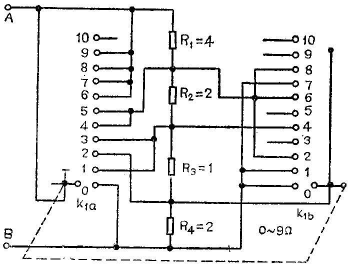
图1是这种电阻箱的一个单元电路,从图中不难看出,通过转换开关K\(_{1a}\)、K1b就可以在A、B端得到0~9欧姆之间的全部整数阻值。例如要得到4欧姆电阻值,把K\(_{1}\)拨到“4”上,这时从左边看R2、R\(_{3}\)、R4三只电阻接入A、B之间。这时从右边看K\(_{1b}\)正好把R3短路,因此A、B两点总阻值为R\(_{2}\)+R4=2+2=4(欧姆)。

如果把图1中R\(_{1}\)、R2、R\(_{3}\)、R4分别扩大10、100、1000、……1000000,就可以通过以上8个单元电路的串联得到0欧姆到9999999欧姆之间的任意一个整数阻值。缩小1/10,就可得到0欧姆~0.9欧姆的阻值。和以上8个单元串联就可以得到0.1欧姆~10兆欧的阻值,精确度为0.1欧姆。大家可根据需要,扩大或缩小它的阻值范围。
在制作电阻箱时,要选择高精度的金属膜电阻,功率可以按需要自行选择。如果下限电阻值小,则要加宽印刷电路板图中线条宽度,并要选择铜箔较厚的敷铜板绘制印刷电路。另外导线也要选择粗一些。转换开关选择双刀十一掷旋转型的,并要求接触电阻小于0.001欧姆。(薛恩全)