尽管CMOS集成电路具有许多优异的特性,但因目前能在大功率、高电压、超高速等场合下工作的CMOS器件还很缺少,同时也因HTL及PMOS等集成电路不可能一下子全部消失,有些领域甚至还在大量地使用着。因此,在许多数控或自控装置中不可避免地要出现CMOS电路与其他类别集成电路或分立器件混合使用的情况。这就要涉及到一个不同器件相互兼容连接的问题,即接口问题。接口是CMOS电路应用技术的重要基础之一,本文拟从爱好者较易接受的角度来详细地介绍一下这方面的技术。
接口的基本要求
CMOS电路(以下简称CMOS)与其他器件接口时,从它所处的位置来看,不在前级就在后级,所以接口问题一般可归结为以下两方面:一是CMOS怎样驱动其它器件,二是其它器件如何驱动CMOS。由于其它器件的种类繁多,特性各异,加上各个品种CMOS电路的输入结构和输出驱动能力也有差别,因此实际上有多种接口问题需要解决。然而不管具体问题有多少,对接口的基本要求是一致的,即需要达到“电压适配”和“电流适配”。前者的含义是:前级器件输出的逻辑电平要满足后级器件对输入电平的要求;后者是指前级器件的输出电流应大于后级器件对输入电流的要求,但不得对器件造成损害。很明显,如果前、后级器件的特性都能满足这两个适配要求,那就不需另设接口电路而可直接连接。若有一个要求不符,就必须另用接口电路或接入一些元件来满足要求。
对于一般应用来讲,接口能够达到电压和电流的适配就可以了,但在高速或干扰严重的场合,通常还需要考虑接口对系统速度和抗干扰性能所带来的不利影响,并加以适当处理。下面对各种具体的接口分别进行分析。
其它器件驱动CMOS
由于CMOS的输入阻抗很高,在用其它器件驱动CMOS时,一般不需考虑电流适配,只要搞好电压适配也就可以了。通常用来驱动CMOS的多为其它类型的数字集成电路,要达到电压适配,就必须熟悉和掌握这些常见的各类数字器件的输入、输出逻辑电平,而且应该是“最坏”的参数。具体来讲,就是考虑输入和输出低电平的最大值,输入和输出高电平的最小值,只有用这样的参数来设计接口,才能保证它的工作正常、可靠。
附表列出常见各类集成电路的一些有关电特性参数。根据附表,我们画出适用于其它器件驱动CMOS这一方面接口的电平适配图,见图1。图中的左边给出各类器件的输出高电平V\(_{OH}\)值,以阴影框内的最低值为准(如对应于HTL电路的VOH为13.5V)及输出低电平V\(_{OL}\)值,以阴影框内的最高值为准(如HTL电路的VOL是2V)。图中右边是使用5V、10V、15V电源电压时,CMOS需要输入的低电压V\(_{iL}\)、高电压ViH值。由图1可以直观地看出哪些器件可以直接与CMOS配接,哪些器件需通过接口电路才能驱动CMOS。下面我们就具体地运用图1并通过采取一些措施来实现各类器件驱动CMOS的接口。


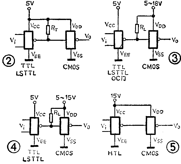
1.TTL或LSTTL驱动CMOS:
由于TTL和LSTTL(低功耗肖特基TTL)的输出高、低电平相同(见图1),因此它们驱动CMOS的接口设计通常也是一样的。当CMOS与TTL使用同样电源电压(即V\(_{DD}\)=5V)时,由图1不难看到,TTL的低电平VOL(0.4V)处于CMOS所要求的输入低电平V\(_{iL}\)范围(0~1.5V)内,或者说TTL的VOL低于CMOS的V\(_{iL1}\),故驱动没有问题。但是TTL的VOH(2.7V)却没有进入CMOS所需要的V\(_{iH}\)范围(3.5~5V)内,即TTL的VOH低于CMOS的V\(_{iH1}\)(见图1中两条点划线的上边一条,用不合适箭头标出),因此两者不能直接接口,需将TTL的VOH提升才行。那么如何提升呢?方法有多种,这里介绍其中较简单实用的两种。
(1)增设提升电阻R\(_{T}\):接口电路如图2所示(为求简单,以门电路为例)。接入RT以后,它跨接在TTL输出与CMOS输入之间,+5V电压通过RT直接使TTL的V\(_{OH}\)得以提升。RT的取值有一定范围,若取太小,则因灌入TTL电路的电流太大,而使输出低电平抬得过高;若取太大,会使TTL的V\(_{OH}\)提升不够,对工作速度也有不利影响。另外TTL有多种系列,对于不同种类的TTL,RT的取值范围也有一定差别。现今常用的TTL电路是标准TTL(简称TTL,国产T1000系列电路即属此类;过渡部标产品T000系列电路也与此相同,但部分指标偏低)和LSTTL(国产T4000系列电路),一般RT在2kΩ~7kΩ内取值,可同时适应于这两类电路。在实际使用中,通常选3.3kΩ~5.6kΩ最为多见。

(2)用TTLOC门接口:采用TTLOC门(集电极开路门),可以方便灵活地实现TTL与CMOS的接口,具体电路如图3所示。图中的RL为OC门的负载电阻,其取值范围要比图2中的R\(_{T}\)大得多,一般可达数百欧到几兆欧的范围。RL取得大,对减小OC门的功耗有利,但影响速度;一般场合可取47~220kΩ,中高速场合取22kΩ以下较为合适。
以上所述是对CMOS使用5V时而言,如果CMOS的V\(_{DD}\)大于5V,那该如何接口呢?由图1可见,不管CMOS的VDD怎样改变,TTL的V\(_{OL}\)总是符合接口要求的。问题还是VOH太低。解决的办法当然依旧是提升V\(_{OH}\),具体电路仍可参见图2和图3。但图2中的TTL和CMOS的电源应分开,将RT接至CMOS的V\(_{DD}\)端,见图4(图中RL应为R\(_{T}\))。当VDD≥10V时,采用图3电路更为合适。CMOS的电源电压用得较高,可适应中高速或抗干扰等电路的要求。
2.HTL驱动CMOS:HTL电路的电源电压为15V,其V\(_{OH}\)和VOL完全适合于驱动V\(_{DD}\)=15V的CMOS(见图1中两条虚线所示)。因此两者之间不需要另设接口电路,直接连接即可,见图5。HTL的特点是抗干扰性强,输出电流较大,常用于工业控制系统和干扰大的环境中,比较适合驱动系统外的分立元、器件等。
3.PMOS驱动CMOS:通用系列PMOS器件基本上采用-20~-24V的电源,其V\(_{OH}\)和VOL分别为-2V和-12V(正逻辑制)。初看起来,要与使用正电源、输出正电平的CMOS接口似乎颇为复杂,其实并不难。只要将CMOS的电源电压取10~15V,同时把PMOS的V\(_{SS}\)端与CMOS的VDD端相连共接地,再设置个别保护元器件即可完成接口,具体电路见图6和图7。这样连接后,尽管PMOS的输出电平对自身的V\(_{SS}\)端来讲仍是负值,但对CMOS的VSS端而言,却变成正值或零(或略偏于零的负值)。例如,当CMOS使用12V电源时,则其输入电平为V\(_{iH}\)=10V,ViL=0V,完全适合接口的需要。为便于对照,图1中已将PM-OS的输出电平“转换”成正值,看图时应予以注意。

在图6、图7电路中,由于CMOS的V\(_{iL}\)(即PMOS的VOL)有可能变为负值,若负压太大,则会使CM-OS内的输入保护网络受损或烧坏。为此在图6中加了限流保护电阻R和钳位二极管D。在图7中则设置提升V\(_{iL}\)的电阻RT。前者R的取值应以CMOS的输入电流不大于50μA,同时又不影响正常工作为准。后者R\(_{T}\)之值应调到使PMOS的VOL为-9.5~-10V。
4.NMOS驱动CMOS:NMOS工艺常用于微处理器和存储器等大规模集成电路,国内NMOS中小规模通用电路不多,现已很少见。随着微机应用的普及和发展,NMOS与CMOS的接口也将经常遇到。图1所示NMOS的V\(_{OH}\)和VOL是指双电源(+12V和-5V)品种,与这种NMOS连接,CMOS以用10~12V电源为宜。那么两者能否连接呢?由图1不难看出:V\(_{OL}\)可以满足要求没有问题,但VOH的幅值不够高。对此,仍可象上述的TTL→CMOS电路那样,用提升电阻R\(_{T}\)的方法来解决,连接后的电路见图8。RT的值应按NMOS电路的不同而调到使V\(_{OH}\)刚刚达到10~12V即可。

NMOS还有单电源(+5V)和三电源(+12V、+5V、-5V)两个品种。对于这两种不同电路,若CMOS使用5V电源,可采用图2所示的电路接口(TTL换成NMOS),调R\(_{T}\)使NMOS的VOH提至4~5V即可。假如CMOS使用10~18V电源(常用12V,以与NMOS中的一组电源合用),则要用电平交换电路或晶体管来接口。图9示出一例用晶体管的接口电路,以供参考。电路中R\(_{C}\)的取值多选用2kΩ~100kΩ,RB的取值下文再作介绍。
5. HCMOS驱动CMOS:这种情况通常少见。由于两者均是CMOS,故接口很容易。当CMOS用5V电源时,直接连接即可。(铁奇)