互补型金属氧化物半导体(CMOS)集成电路具有微功耗、工作电压范围宽、抗干扰能力强及输入阻抗高等一系列独特的优点,为此无论是专业工作者还是业余爱好者都乐意选用它。在品种繁多的CMOS电路中,门电路是应用较多的一种。它不仅可以产生或处理数字信号,即数字应用,也就是非线性应用,而且还可以产生或处理模拟信号,即模拟应用,也就是线性应用。作为CMOS门电路线性应用的例子,下面我们对用CMOS门电路构成的线性放大器和正弦波振荡器的原理作一介绍。
用CMOS门电路构成线性放大器
CMOS非门的电路结构见图1。它由一个P沟道(BG\(_{P}\))和一个N沟道(BGN)增强型MOS晶体管按互补形式连接而成。两管栅极连在一起作为输入端,漏极连在一起作为输出端,BG\(_{P}\)的衬底与源极相连的引线作为UDD端;BG\(_{N}\)的衬底与源极相连的引线作为USS端,在工作时,U\(_{DD}\)≥|UTP|+|U\(_{TN}\)|,UTP< 0 U\(_{TN}\)>0,UTP和U\(_{TN}\)分别是BGP和BG\(_{N}\)的开启电压(使MOS管的沟道导通的最小栅源偏压UGS)。

CMOS非门的输出、输入电压之间的关系曲线(电压转移特性曲线)如图2所示。当输入端为低电平(U\(_{i}\)≈0V)时,BGN的U\(_{GS}\)≈0V,因低于其开启电压而截止,BGP的U\(_{GS}\)≈-UDD,因其绝对值高于它的开启电压而导通。此时输出U\(_{O}\)≈UDD。只要U\(_{i}\)<UTN,(U\(_{DD}\)—Ui)>|U\(_{TP}\)|,BGN就维持截止状态,BG\(_{P}\)就维持导通状态,UO为高电平,如图2虚线A的左部。当输入电压U\(_{i}\)增加到UTN<U\(_{i}\)<UDD-|U\(_{TP}\)|时,BGP和BG\(_{N}\)的栅源偏压均大于它们各自的开启电压,故BGP和BG\(_{N}\)均处于导通状态,工作在饱和区。在此范围内,Ui只要有一点微小的增加,就会同时引起BG\(_{N}\)导通电阻较大的减小和BGP导通电阻较大的增加,此时两管导通电阻的比值变化很大。分压的结果,使U\(_{O}\)大幅度下降,表现在电在转移特性曲线上,如图2中A、B两条虚线所夹比较陡峭的部分。当输入电压进一步增加时,可使BGN的导通电阻非常小,BG\(_{P}\)因UGS=U\(_{i}\)-UDD小于开启电压的绝对值而截止,结果U\(_{O}\)≈0V,为低电平。Ui继续增大,输出端保持低电平,如图2中虚线B的右部所示。

图2中A、B虚线所夹区域称为非门电路的状态转换区,该曲线中点所对应的输入电压称状态转换电压,用U\(_{T}\)时表示,UT一般为电源电压的一半,即U\(_{T}\)=UDD/2。在转换区中,曲线比较陡直,只要输入电压有很小的变化,就可引起输出电压较大的变化,所以非门电路在状态转换区内具有电压放大作用,故状态转换区又称为线性放大区。我们所谈的CMOS门电路的线性应用就是指这个区域的应用。线性放大区所对应的输入电压范围ΔU\(_{i}\)=UB-U\(_{A}\), 即输入信号的最大动态范围, 它随电源电压的不同而不同,一般在200mV~300mV左右。在此期间,输出电压ΔUO无明显失真。状态转换区特性曲线的斜率即是非门电路的开环电压放大倍数A\(_{O}\)=ΔUO/ΔU\(_{i}\),一般在20~30倍之间。
与普通的放大器相似,为了不失真地放大输入信号。也需要给非门电路以静态偏置。通常将输入端偏置在U\(_{DD}\)/2处,输入信号的动态范围为最大。若在非门的输出端与输入端之间接一电阻RF,见图3,即可将非门电路的静态工作点偏置在状态转换区的中点。其偏置原理是这样的:由于CMOS门电路的输入阻抗很高,一般可达10\(^{8}\)Ω数量级以上,而R\(_{F}\)远远小于门电路的输入阻抗,故RF上的电压降近似为零,使得输出电压与输入电压相等,即U\(_{O}\)=Ui,这只能是转换区的中点。U\(_{O}\)=Ui这个偏置方程所描绘的几何图线是过原点且斜率为1的直线,见图2中直线OC。直线OC与电压转移特性曲线的交点Q,即为CMOS非门的静态工作点,显然是偏置在U\(_{DD}\)/2处的。从物理意义上讲:电路通电后,无论非门F输出高电平还是低电平,通过RF反馈到输入端,均将输入端电平相应地提高或降低,从而使输出电平下降或提高直至达到动态平衡为止。而这时非门中的BG\(_{P}\)和BGN均工作在导通状态,且导通电阻相等,分压结结果U\(_{O}\)=UDD/2。由于R\(_{F}\)上无压降,故Ui=U\(_{O}\)=UDD/2,偏置转换区中点。

应当说明,反馈偏置电阻不可过大,否则静止工作点受温度影响较大,可能会偏离线性区,使放大器输出电压产生非线性失真甚至无法工作。但R\(_{F}\)也不可太小,太小会增加门电路的负担。RF一般在几十千欧至几十兆欧之间进行选择。
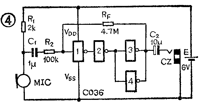
由CMOS门电路构成的单级放大器电压增益较低,为了获得较大的电压放大倍数,可将多个门电路构成的放大器串联起来组成多级放大器(为保证电路工作稳定,不致自激振荡,一般为奇数级串联)。图4是一助听器的实用电路,电路用了一块CMOS四与非门CO36,将与非门的两个输入端相连作非门使用。三级与非门串联与反馈偏置电阻R\(_{F}\)构成高输入阻抗且具有较高增益的拾音放大器。三级非门串联可等效为一个非门,通过RF可使三级非门都被偏置在U\(_{DD}\)/2处。门3和门4并联可提高放大器的负载能力。RF既是偏置电阻又是交流反馈电阻,改变R\(_{F}\)与R2的比值可以改变放大器的增益。按图中参数考虑,电压增益约为50倍。由于CMOS电路的输出电流较小,故听音耳机要选用高阻型的。此CMOS助听器具有电路简单、体积小及耗电省等优点。

对于多级CMOS放大器也可采用图5所示的偏置方式,第一级门电路被R\(_{F}\)偏置在UO1=U\(_{i}\)=UDD/2处,由于各级串联,后面两级也被偏置在U\(_{DD}\)/2。

CMOS门电路除构成交流放大器外,还可构成直流放大器,见图6。非门F仍是由电阻R\(_{F}\)偏置成单级反相放大器,只是电路采用双电源供电。偏置电阻将非门的静止工作点偏置在双电源的中点,即地电位。在静态时,UO=U\(_{i}\)。当输入电压Ui=0时,输出电压U\(_{O}\)=0,从而实现零输入时的零输出。当然输入输出电压都是对地而言的。

根据通常的差动式直流放大器的连接方法,也可将两个图6电路接成差动形式,见图7。此电路要求两边电路的电参数一致,R\(_{F1}\)=RF2, R\(_{1}\)=R2, F\(_{1}\)与F2的特性要尽量相同。本电路为双端输入双端输出。当输入端加有直流信号时,假设为上正下负,通过R\(_{1}\)、R2分压,使得两个非门的输入端分有大小相等,极性相反的差模信号,故F\(_{1}\)的输出电压下降,F2的输出电压上升,输出电压U\(_{O}\)等于两门电路输出电压之差。由于输入信号是被分为两半加到两个输入端的,故电压放大倍数仍为一个放大器的放大倍数。

CMOS门电路构成的正弦波振荡器
图8是用CMOS门电路构成的RC移相振荡器。非门F\(_{1}\)~F3构成三级放大器,每级之间用RC积分网络进行移相,每节可移相60°,三节共移相180°。另外三级非门构成三级反相放大器也有180°相移,故电路满足相位平衡条件,电路能够起振。振荡频率f\(_{0}\)=1/3.64RC。电路接通电源后,由于存在各种噪声或干扰,其频谱分布非常广泛,必有f=f0这一频率成份的信号加到放大器的输入端,经各级放大器放大,使电路中的信号越来越大,电路便振荡起来。由于选频网络仅能选出单一频率的正弦信号,而CMOS电路又工作于线性放大区,故电路产生的是正弦波振荡。

图9是利用石英谐振晶体和CMOS非门构成的正弦波振荡器。图中,CMOS非门F与负反馈偏置电阻R\(_{F}\)构成单级反相放大器,相移为180°。石英晶体J与电容C1和C\(_{2}\)构成π型反馈支路。石英晶体在其谐振频率附近电抗呈电感性,此时图9电路与通常的电容三点式振荡器相似。

晶体的等效电感与C\(_{1}\)、C2构成谐振回路,C\(_{1}\)、C2均有一个电极接地,即有一点是连在一起的。C\(_{1}\)、C2对谐振回路的电压进行分压,C\(_{1}\)上的电压就是放大器的输出电压,其瞬时极性与放大器输入端是反相的,即上而C2上分得的电压是下C\(_{2}\)上的电压即是反馈到输入端的电压。可见π型反馈支路为正反馈支路,故电路满足相位平衡条件可以产生振荡。电路接通电源,由于冲击和干扰,其中与谐振频率相同的信号经选频网络选出后反馈到放大器输入端进行放大,然后又反馈、放大,电路便振荡起来。由于在晶体的谐振频率附近,晶体才等效为电感,所以只有当电路参数构成的振荡频率接近晶体的固有谐振频率时,电路才能维持振荡。(苏长赞)