本刊1982年第4期曾介绍过使用普通电视机的家用电视游戏机。它是用AY-3-8500大规模集成电路装置的,但其逻辑功能差,玩法简单,取而代之的是新型的AY—3—8700系列的芯片。这种芯片采用微处理机作逻辑控制,其功能完全可与公园里的大型机媲美。
8700有多个游戏品种,现以8710为例作介绍。8710是以“坦克战”为内容的集成电路,两个游戏者各有六个控制按钮,分别操纵电视屏上各自的坦克,具有左转、右转、前进、后退、开炮及隐蔽的功能。利用这些功能,在布满障碍和地雷的“战场”上,灵活控制,打击对方。一场“战斗”紧张逼真,妙趣横生,一对熟练的游戏者,连续打二、三个小时也难分胜负!
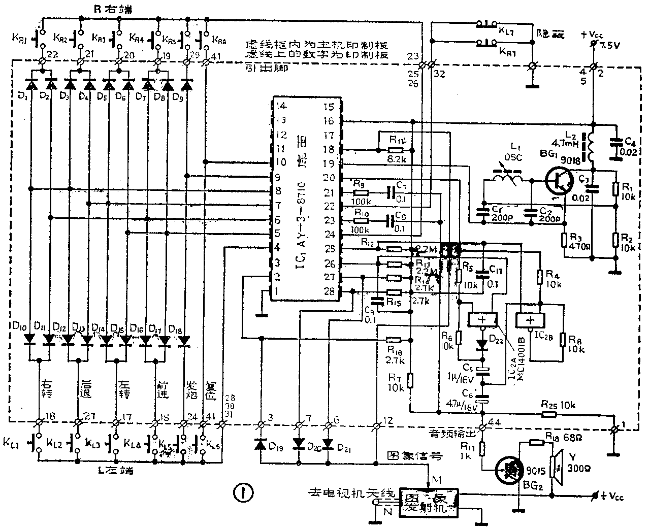
图1是整机电路图。图2是原理方框图。从图2可以看出8710芯片实际上是一个完整的单片计算机。电源接通后,中央处理器从存储器中取出游戏程序,把坦克、障碍物、地雷、炮弹及边界等信号取出,通过D/A电路及输出电路,把它们显示在荧光屏上,游戏者这时就可以“开战”了。游戏者可通过操纵控制钮来控制屏幕上的坦克运动状态,例如:左端控制者按下KL\(_{1}\),使图1中IC1第6、8脚经D\(_{1}\)0、Dll、K\(_{L1}\)接通4脚,芯片内的输入电路便给出一个信号,中央处理器把这个信号以及游戏规则程序信号送入运算器中进行比较,运算器输出指令,中央处理器根据这个指令,从存储器中取出左方坦克向右转的信息,经D/A转换,从芯片输出声音和图象信号,屏幕上便可看到左控制者的坦克向右原地转向。只要这个输入信号一直保持,那么输出信号也持续不变,坦克也不停地重复该动作。若游戏者按下KL4键,把5、6脚经D\(_{16}\)、D17接通4脚,中央处理器便得到另一个指令,使左坦克向前进,其他左转、发炮等动作可通过按下相应按钮加以控制。右边的游戏者控制坦克的方法也与此类似。由于8710的存储器容量比一些旧型号芯片大得多,因此两个坦克的控制信号可以在中央处理器的指挥下存放在存储器的任意区域,坦克可以在荧屏上的各个角落出现。屏幕上还可以看到一些亮的小方块,这是“战场”上设置的地雷和障碍物。操纵坦克时应绕过它们,否则碰上地雷要爆炸,会丢掉1分;碰上障碍物则通不过,而按下“隐蔽”钮K\(_{L7}\)、KR7,障碍物便不起作用。


其外围电路由BG\(_{1}\)、L1、C\(_{1}\)和C2等元器件构成时钟电路,振荡频率为3.75MHz,该时钟信号由IC\(_{1}\)的第19脚输入,作为IC1的同步和时基信号。IC\(_{1}\)的外控指令输入端是第4~9脚,以及22和24脚,其中第4和第24脚分别是左游戏者(L)和右游戏者(R)的公共控制端;第10脚是置零端,它接通4或24脚可使整机归零复位。第22脚与地接通或断开,能使R、L两只坦克不穿越或穿越“战场”中的障碍物。很好地利用它,可以在游戏中增加许多技巧,当然也可以把KR7和K\(_{L7}\)省去,只装一只1×1开关,这样本机就变成了两种玩法的机子了。
大规模集成电路AY—3—8710的输出电路有音频输出和视频输出两部分。中央处理器把存储器的输出信息输到D/A转换器中,电路在这里把它转换成音响模拟信号与图象模拟信号并分别输出。图象输出电路由D\(_{19}\)、D20、D\(_{21}\)和R11、R\(_{14}\)、R15和R\(_{16}\)组成的或门电路构成。它把第18脚输出的同步信号和2、27、28脚输出的视频信号合成黑白全电视信号,由M点送给图象发射机。图象发射机为独立部分,由金属盒屏蔽起来。经图象发射机形成的射频图象信号由N点输出到普通电视机天线,其频率落在某一电视频道内,显示图象。第20、21、23、25、26脚为IC1的音频输出端子、这些音频信号经BG\(_{2}\)放大后,由扬声器发出坦克的发动机声,开炮和爆炸声。(罗旋)