大家知道,在现代音响设备中,采用多点式音调控制方式(又叫图示式频率均衡器)比以前延用的高低音两点式音调控制器性能要好得多。本文向读者介绍一种用TA7796P和TA7796Z专用集成电路制作的五频段图示式均衡器,上述集成块是日本东芝公司设计生产的。TA7796P和TA7796Z的外形图见图1,它们仅仅是封装形式不同,内部电路及各项电气参数完全一样,附表列出了TA7796P和TA7796Z相对应的管脚位置及在8伏电源电压下各管脚的电压值,可供参考。


图示式均衡器专用集成电路TA7796P和TA7796Z的主要特点是:
(1)所用的外围元件较用一般集成运算放大器组装的均衡器大为减少。(2)工作电压范围宽,可在4~16V范围内可靠地工作。(3)噪音低。(4)失真很小。(5)控制范围宽,典型值为±12dB,最大可达±14dB。它的控制特性见图2。

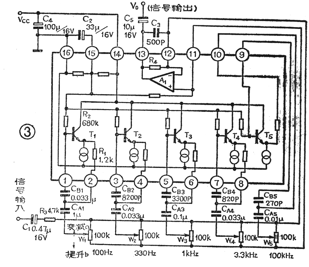
图3为TA7796P使用原理图。图中,T\(_{1}\)~T5五个晶体管及有关元件构成五个等效电感,这五个等效电感分别与C\(_{A1}\)~CA5五个电容构成五个串联谐振回路,谐振频率分别为100赫、330赫、1千赫、3.3千赫、10千赫。那么频率均衡作用是如何实现的呢?下面我们以中心频率f\(_{0}\)为100赫这一支路为例来谈谈有关均衡原理,其它几个支路原理相同。

图3中,由晶体管T\(_{1}\)及有关元件构成的一个等效电感为L1=C\(_{B1}\)·R1·R\(_{2}\),L1与C\(_{A1}\)构成一个串联谐振回路,谐振频率为
f\(_{0}\)1=\(\frac{1}{2π}\)\(\sqrt{L}\)1·C\(_{A1}\)
=\(\frac{1}{2π}\)C\(\sqrt{B1}\)\(_{·R}\)1·R\(_{2}\)·CA1
=\(\frac{1}{6.28}\)\(\sqrt{0}\)33×10\(^{-}\)6×1.2×103×68×10\(^{3}\)×10-6
≈100赫。
图4a为该支路音调控制的原理示意图。图中运算放大器A\(_{1}\)是图3中集成块内部的公共通道放大器,L1是上面曾提到的等效电感,R是一个等效电阻,W\(_{1}\)、CA1、R\(_{3}\)、R4的含意见图3。C\(_{A1}\)与L1串联谐振于100赫处,在这一频率点,这一支路的阻抗最小,其阻抗特性见图4b。图4a中,信号从R\(_{3}\)左端输入,从第13脚输出,当W1的滑臂处于中心时,电路对频率为100赫的信号不提升也不衰减:当W\(_{1}\)的中心滑向a方向滑动时,运算放大器的负反馈量加大,于是频率为100赫的信号受到衰减,衰减特性见图4c;当W1中心滑臂向b方向滑动时,A1的负反馈量减小,信号则受到提升,提升特性见图4d。其它几个频率点的衰减与提升原理与此相同。

图3中,只要调整C\(_{A}\)、CB的容量,即可改变串联谐振回路的谐振频率。在本电路中,五个谐振频率点分别设计在100赫、330赫、1千赫、3.3千赫、10千赫处。如果读者自行另设计谐振频率点,所设定的各中心频率应为倍频程关系,这样才能保证在整个频响范围内作均衡调节。另外,每个频率均衡网络的Q值应基本一致,因为Q值的大小决定着均衡曲线的斜率。一般说来,如果在信号的整个频段内均衡点取得较多,则Q值应取高些。反之Q值应取低些。以谐振频率为100赫这一支路为例,Q值的计算公式为Q\(_{1}\)=\(\frac{1}{R}\)1\(\sqrt{C}\)\(_{B1}\)·R1·R\(_{2}\);CA1 ,其中R\(_{1}\)、R2在集成电路内部已设定,不能自由调整,可通过调整C\(_{B1}\)与CA的比值来改变Q\(_{1}\)值。
制作与调试
图5为用两块TA7796P制作的立体声图示均衡器的印刷电路板图。除了电位器W\(_{1}\)~W5及W\(_{1}\)'~W5'以外,其它所有元件均安装在一块104×55mm的印刷线路板上。由于印刷板体积不大,所以可较方便地设置在音响放大器设备内的空余位置。组装时,既可以用22线印刷电路板插座,也可将电位器连线直接焊在电路板上。电路板应紧靠电位器以缩短引线,这时可以不采用屏蔽线。电位器均采用100千欧、X型双连直滑式的。在图3电路图中,电位器滑臂往上推为衰减, 反之则为提升。

TA7796P内部设有缓冲放大器,用来补偿插入这一级后对信号造成的损失,但整个这一级对信号是没有放大作用的。这一级电路应设置扩音机的前置放大级和音量电位器之间。
TA7796P和TA7796Z工作电压为4~16V,一般设计在6~12V为宜。如果扩音机中没有这样的电压档次,可用适当的电阻降压以达到要求。在图5印刷电路板上已预留了加装降压电阻及稳压二极管的位置。降压电阻值可自行计算(TA7796P/Z的典型工作电流为6mA)。(武