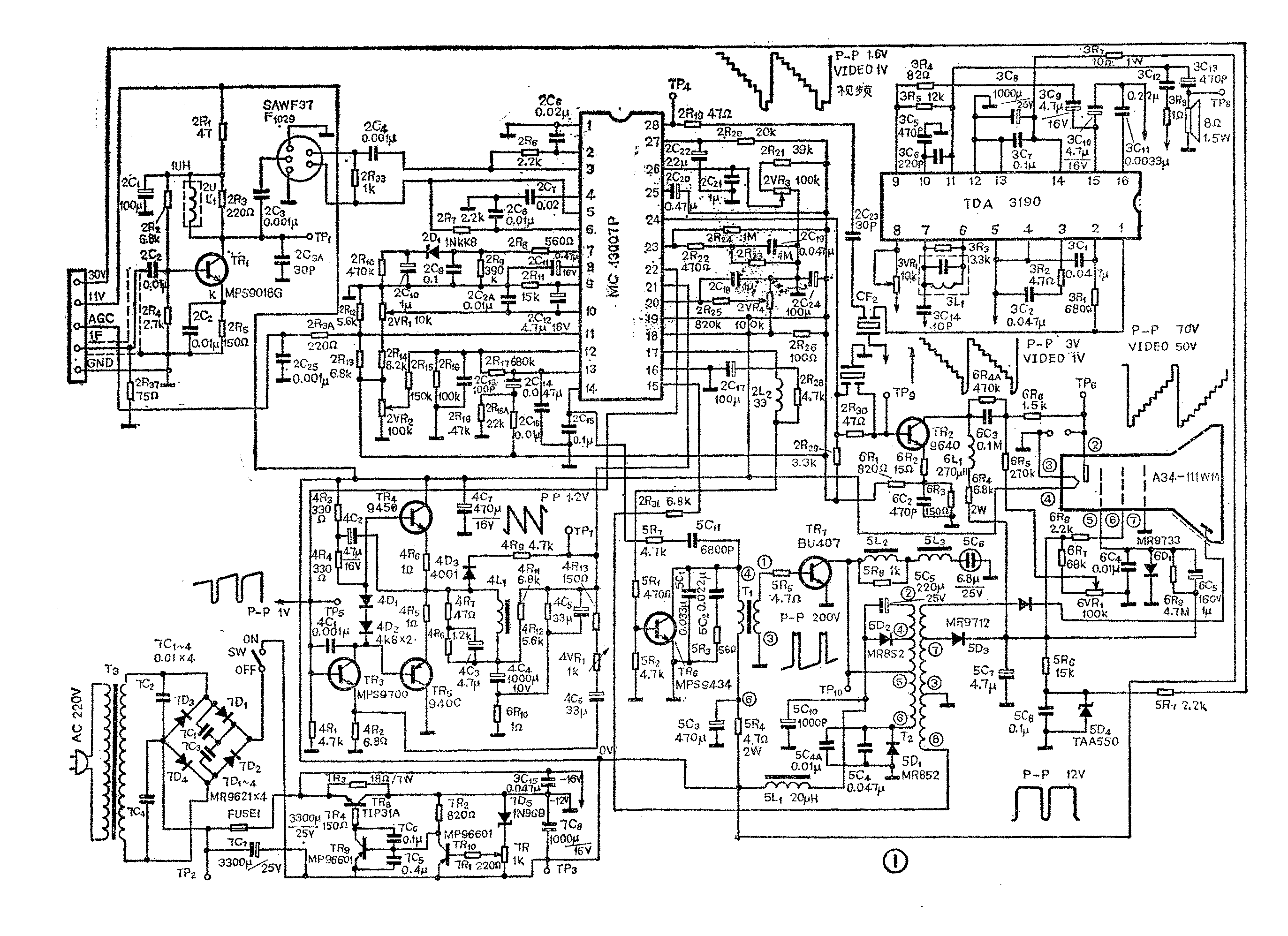
国内组装的CORONAR14英寸黑白电视机,在市场上占有一定的数量。它采用了集成度较高的单片集成电路MC13007P和TDA3190P,所以结构简单、功耗小,稳定度较好,但是,由于部分元件质量欠佳,故障率较高。我对维修过的上百台电视机进行了统计,故障现象及损坏元件都很集中,常有以下六种故障,写出来供大家检修时参考。图1是本机的电路原理图。

1.一开机,保险丝立刻熔断。
此故障应重点检查四只整流二极管(7D\(_{1}\)~7D4),用万用表R×100Ω档在路测量每个二极管的正、反向电阻,如果有被击穿的,可换上国产二极管2CZ85。
2.无图象、无伴音。
此类故障一般有三种情况:
①荧光屏上有噪点,用改锥碰击天线,荧光屏上几乎没有反应,当切换频道或调节相应的选台电位器时,荧光屏上也没反应。荧光屏上有噪点,说明中放、视放电路正常,应重点检查高频头电路,先测量加到高频头电路的30伏,11伏和3伏(AGC)电压是否正常,如果30伏电压为零,再测量5R\(_{6}\)上端的对地电压,若在100伏左右,说明故障在5R6和5D\(_{4}\)之间,这时正表笔接5R6上端不动,负表笔由接地端移到5R\(_{6}\)下端,若电压为零,显然是5R6开路,若电压值与对地电压一样,则为5D\(_{4}\)击穿,致使100伏电压都降落在5R6上。由于此机所用的5R\(_{6}\)功率较小(1/4W),5D4质量较差,所以,发生5R\(_{6}\)开路或5D4短路的情况比较多,在检修时,5R\(_{6}\)可用15K、1/2W的电阻代换,5D4可用国产管ZCW68代换。
加到高频头的11伏和3伏电压出现异常的情况不多,如果测得加到高频头的三个电压都正常,多数情况是高频头中的高放管Q\(_{1}\)损坏,Q1损坏后,可用国产管3DG56B来代换。
②荧光屏上有噪点,用改锥碰击天线,荧光屏上反应较强,当切换频道或调节相应的选台电位器时,荧光屏上有反应,喇叭中有时还有杂乱的广播声。
这种情况说明故障在高频头中,应检查高频头中的变容二极管V\(_{c1}\)、Vc2和V\(_{c3}\),多数情况是Vc1击穿,换上国产变容二极管2CB14,故障可排除。
③荧光屏上无噪点,呈现白光栅。
这是中放级有故障或增益低的典型现象。因此应重点检查MC13007P的中放电路,即重点测量其⑤、⑥脚的电压,正常时,⑤脚电压为4.2伏,⑥脚电压为4.5伏。当出现白光栅时,⑤、⑥脚电压都在6伏以上,这时只能更换MC13007P。
3.图象上部严重扭曲。
出现这种现象应重点检查鉴相电路和行振荡电路,即重点测量MC13007P的、脚电压,正常时,、脚电压都在4.8伏左右,如果测出、脚电压偏离正常值很远,说明集成块损坏,应更换新的集成块。
4.信号很弱。
出现这种情况,应先测量MC13007P的⑤、⑥脚电压,如果电压正常,用改锥的金属部分去碰击高频头的输出端(IF),如果这时荧光屏上有微弱的反应,说明故障在声表面滤波器F\(_{1}\)029中,更换一个新的声表面滤波器即可排除故障。如果手头没有声表面滤波器,可按图2所示的方法改动,即把F1029的②、④、⑤脚与电路断开(图中打叉处),将原来接②、④脚的电路用导线连接(图中虚线所示),再在MC13007P的中频输入端⑤脚与地之间,接一个0.001~0.0047μF的瓷介电容器,就可正常工作。

5. 刚开机,场幅上半部不满,待1~2分钟后,满幅,随后上线性拉长,但勉强收看。
此故障一般是TR\(_{4}\)管的β值小而且热稳定性差引起的,处理这种故障,一是更换同型号的管子,或用国产管D651代替。
6.场幅不满。
遇到这种情况,先调节场幅电位器(2VR\(_{4}\)),如果调节无效,应测量一下TR3、TR\(_{4}\)、TR5各级的直流工作点,特别要注意TR\(_{4}\)与TR5管基极之间的电压差,在这种型号的机器中,4D\(_{1}\)和4D2损坏的情况比较多,因而造成TR\(_{4}\)、TR5管直流工作点异常,致使场幅不满。4D\(_{1}\)和4D2可用国产2CP、2CK型二极管代换,也可用3DG6的发射结代替。(华兴潮)