日本电气公司(NEC)生产的μPC1031H2场扫描集成电路是带有散热片的10脚单列直插式塑封装结构,它适用于12~17英寸黑白电视机及6~9英寸彩色电视机,其外形结构如图1(a)所示,其内部电路功能方框图如图1(b)所示。

在使用过程中,最多出现的故障是由于电源电压波动过大而引起场频过高,使集成电路损坏。本文介绍此集成电路的代换方法:
1.直接代换:用外部结构尺寸、引出脚形式及内部功能完全相同的集成电路来直接代换。如:北京器件六厂生产的BL1031;北京半导体研究所生产的BGD1031;北京东光电工厂生产的BG1031;长春微电子工厂生产的QS1031;陕西骊山微电子公司生产的LD1031。以上五种集成电路的代换是最简单的代换,在代换中,电路无需作任何改动。
2.用内部功能相同的集成块代换:有些集成电路其内部功能与μPC1031H2完全相同,并且引出脚的数量和顺序也是完全相同的,只是外形几何尺寸稍有区别。如日本三洋公司的LA1385的外形尺寸比μPC1031H2的外形尺寸略小一点(参看图2),但引出脚的安装尺寸是相同,散热片的安装孔位也基本相同,因此,可以直接代换。日本NEC公司的μPC1031H、东芝公司的TA7242P,以及我国江南无线电器材厂生产的D7242P与μPC1031HZ的引出脚的尺寸是相同的,其区别仅在于散热片上的安装孔的位置不同,因此,在代换时,必须把外部散热片重新改制,并且使它与集成电路本身的散热片互相贴紧,最后用螺钉紧固。由于这几种集成电路与μPC1031H2之间的互换性较差,所以,在代换上去之后,有时还需要重新微调一下场线性和场幅度电位器。

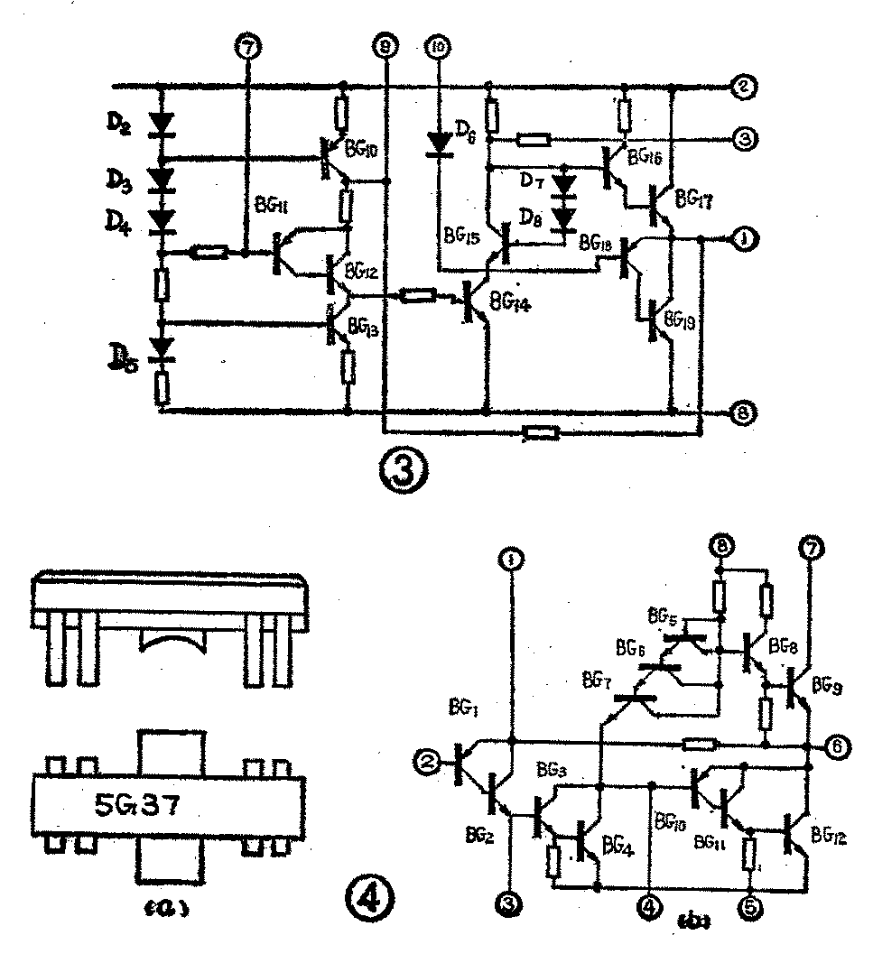
3.部分代换:在检修中,如果查出是集成电路内部某部分功能损坏的,可采用部分代换的方法。功放部分损坏:在使用中,μPC1031H2内部的功放电路的损坏率是比较高的。这一部分电路也比较复杂,它由10只晶体管组成,内部结构如图3所示。其中BG\(_{1}\)0为被D2偏置的恒流源,BG\(_{ll}\)、BG12为前置放大器,BG\(_{13}\)为被D5偏置的恒流源,BG\(_{14}\)是推动级,BG15与D\(_{7}\)、D8组成输出级的偏置电路,BG\(_{16}\)、BG19为输出级。这部分电路损坏,可用上海无线电元件五厂生产的功能十分接近的功放集成电路5G37代换。

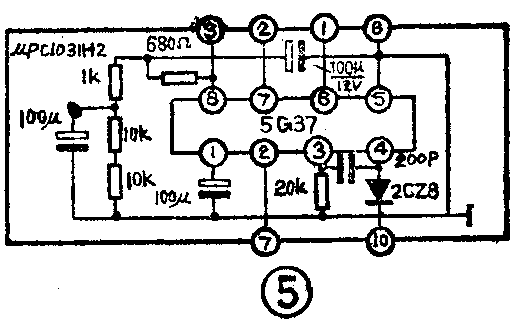
5G37是采用平面型集成工艺制成的功率放大器,其最大不失真输出功率可达2~3W。它的外形如图4(a)所示,是双列直插式8个引出脚,其内部原理图如图4(b)所示。在代换时,可按图5所示的电路,将5G37与μPC1031H2连接在一起。具体操作:先做一块专门安装5G37的印刷电路板,如图6所示,将5G37及有关元件焊接好,接着取下μPC1031H2,并剪去上面的①、②、③、⑦、⑧、⑩脚,再重新焊回原来的位置,最后根据图5中5G37引出脚与μPC103lH2引出脚的对应关系,将功率放大板用导线与μPC1031H2连接好,并将功率放大板固定在μPC1031H2的附近位置。以上安装完毕,只要稍微调整一下场线性和场幅度电位器,就可以满足整机要求。(高雨春)

