尽量减小继电器的功耗,对采用电池作电源的仪器设备有重要的意义。我们知道,继电器有这样一个特点,即要有较大的电流流过继电器,它才能吸合,一旦吸合之后,只要流过较小的电流就能维持吸合状态不释放。根据继电器的这个特点,我们可以设计一个电路,使电源开关接通后的一段时间内,供给继电器较大的电流,继电器吸合后,电流再逐渐下降到某一稳定值,这样就可以减小继电器的功耗。下面介绍几种简单的电路。
在继电器的供电回路中串联一个RC电路,见图1,即可减小继电器的功耗。它的工作过程是,当开关K闭合时,电源可通过电容C向继电器提供一个较大的起始电流。如果设继电器线圈的电阻为R\(_{J}\),那么起始电流就为E/RJ,继电器吸合后,随着电容器两端电压的上升,流过电容器和流过继电器的电流就会减小,最后电流将减小到E/(R+R\(_{J}\))。

电路中R的阻值一般可在R\(_{J}\)~3RJ范围内选取。C可选取数十微法至数百微法的电解电容,如JZX—18F型继电器的额定工作电压为12V,它的线圈电阻为160Ω,若将它直接接入12V电源,流过它的电流为75mA。而按图1接入R、C,R为320Ω,C为220μF,则当开关K闭合时,继电器能可靠地吸合,维持电流降低为25mA。只有额定工作电流的三分之一。
如果将R和C按图2所示接法也可达到同样的目的。它的工作原理是这样的,在开关K接通之前,电容器就被充电到电源电压了。当开关K接通时,电容上存储的电荷能向继电器提供一个较大的起始电流,使继电器可靠地吸合。随着电容上电荷的减小,最后流过继电器的电流仍然降低到E/(R+R\(_{J}\))。R、C的选取方法同上。

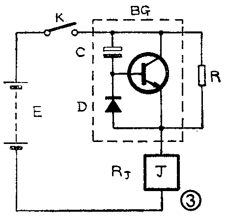
对于图1、图2所示电路,当开关K断开后,在电容器上的电压没有稳定之前,开关K不应再次接通。对于图1所示电路,当电容器上的电荷还没有来得及由R泄放掉时,如再次接通开关K,R\(_{J}\)就得不到较大的电流。同理,在图2所示电路中,当电容还没被充到足够高的电压时,接通开关K,RJ同样得不到较大的电流。为了解决这个问题,可用图3所示电路。它的工作原理是这样的:在图3中虚线方框内的三个元件等效为一个容量为C×(1+β)的大电容,其中β为三极管的直流放大倍数。当开关接通之后,电源对电容C的充电电流,也就是三极管的基极电流。三极管由于得到了一个较大的基极电流,而饱和导通,管压降很小,电源电压几乎全部加在继电器两端,使继电器能可靠地吸合。随着电容器两端的电压上升,充电电流减小,三极管基极电流减小,流过三极管的电流也下降了,当三极管完全截止后,流过继电器的电流下降到E/(R+R\(_{J}\))。在图3电路中,D的作用是泄放电容C上的电荷,当开关K断开后,电容上的电荷可经R和D迅速地放掉。这个电路充电的时候,存在一个等效的大电容,而放电的时候放电很快,所以只要开关K断开很短的时间,就可以再次接通,使得开关K可以较快的开闭动作,而不会影响继电器的可靠吸合和释放。为使电路正常工作,一定要选用漏电流小的电容,其容量可为数微法到数十微法。三极管应选用线性较好、饱和压降小及β值大于60的管子。D可选用普通硅二极管。上述几种简单电路,对减小继电器的功耗效果明显,可供参考选用。(朱小华)
