一、有一合香港产的Standard SL-803液晶显示函数计算器,运算速度慢,如73的阶乘需要3秒多钟的运算时间。能不能把运算速度提高呢?如果把时钟脉冲的频率提高,不就提高了运算速度了吗?打开后盖,看到的情况如图1所示,在集成电路的右方有一只电容和一只电阻。这就是时钟振荡器的外接电阻、电容。电阻为100K,电容为47P,将这两只元件焊下,分别换上47K的电阻和10P的电容,通电一试,运算速度大大提高。73的阶乘运算时间只需0.5秒。

改动过程要注意两个问题:1.焊接的时候,烙铁千万不能带电!2.所换的电阻、电容数值不能太小,即不能要求时钟频率太高。因为集成电路的工作频率有个限度,当频率太高时,就不能运算了。
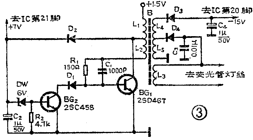
二、一台港产Compex816MS荧光显示计算器,用一节五号电池供电,新电池用不多久便不能工作了,测电池电压仍有1.2伏特,放电电流110mA,仍属正常范围。由于锌锰电池在1.2伏左右放电的时间最长(见图2),因此计算器在1.2伏电压下不能工作将造成很大的浪费。有必要解决这个问题。打开后盖,测电源开关的接触电阻为0.1Ω,基本正常。排除了开关接触不良的可能。此计算器是荧光数码管显示,所需工作电压是通过1.5伏经振荡升压后得到的,因此,怀疑振荡不足,造成IC及荧光管的工作电压不够。部分线路图见图3,部分元件分布见图4。此振荡升压器由变压器B,两只三极管、几只二极管等构成,其中BG\(_{1}\)(编号系自己加上)是振荡管,L1是激励绕组,L\(_{3}\)供给数码管灯丝电压,L4升压绕组经D\(_{3}\)整流,C4滤波后向I\(_{c}\)提供负电压,L2是反馈绕组,经R\(_{1}\)、C1反馈至BG\(_{1}\)基极,形成振荡。BG2 作稳幅用,当振荡太强时,BG\(_{2}\)导通,减少BG1的基极电流,使振荡减弱。为了增强振荡强度,将反馈电阻R\(_{1}\)由原来的150Ω减小到68Ω,接上一节1.2伏电池一试,一切正常,直至电池电压降到1.1伏,工作还很正常,因此使电池利用率大大提高。(郑毅清)


