CIC7642T是一种单片调幅手表收音机专用集成块,集成块的内部电路中有9只晶体三极管、16只小电阻和4只小电容(其中,电阻电容元件是由PN结形成的),经塑料封装后包括外壳在内集成块的全部体积还不到一颗黄豆那么大(约4×4×3mm)。用CIC7642T集成块组成的收音机的特点是:外围元件少、体积小、灵敏度高、声音清晰、装配后不用调整偏流,而且采用低电压(1.3伏)供电,耗电极省。

表1列出了该集成块在载频为1兆赫、音频信号为400赫、调制度为30%时的几项测试数据,供读者参考。从这些数据中可以看出,CIC7642T是一种性能较优良的单片收音机集成电路,很适用于无线电爱好者业余制作。CIC7642T的外形就像一只普通的塑封小功率三极管,如果把它的三个引出脚向上,管脚的排列如图1所示。其中①脚为接地端,②脚为输入端,③脚为输出端。


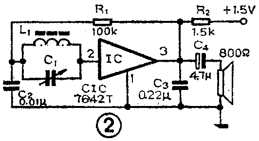
图2是用CIC7642T组成的一个最简单的调幅(AM)收音机电路,能接收中波段本地广播电台的节目。其中L\(_{1}\)C1组成调谐回路,改变可变电容器C\(_{1}\)的容量,就能改变接收频率。C2为调谐回路的高频通路,由L\(_{1}\)C1回路接收进来的高频信号,经过CIC7642T中的多级高频放大和检波之后,从输出端③送出的即为音频信号,经C\(_{3}\)滤波后,有用的信号经C4耦合,最后送至800欧高阻耳机放音。这个收音机电路的优点是,不需要另接晶体三极管,更用不着调试,只要接线正确,定能一次成功,而且还可以得到比较满意的收音效果。另外,整机耗电较少,即使在动态时也不会超过0.35mA。电源除了可用一节1.5伏的5号或8号电池之外,也可以采用1.3伏左右的钮扣电池,所以整机的体积可以做得跟手表差不多大。

图3是一个用8欧低阻耳塞机放音的电路。它与图2相比,只多加了一级由晶体三极管BG\(_{1}\)等组成的射极跟随器,但音量要大得多,音质也更好些。BG1也可以用3AX31或3CG14等三极管代替。按图中所示的β值(100左右),偏流电阻用22千欧即可,也用不着调整。表2列出了BG\(_{1}\)取不同的β时R3的相应数据,供读者参考。装好后的整机电流约在4mA左右,图4是其印刷电路板和元器件排列图。


图2、图3中的磁性天线L\(_{1}\),均可在4×12×50mm的扁形中波磁棒上用多股纱包线密绕85匝而成。C1可用超小型密封双连把两组电容并联起来使用。如果想把收音机的体积做得更小些,也可做成调感式调谐回路,此时C\(_{1}\)用270P左右的固定电容,L1可在圆形螺纹可调磁芯的外面绕一定匝数(具体绕多少匝数,应根据可调磁芯的规格来决定)的纱包线而成。
以上的两个收音机电路,虽然属于高放式的,但由于在CIC7642T的内部装有一个优良的AGC(自动增益控制)电路,所以选择性也比较好。CIC7642T也可以用在超外差式收音机的中频放大电路中,图5是作为中频放大器使用时的参考电路图。(汤诞元)
