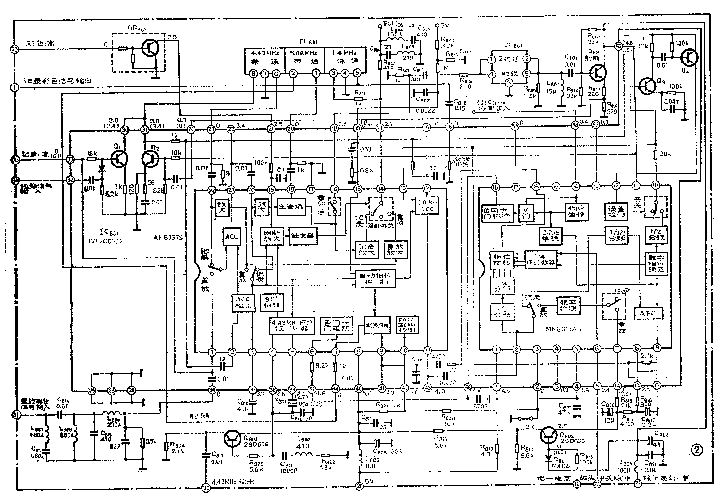
色度信号的记录与重放
NV-450MC录象机采用了降频变换和相位移动的彩色信号直接记录方式,图2示出色度信号记录和重放电路,其中包括两块集成电路AN6367S和MN6163AS,下边具体分析。

1.色度信号的记录:视频信号经印制板34脚从IC\(_{8}\)01的32脚输入加到Q1的基极,经Q\(_{1}\)放大后从IC801的30脚输出加到FL\(_{8}\)01的4.43MHz带通滤波器8脚,从6脚输出滤掉亮度信号(0~4MHz)只剩下色度信号(4.43MHz),经23脚和22脚输入经记录/重放选择开关(在记录位置)后加到ACC电路。从ACC电路输出的色度信号从21脚输出,经0.01μ电容再从20脚输入,一路送到ACC检测电路去检测色同步幅度的变化,然后将这个变化电压送到ACC电路去控制色度信号幅度不变。另一路经放大器放大后送到主变换器去。在主变换器中与经20脚和18脚送来的带相位旋转的5.06MHz信号相减,得到627kHz的降频色度信号,再经记录放大和阻断开关从14脚输出,经17脚加到低通滤波器FL801的3脚,去除高频噪声后从FL\(_{8}\)01的5脚输出627kHz降频彩色信号,由印制板的1脚输出经主印制板上Q3008放大后送到Q\(_{3}\)003与记录调频亮度信号混合。
AN6367S中阻断放大器有三个输入信号,一个是从ACC检测电路送来的色同步信号;另一个是从4.43MHz压控振荡器来的经90°相移电路的移相信号,在阻断放大器中将这两个信号进行比较,当色同步信号幅度很低或相位不对时,从阻断放大器输出相应的信号到触发器,触发器的输出去控制阻断开关转到空档,禁止彩色信号输出。当录象机后面板的黑/白、彩色和测试开关置于彩色位置时,高电平电压从印制板23脚输入加到QR\(_{8}\)01的基极使它导通,结果使IC801的21脚为低电位,与阻断放大器相接的19脚连同IC\(_{8}\)01的21脚都变成低电位,此时阻断放大器送出信号到触发器,由触发器的输出信号去控制阻断开关转到“记录”位置,使彩色信号从AN6367S的14脚输出。
AN6367S中5.02MHz压控振荡器所产生的连续波信号从11脚输出,经1000P电容加到MN6163AS的2脚,经1/2分频后再经1/4分频,得到4个相位不同的627kHz信号输出(0°、90°、180°、270°),四个输出信号分别加到相位旋转电路的四个与门中。从IC\(_{8}\)01的54脚和MN6163AS的14脚输入的行同步信号作旋转电路的同步信号,这个信号经45μs单稳态多谐振荡器,消除行同步信号中的均衡信号(在场消隐期间)再分两路输出。一路经V门送到色同步脉冲电路,用来产生色同步门脉冲,并从18脚输出经IC801的56脚和51脚从AN6367S的6脚输入加到色同步门电路。另一路送到3.2μs单稳态电路,这个电路输出15625Hz行同步信号加到数字相位锁定电路和AFC电路。数字相位锁定电路用来逐行改变627kHz信号的相位,它产生的脉冲加到1/4环计数器,该计数器产生与输入的行同步信号同步的4个门脉冲加到相位旋转电路。而不同相位的627kHz信号始终加在四个与门的输入端,从1/4环计数器来的门脉冲顺序地将每个门打开,送出连续的逐行移相90°的627kHz旋转信号。带有相位旋转的627kHz降频色度信号从MN6163AS的16脚送出,经33K和4700P电容从AN6367S的9脚输入加到副变换器,与副变换器的另一个输入信号(4.43MHz)相加成5.06MHz带相位旋转的信号,从7脚输出经IC\(_{8}\)01的44脚送到带通滤波器FL801的2脚,去除副变换器产生的差频信号后从1脚输出经IC\(_{8}\)01的20脚从18脚输入送到主变换器电路。MN6163AS中1/4环计数器受磁头开关脉冲的控制,该脉冲经24脚、5脚和6脚输入。当磁头开关脉冲为低电位时(CH-2磁头工作期间)才实现相位旋转;而在磁头开关脉冲为高电位时相位旋转电路停止工作。
AN6367S内部的自动相位控制电路有两个输入信号:一个是从压控振荡器送来的4.43MHz正弦波信号;另一个是从ACC检测电路送来的色同步信号,在自动相位控制电路中比较这两个信号的相位,如果相位相同,则输出的误差信号为0;如果两个信号有相位差存在,则产生误差信号电压并加到4.43MHz压控振荡器中,使压控振荡器产生与色同步信号同相的4.43MHz正弦波信号。从MN6163AS的2脚输入的5.02MHz信号通过记录重放开关(记录位置)加到1321分频器,其分频后的信号再加到AFC电路与3.2μs单稳电路送来的行同步信号比较后产生误差电压,从9脚输出经2.7K电阻再从AN6337S的13脚输入加到5.02MHz压控振荡器,控制振荡器使产生的5.02MHz信号的频率稳定。
2.色度信号的重放:录象机在放象时,从磁头放大器来的降频色度信号(627kHz)经印制板31脚送到由L\(_{8}\)07~809和C813~815组成的低通滤波器去除重放调频亮度信号,然后将重放色度信号经IC\(_{8}\)01的34脚从AN6367S的1脚输入,经记录/重放选择开关(在重放位置)加到ACC电路,由ACC电路输出的控制电压控制重放色度信号幅度使保持稳定。经ACC电路放大的重放色度信号从21脚输出,经0.01μ电容从20脚返回集成电路内部。经放大器放大后加到主变换器,在主变换器中与经20脚和18脚送来的5.06MHz信号相减,输出被恢复的4.43MHz色度信号,并且去掉在记录期间引入的相位旋转。被恢复的4.43MHz色度信号经重放开关(在通的位置)从16脚输出再经18脚、C803和R\(_{8}\)06加到2行延时线DL801,用来消除相邻磁迹的串扰信号。从2行延时线输出的色度信号加到缓冲级Q\(_{8}\)01,由它的射极输出,经IC801的24脚加到Q\(_{2}\)的基极,经Q2放大后从集电极输出,经31脚加到4.43MHz带通滤波器,进一步去除色度信号中残余亮度信号和低频干扰。从带通滤波器6脚送出的色度信号经IC\(_{8}\)01的23脚从AN6367S的22脚输入经放大后分两路:一路经记录/重放开关(重放)送到ACC检测电路及自动相位控制电路,另一路经重放放大器放大后,再经过阻断开关(在重放位置)从14脚输出经IC801的17脚加到由L\(_{8}\)03、L804、C\(_{8}\)04和C805组成的4.43MHz带通滤波器,然后将重放色度信号经IC\(_{3}\)01的20脚,送到AN3215S的彩色混合电路与重放亮度信号混合成彩色全电视信号输出。在重放彩色信号中如果没有色同步信号或色同步信号幅度太小,阻断开关断开将没有重放色度信号输出。如果相位控制环路有故障时阻断开关也不接通。
在重放期间,自动相位控制电路仍然检测两个输入信号在色同步期间的相位差,去控制4.43MHz和5.02MHz压控振荡器的振荡频率。当两个输入信号相位差很大时,集成块内相位控制电路就不能检出相位差。因此在MN6163AS中设置频率检测器,在重放时,5.02MHz信号经MN6163AS的2脚输入经记录/重放开关(在重放位置)加到频率检测器。如果重放信号频率不正确,则在频率检测器中产生1行宽的脉冲信号,经另一记录/重放开关(重放位置)从7脚输出,经过IC\(_{8}\)01的14脚和由R816、R\(_{818}\)和C806~807组成的低通滤波器变成直流电压,经IC\(_{8}\)01的13脚从AN6367S的13脚输入加到5.02MHz压控振荡器,去调整振荡频率为适当值。这样由于走带抖动或其它不稳定因素产生的相位或频率的偏差都可以得到补偿。
在PAL彩色电视信号中色同步脉冲的相位相对水平轴每行变化±45°,就会引起自动相位控制电路的输出在每行间隔内变化,因而压控振荡器的频率也在每行间隔内变化。为了解决这个问题而附加了色同步调整脉冲发生器电路,它由IC\(_{8}\)01内部Q3、Q\(_{4}\)两只管子与MN6163S的10脚和12脚相连的误差检测器、开关和1/2分频器组成,从Q4的发射器送出适当的色同步调整脉冲,经AN6367S的12脚加到5.02MHz压控振荡器使振荡频率稳定。从AN6367S的4脚输出4.43MHz正弦波信号经IC\(_{8}\)01的38脚加到Q803的基极,从Q\(_{8}\)03射极输出经C817从印制板30脚输出,做为时钟脉冲送到录象机其它电路。(葛慧英)