洒水车音响器
我们向大家提供的是装有简单的电子音响装置的模型洒水车,当它开动时,会不时发出1·3·|5的鸣声来,好象在向大家招呼,洒水车来啦,“快快让开!”
集成块简介
本品的制作,需要两片CMOS数字集成电路。一片是C033型六非门,一片是C039型2输入端四或非门。

图1A是非门的符号,它只有一个输入端A和一个输出端Q。图1C真值表全面地反映了非门传递信号的规律,概括成一句话,就是输出信号的相位与输入信号相反,因此非门又称反相器。
一片C033型集成块里,包含六个非门,引出线的排列见图1(b)所示。

图2(a)是一个或非门的符号,它有两个输入端A、B和一个输出端Q。这种2输入端或非门传递信号的规律,见图2(c)的真值表。概括地说,或非门仅仅在所有输入端全部是低电位时,输出才是高电位;只要有一个输入端为高电位,输出就是低电位。
一片C039型集成块里,包含四个2输入端或非门,引出线的排列见图以2(b)所示。
电路原理
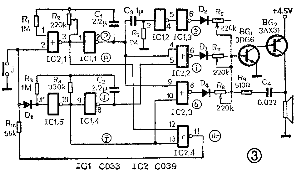
整个装置的电路见图3所示。

整个电路可分节拍器、分配器和音响器三个部分。
节拍器是负责“打拍子”的,一个或非门IC2,1和一个非门IC1,1构成拍振荡器,振荡一周是二拍。它有两个输出端P和P-,输出的信号P和P-相位相反,即第一拍P端为低电位,P-端为高电位;第二拍反之。其中IC2,1留一个输入端(IC2的2脚)作为控制端。拍子的快慢通过R\(_{2}\)调节,R2的阻值越大,拍子越慢。
两个非门IC1,5和IC1,4构成节振荡器,振荡一周是两个小节即四拍。它也有两个输出端J和J-,输出的信号J和J-反相,即前一小节J为低电压,J-为高电位;后一小节J为高电位,J-为低电位。因为IC1,5只有一个输入端,因此控制起振、停振的信号只能通过一个二极管D\(_{1}\)直接加于IC1,5的输入端。在控制信号为高电位时,D1正向导通,相当于把IC1,5的输入端和V\(_{DD}\)接通,电路停振,J端为高电位;控制信号为低电位时,D1反向截止,相当于把IC1,5的输入端和控制信号源断开,电路起振。
分配器好比是钢琴演奏者,它的任务是根据一定的“乐谱”,按照节拍,去按下相应的琴键。因此,整个分配器必须有四个输入端,分别与节拍器的输出P、P-、J、J-连接,让它知道当时已演奏到第几节第几拍了;同时,它必须有四个输出端,分别去“弹奏”3·1·5三个“琴键”和发出曲终信号,去控制节拍器,让它们停振。在整个“演奏”过程中,分配器输入端和输出端信号的波形,见图4所示。

在第一拍(从t\(_{0}\)到t1)这段时间里,输入端P-和J-均为“1”,应该按下1·这个“琴键”,也就是说输出端1·应跳变为“1”。如果应用的器件是2输入端与门,只要把节拍信号P-和J-分别接到它的输入端,在它的输出端就可以得到一个弹奏1·的信号,如图5中等号左边所示。但是在C000系列集成电路中,没有这样的产品,所以要用2输入端或非门来替代。替代的方法很简单:只要把输入信号“取反”后,接到或非门的输出端去,就可以得到同样的输出信号。“取反”就是把原来信号的相位反过来,在本例中P-改接P,J-改接J,如图5等号右边所示。

在第二拍(t\(_{1}\)到t2)和第四拍(t\(_{3}\)到t4)的时间内,拍信号P都是“1”,都应该“弹奏”3·这个音,也就是说输出端3·应该跳变为“1”。看起来似乎可以直接利用P的信号作为3·端的输出,但是在演奏到第四拍后,乐曲终止,P端就一直保持高电位,“3·这个音将一直延续下去了。为了把输出3·的脉宽限在1秒钟左右,所以在当中还要插入一个由C\(_{3}\)、R5构成的微分电路,以及由IC1,2和IC1,3构成的整形电路。
在第三拍(t\(_{2}\)到t3)时间内,应该“弹奏”5这个音。这时,P-和J均为“1”,因此只要取相位相反的两个信号P和J-,加于或非门IC2,3的输入端,在它的输出端就可以得到5的信号。
演奏到第四拍(t\(_{3}\)到t4)乐句终止,应该向节拍器发一控制信号,让它们停止振荡。这时节拍信号P和J均为“1”,取与它们相位相反的信号P-和J-,接至或非门IC2,4的输入端,在它的输出端就可以得到一个“止”的信号,经R\(_{1}\)0加于节拍振荡器的控制端。此后,节拍器停振,整个电路保持t4末的状态不变。要等洒水车开出一段路后,车内的机械装置把接点J再接通一下,节拍器又被开动起来,整个电路就再一次重复从t\(_{0}\)到t4的运行过程。
音响器由BG\(_{1}\)和BG2构成,这是一个大家比较熟悉的互补型振荡器。振荡的重复频率反比于C\(_{4}\)和Rx的乘积。这里R\(_{x}\)为R6、R\(_{7}\)或R8之中的任意一个,调节这三个电阻,使R\(_{6}\):R7:R\(_{8}\)约等于20:25:33,产生的信号听起来就相当于3·、1·、5三个音。
制作与调试

电路的安装可参考图6进行。电源电压为4.5伏,用三节5号电池串联而成,音响器不发声时,电路几乎是不耗电的;在发声时,总的电流也不过数十毫安。D\(_{2}\)、D3、D\(_{4}\)和R10暂勿接入,接点J设法让它一直闭合着。电路装好后,取一根长约10厘米的接线,两端剥出线头,一端接电源正极,另一端悬空,供调试时应用。核对线路无误后,即可按下列步骤进行调试:
1.调试音响器:先把R\(_{2}\)、R6、R\(_{7}\)、R8等微调电阻都调至阻值最大的位置,然后开启电源,这时由于D\(_{2}\)、D3、D\(_{4}\)均未接入,没有接到控制信号,它是不会发出声音来的。试用上面说明临时接线的悬空端去分别接触R6、R\(_{7}\)、R8的左端(即应该和二极管相接的这一端),应该都会发出“嘟”的声音来。然后关掉电源,把临时接线的悬空端焊接在R\(_{6}\)的左端,再度开启电源,用口琴校音,缓缓调节R6,直到音响器发出3·的声音来为止。再以同样的方法来调节R\(_{7}\)和R8,使音响器发出1·、5的声音来。注意,每次装拆临时接线时,都应该在关断电源情况下进行。
2.调试节拍器:接入D\(_{2}\)、D3和D\(_{4}\)三个二极管,再开电源,音响器便会杂乱无章地发出1·3·5等声音来。缓缓调节R2,到能反复奏出‖:1·3·|53·:‖这样的曲调为止。
3.曲终控制的试验:接入R\(_{1}\)0,放开接点J,开启电源,此后,每使J闭合一下,便会演奏出1·3·|5的乐句。(华川)