在电子应用技术中,我们经常会遇到单稳态电路及双稳态电路,有时也会用到多稳态触发器。尽管利用多个双稳态电路组合组成的二进制计数器可以表示出多种状态,但这样的多稳态电路需要配以译码电路,其结构比较复杂。本人设计的多稳态触发器,电路比较简单,用途比较广泛。下面以四稳态电路为例来说明其工作原理。
四稳态电路的工作原理
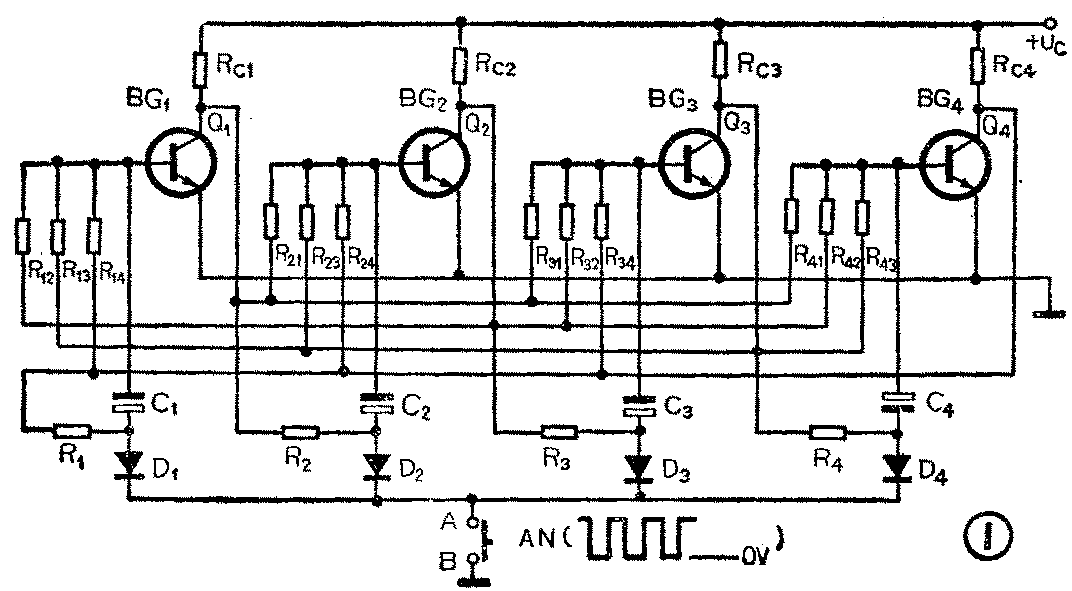
四稳态触发器电路如图1所示。由图可见,四稳态触发器是由BG\(_{1}\)、BG2、BG\(_{3}\)、BG4四级单元电路及一只微动开关AN(或外加一串触发脉冲)组成。其结构特点是:每一级单元电路中三极管的基极均通过本身的基极电阻分别与其他各级单元电路的集电极输出端Q相连接。反过来,每一级单元电路的输出端又必然分别通过电阻与其他各级单元电路的基极相连接。这样一来,四稳态触发器中只要有任何一级单元电路的输出端为高电平,则其他三级单元电路的输出必为低电平;若任意三级单元电路的输出为低电平,则另外一级的输出必为高电平。例如,我们假设Q\(_{1}\)为高电平,通过R21、R\(_{31}\)及R41的耦合,使得BG\(_{2}\)、BG3及BG\(_{4}\)因基极加有正偏压而饱和导通,故其输出端Q2、Q\(_{3}\)及Q4均为低电平。反之,只有Q\(_{2}\)、Q3及Q\(_{4}\)全为低电平时,通过电阻R12、R\(_{13}\)、R14的耦合,才能使BG\(_{1}\)的基极为负偏压而截止,其输出端Q1为高电平。以上是以第一级单元电路为例,来说明它的状态与其他各级单元电路的关系,这是电路的一种稳定状态。同理,这种关系也适用于电路中其他各级,使电路有几种不同的稳定状态。

应当说明,以上所述是为分析电路方便而假设Q\(_{1}\) 为高电平后,通过电路的作用使得Q2、Q\(_{3}\)及Q4为低电平的过程。实际上,在接通电源后瞬间,BG\(_{1}\)~BG4的集电极电流都有增长的趋势,由于发展不平衡,有可能使某一级集电极电流增长得快些,经过一系列正反馈反应,导致该级迅速饱和。同理,又相继使另外两级迅速饱和。当电路中的任意三级单元电路饱和导通输出为低电平时,由上可知经过一系列过程后,则另外一级必然截止输出为高电平。
那么,电路是否可能会出现有两个或两个以上的Q端同时为高电平的情况呢?理论和实践都证明这是不可能的。如果我们设Qn端为高电平,若除Qn外还有其他Q端为高电平,则会通过电阻的耦合使BG\(_{n}\)获得正偏而导通,使Qn端不可能为高电平,这与我们的假设Qn端为高电平相矛盾,因而是不可能成立的。同理不难证明,所有Q端都为低电平的情况也是不存在的。
在图1中,每一级单元电路的基极还分别接有一只电容器(注意C\(_{4}\)接反了)和一只二极管,它们随同引导电阻R1~R\(_{4}\)一起组成引导触发电路,用来控制电路的翻转。例如,我们仍设第一级单元电路的输出端Q1为高电平(由上述可知,此时其余各级的输出端Q\(_{2}\)、Q3及Q\(_{4}\)将为低电平),并称之为Ⅰ态,则此高电平可通过R2对C\(_{2}\)充电,由于BG2的发射极直接接地,C\(_{2}\)的负端可近似地认为是接地的,故在C2上充得下正上负的电压。当我们按动触发按钮AN时,C\(_{2}\)便通过二极管D2把正电压加到BG\(_{2}\)的发射极致使BG2截止,此时BG\(_{2}\)的输出端Q2变为高电平。随后通过各个电阻的耦合,又可使其他各单元电路的输出端Q\(_{1}\)、Q3及Q\(_{4}\)变为低电平,从而实现了电路状态的一次翻转。这里我们把BG2截止的状态称为Ⅱ态。同理,我们可以继续按动触发按钮AN,分别使BG\(_{3}\)截止(称为Ⅲ态),Q3变为高电平,其他输出端变为低电平。使BG\(_{4}\)截止(称为Ⅳ态),Q4变为高电平,其他各输出端变为低电平。照此周而复始地进行下去,电路就可按Ⅰ态、Ⅱ态、Ⅲ态、Ⅳ态、Ⅰ态……依次翻转状态。如果我们把按钮AN去掉,而在A、B两点接入一串触发脉冲信号对电路进行控制,当然电路也会依次进行状态转换。
图1所示电路在接通电源后,处于何种状态,是BG\(_{1}\)截止的Ⅰ态,还是其它状态,这是由电路中各元、器件参数的差异所确定的。但一般来说,每次接通电源后,电路又总是处于某一固定的状态。因此通过几次接电试验,就可知道电路所处状态的情况。在实际应用中,有时需要在开始时设定某一状态。例如需要BG1截止,其余各级处于饱和状态的Ⅰ态,而电路在通电后又是处于BG\(_{3}\)截止的Ⅲ态,这时我们不妨改变一下各级管子的编号,就把BG3截止定为Ⅰ态,从而满足了我们的需要。重新编号后,电路就按BG\(_{3}\)截止(Ⅰ态)→BG4截止(Ⅱ态)→BG\(_{1}\)截止(Ⅲ态)→BG2截止(Ⅳ态)的顺序翻转了。为了使固定设置更为可靠,可在上述的基础上再在BGⅠ(设定的Ⅰ态)的基极对地接入一小电容(其容量大小可通过实验确定,在可靠设定的情况下,越小越好,以免影响本级翻转),使得开始瞬间BGⅠ的基极相当于瞬间接地而截止,从而可靠完成预先的设定。
在详细地分析了四稳态触发器的工作原理之后,下面对多稳态触发器加以说明。

图2所示是多稳态触发器中的一个单元电路(按钮AN是公共用),一个完整的具有N种稳定状态的多稳态触发器可由N个这样的单元组成。
当多稳态电路中的单元数目多到一定程度时,由图2可以看出,会因众多的基极耦合电阻中最多只有一个电阻接的是高电平,其余均接低电平,有可能引起分流,使管子得不到足够的基极电流而不能可靠地饱和导通,此时应将电路加以改进。图3中由二极管组成的门电路可以解决这个问题。当在某一二极管的输入端接高电平时,该二极管导通后使A点变为高电平,其余各二极管的正极因接低电平而不能导通,使三极管可靠地导通饱和。当然在单元电路不是很多的情况下,采用图2电路可以减少元件数量,降低成本。实践证明,当电源电压为12V时,采用图2电路,单元电路多达十级,电路仍能可靠地工作。

多稳态触发器的应用
多稳态触发器可用于电视频道的遥控转换,见图4。把多稳态触发器的各级输出Q\(_{1}\)、Q2、Q\(_{3}\)、Q4……分别接至电位器W\(_{1}\)、W2、W\(_{3}\)、W4等组成的节目预选器,当多稳态触发器处于不同状态时,预选器将输出各种不同的电压作为调谐电压送到电调谐高频头。图中的二极管可起隔离作用。例如,当多稳态触发器处于Q\(_{2}\)为高电平的Ⅱ态时,通过W2分压可使D\(_{2}\)导通,其他二极管因其余各Q端为低电平而截止相当于开路。将触发按钮AN用两条引线引出,就可在远处方便地控制频道的转换。还可利用无线收、发脉冲实现无线遥控。

多稳态触发器还广泛地应用在数字电路、自动控制等技术中。用本文介绍的多稳态触发器组成的十稳态电路,可方便地组成十进制计数器,而不需要专门的译码电路,见图5。

多稳态触发器也可用于分频。采用图6所示电路,可以把输入脉冲的频率降低为原频率的N分之一。

也可以采取分级方式进行分频,把脉冲频率降低为任意整数倍。图7是由一个三稳态触发器组成的三分频器和一个四稳态触发器组成的四分频器而组合成的十二分频器。(李平)
