2.声光催眠器(图3):此电路为自激振荡器,W可调节发声频率与间歇时间,输出驱动扬声器发声,同时红、绿发光管交替闪光。对于神经衰弱和老年失眠者有一定疗效。

3.防盗报警器(图4):K为干簧管,G为磁铁。当关门时磁铁靠近干簧管,使干簧管内的接点接通,则扬声器中无声。当有人开门潜入时,则磁铁离开干簧管,使接点断开,扬声器就会发出报警信号。

4.光照变音器(图5):光敏电阻常态阻值为10kΩ,当光照时阻值变小,使振荡音频变低。使用本电路可以辨别灯光强弱等。

5.噪声驱虫器(图6):电路振荡频率为20kHz左右,这是驱赶小虫的噪声频率。如同时在G点输入2~6V50Hz的交流电,合成一种新噪声,驱虫效果更好。

6.电子变换器(图7):本电路可将直流低电压变换成高电压。电路振荡频率为2MHz左右,通过变压器变压并经整流输出直流高压100V左右。变压器B采用φ2.5×120mmM4磁芯,L\(_{1}\)用0.41mm漆包线绕26圈,L2用0.06mm漆包线绕300圈。

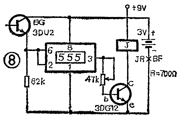
7.自动路灯(图8):BG为光敏三极管,通过继电器接点可控制照明灯泡,当G无光照时J吸合,照明灯亮;天亮时G受光照,照明灯自动熄灭。本电路灵敏度很高。

有关邮购事宜见本期第48页。(郑祥泰)

