TA7641是一种广大读者非常熟悉的调幅收音机集成电路,本文所要介绍的是它与一片BH4100功放块结合起来,可以完成一部普及型收录机功能的电路。在这部收录机中,TA7641的低放电路作为录放前置电路,变频中放电路不变。BH4100在收音和放音时作为功率放大电路,在进行录音时则作为录音电压放大电路。从所附电路图可以看出,这样设计电路时可使电路大为简化,阻容元件减少许多,装配、调试更为简单,可靠性也大大提高。
按照该电路组装成的收录机,可达到如下性能指标:(1)收音部分:频率范围不狭于525~1605千赫;限噪灵敏度≤2mV/m;谐波失真(P=150mW)等于或小于5%。(2)录放部分:全通道频响200~5000赫;全通道信噪比≥31dB;全通道谐波失真(P=150mW)小于或等于10%;整机标称有用功率为150mW;整机最大有用功率≥500mW(失真等于10%时)。
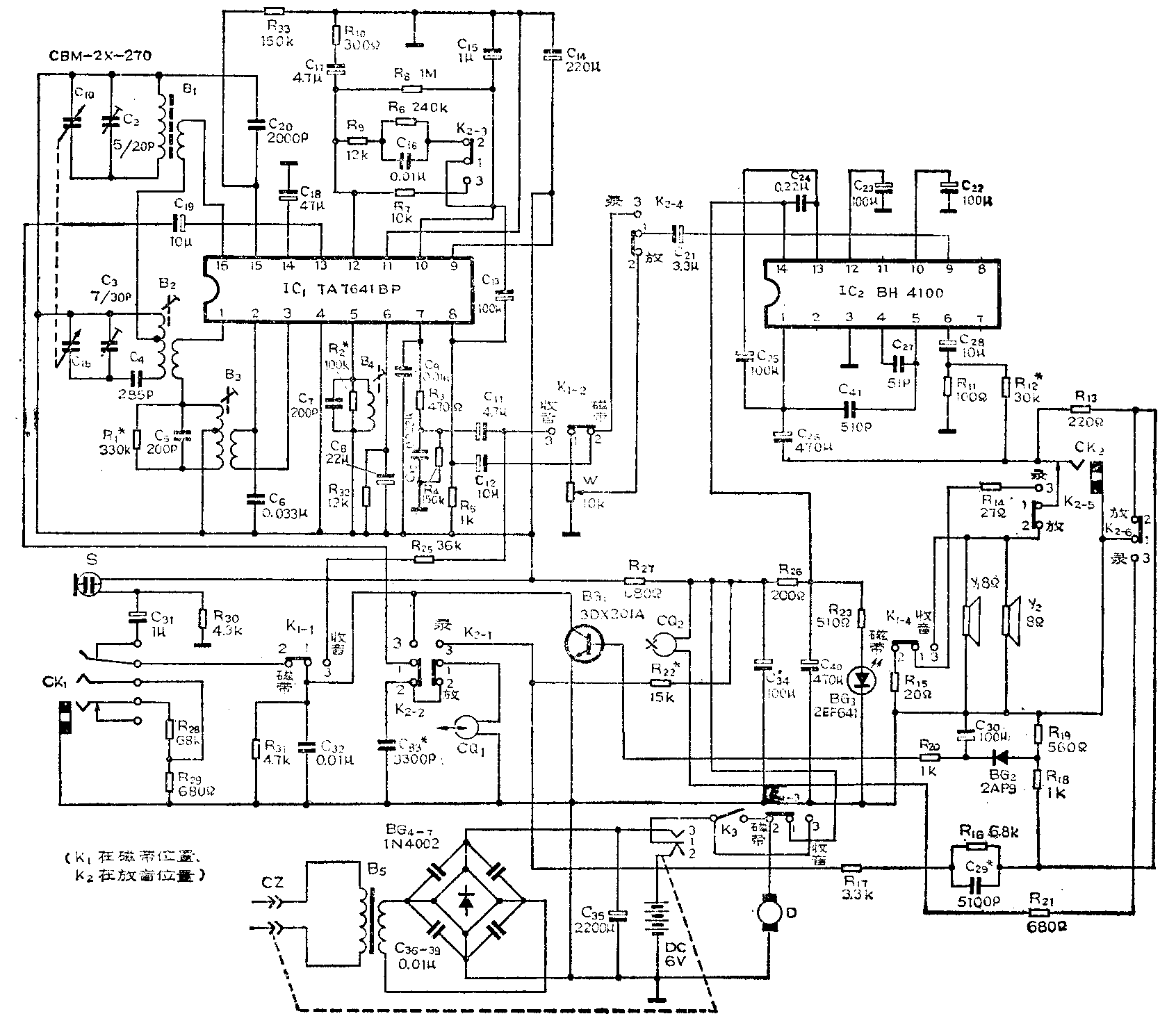
电路原理

整机电路原理如附图所示。TA7641是一片普通的调幅收音机集成电路,这里不再多加叙述。下面仅补充指出三点:(1)用TA7641装配成的收音机电路比较容易停振,其原因是由于TA7641的变频级的直流工作点仅为25μA左右,此时振荡较弱。特别是当环境湿度较高,中波振荡线圈Q值降低的情况下,更容易出现停振现象。为了确保振荡可靠,本电路中在TA7641的第15脚到地之间加上了一个15O千欧的电阻。第15脚是变频管的射极,这样就降低了变频管的射极电压,减小了负反馈,相当于提高了变频管的增益,使变频管的电流上升至50μA左右。此时振荡加强,振荡波形完好。在这种情况下,经48小时严格的潮热实验也不停振。由于改动后变频管的射极阻抗变小,原来接于第15脚的1000pF电容应改为2000pF的。(2)TA7641内部的中放级是一个五级直接耦合的中频放大器,中放增益较高,它的自动增益控制也较强,这就使收录机最大有用电平这顶指标不太理想。为了改善这项指标,应适当控制中放级的增益和自动增益控制量,因此在附图电路中设置了R\(_{1}\)和R32(12千欧)两个电阻,R\(_{1}\)用来降低中周的Q值。(3)TA7641第7脚上已检波出来的音频信号通过K1-2、电位器W、录放开关K\(_{2}\)-4送到BH4100的第9脚进行功率放大。
在本文中,TA7641的功放电路是作为录放电路的前置级来使用的,它必须满足下述三点要求:即电路要有适当的增益、电路对磁头的放音信号应能进行频率补偿、噪声系数应较低。在图中所标定的外围元件的数据下,TA7641低放电路的电压增益大约为40dB左右。基本能满足要求。第10脚到第12脚的大环路反馈可为放音频率补偿提供位置。
在进行放音时,K\(_{1}\)拨在“磁带”一边,K2拨在“放音”一边,从磁头来的信号,经K\(_{2}\)-2、C19加到IC\(_{1}\)第13脚,经接于10脚到12脚的R6、C\(_{16}\)进行低频补偿后,从10脚输出。经C13、C\(_{12}\)、K1-2、W、K\(_{2-4}\)、C21送到IC\(_{2}\)第9脚。进行功率放大;在录音时,待录信号经C19送入IC\(_{1}\)进行放大。例如,在进行话筒录音时, K2拨在“录音”一边,K\(_{1}\)拨在“磁带”一边,话筒S送出的信号则经C31、K\(_{1-1}\)、K2-2、C\(_{19}\)送到IC1第13脚。如果是进行收音录音,则将K\(_{1}\)拨至“收音”一边,检波后得到的音频信号经C11交连,再经R\(_{25}\)、K1-1送入录音放大电路。经IC\(_{1}\)放大后的待录信号,从第8脚输出,信号从R5两端取得,然后经C\(_{12}\)、K2-4、C\(_{21}\)送IC2输入端(第9脚)进一步进行电压放大,放大后的信号从第1脚输出,经C\(_{26}\)、R13分成两路;一路信号经由R\(_{16}\)、C29组成的录音高频补偿网络进行频率补偿,再经R\(_{17}\)、K2-1送到磁头CQ\(_{1}\)进行录音;另一路信号则经R18、R\(_{19}\)分压,再经二极管BG2检波,在C\(_{3}\)0两端得到一个直流脉动信号,这个信号便是该收录机的自动录音电平控制信号,它经过R20加到BG\(_{1}\)的基极,使BG1的内阻随基极所加电压的高低而变化。信号强时基极电压高,BG\(_{1}\)的c—e结之间的内阻低。从图中可以看出,BG1的内阻与待录的输入信号是相并联的,这样信号强时信号通过BG\(_{1}\)内阻的分流作用也大,就达到了自动录音电平控制的目的。
该机采用直流偏磁、直流抹音,使电路更为简单。磁头型号为BA62时,偏磁电流大约为320μA左右。抹音磁头的型号为1MD80时,抹音电流约5mA左右。从原理图上可以看出,该机电路具有中波收音、磁带放音、线路输入录音、内接话筒录音、收音录音、交直流两用等功能。
安装和调试注意事项
1.TA7641的收音部分是电源正极接地,这一部分的接线应选粗一些。IC\(_{2}\)的第3脚接地点及扬声器的接地点应尽量靠近电源接地点。
2.C\(_{17}\)的电容量加大后可以展宽录放音时的低频频响,但这时容易引起自激,应适可而止。
3.必须在线路上的元器件完全接好以后再进行调试,否则线路是自激的。例如,当天线线圈没有接入时,即使认真调试录放电路,电路也是自激的,但只要接好天线线圈,线路就正常工作了。又如,当磁头没有接入时,收音部分也会因处于自激状态而不能工作。其原因是TA7641的输入级(第16脚和第13脚)不能处于开路状态,否则会产生自激。
4.电路中电解电容器的极性不要接反。(吴伟光)